GM Service Manual Online
For 1990-2009 cars only
Figure 1:

Inadvertant Lamp Control


Object Number: 2080853  Size: FS
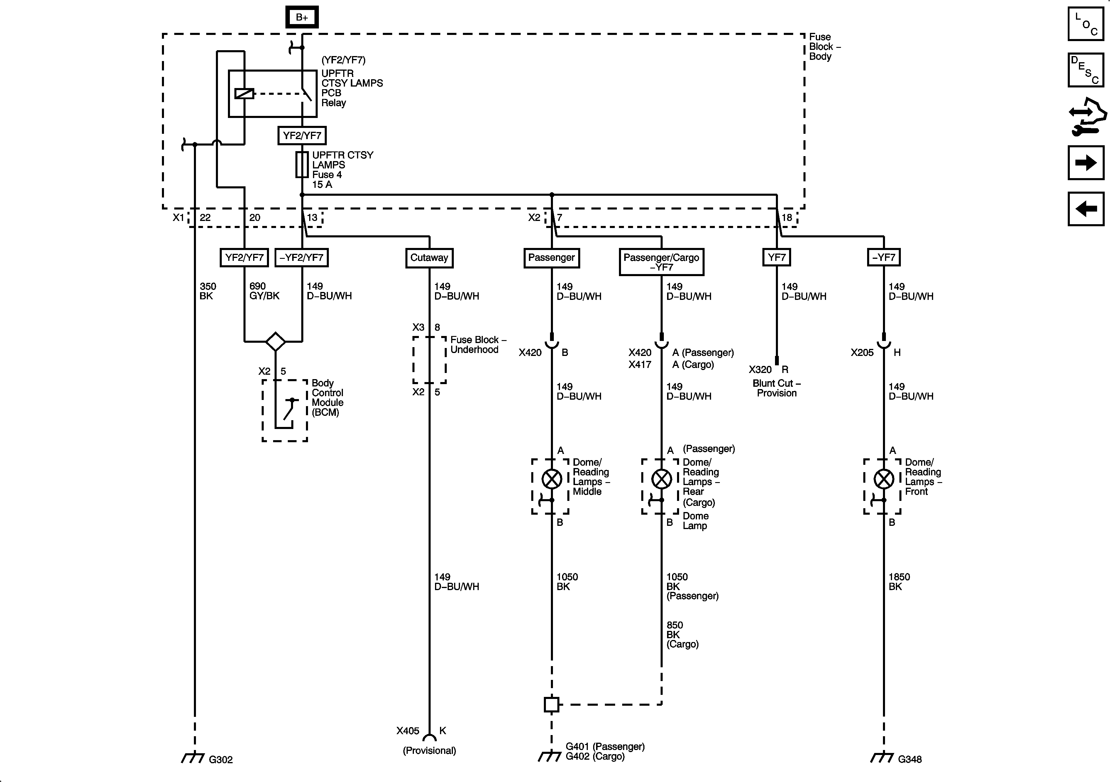
Figure 2:

Courtesy Lamp Control


Object Number: 2080855  Size: FS
Figure 3:

Dome Fluorescent Work Lamps (PRP with UF2)


Object Number: 2080859  Size: FS