GM Service Manual Online
For 1990-2009 cars only
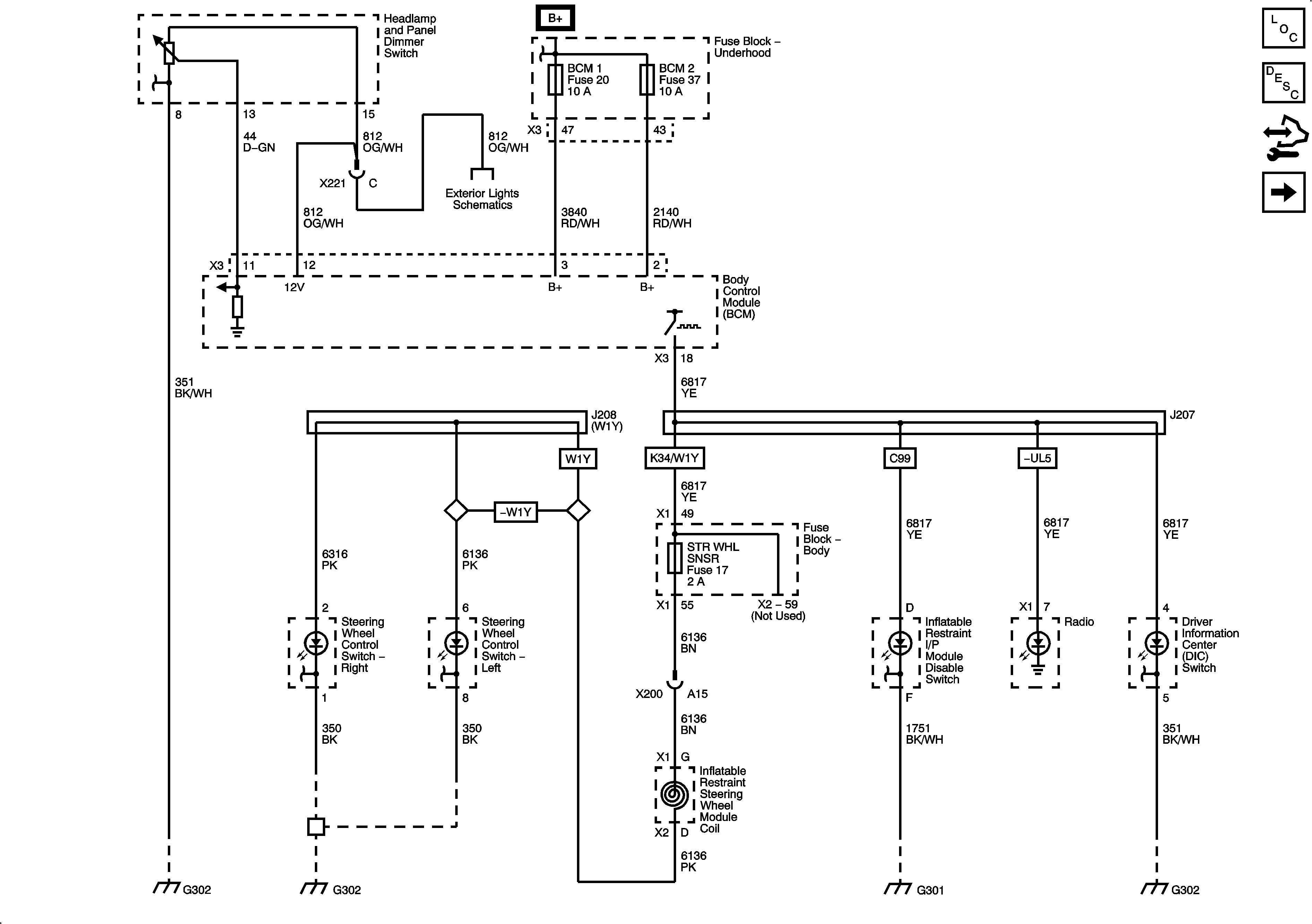
Figure 1:

I/P Dimming Supply Voltage and LED Dimming Supply Voltage (1 of 3)


Object Number: 2080844  Size: FS
Figure 2:

I/P Dimming Supply Voltage (2 of 3)


Object Number: 2080847  Size: FS
Figure 3:

I/P Dimming Supply Voltage (3 of 3)


Object Number: 2080850  Size: FS