GM Service Manual Online
For 1990-2009 cars only

Removal Procedure

  1. Remove the engine cover. Refer to Engine Cover Replacement in Interior Trim in the G Van Service Manual.

  2. Object Number: 728544  Size: SH
  3. Disconnect the PCV hose (2) from the fuel mixer housing (1).

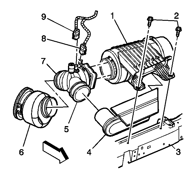
  4. Object Number: 734501  Size: SH
  5. Remove the bolts (2) from the air cleaner housing (1).
  6. Loosen the retaining clamp from the MAF sensor at the air cleaner housing (1).
  7. If equipped with a resonator (4), loosen the retaining clamp at the MAF sensor elbow (5).
  8. If equipped with a resonator (4), unclip the resonator from the air cleaner housing (1).
  9. Remove the air cleaner housing (1) from the vehicle.
  10. If equipped with a resonator (4), remove the resonator.
  11. Disconnect the MAF sensor and IAT sensor connectors (8, 9).
  12. Remove the LPR reference hose from the MAF sensor elbow.
  13. Loosen the retaining clamp from the MAF sensor elbow (7) at the fuel mixer housing (6).
  14. Remove the MAF sensor and elbow from the vehicle.

  15. Object Number: 735013  Size: SH
  16. Remove the bolts from the fuel mixer housing bracket (6).
  17. Remove the bracket (7) from the vehicle.
  18. Remove the fuel supply clamp and hose (5) from the fuel mixer.
  19. Remove the idle solenoid clamp and hose (4) from the idle solenoid.
  20. Remove the fuel control solenoid clamp and hose (3) from the fuel solenoid.
  21. Remove the throttle body adapter nut (2).
  22. Remove the throttle body adapter (1) and the fuel mixer housing (8) as an assembly from the vehicle.

Installation Procedure


    Object Number: 735013  Size: SH
  1. Install the throttle body adapter (1) and the fuel mixer housing (8) as an assembly into the vehicle.
  2. Notice: Use the correct fastener in the correct location. Replacement fasteners must be the correct part number for that application. Fasteners requiring replacement or fasteners requiring the use of thread locking compound or sealant are identified in the service procedure. Do not use paints, lubricants, or corrosion inhibitors on fasteners or fastener joint surfaces unless specified. These coatings affect fastener torque and joint clamping force and may damage the fastener. Use the correct tightening sequence and specifications when installing fasteners in order to avoid damage to parts and systems.

  3. Install the throttle body adapter nut (2).
  4. Tighten
    Tighten the nut to 4 N·m (35 lb in).

    Install the fuel control solenoid hose and clamp (3) from the fuel solenoid.

  5. Install the idle solenoid hose and clamp (4) from the idle solenoid.
  6. Install the fuel supply hose and clamp (5) to the fuel mixer.
  7. Loosely install all 3 mounting bolts (6) and the bracket (7).
  8. Tighten

        • Tighten the bracket to A/C bolt to 28 N·m (21 lb in).
        • Tighten the bracket to mixer cover bolts to 12 N·m (106 lb in).

    Object Number: 734501  Size: SH
  9. Install the MAF sensor and elbow (7) into the vehicle.
  10. Tighten
    Tighten the retaining clamp from the MAF sensor elbow (7) at the fuel mixer housing (6) to 7 N·m (62 lb in).

  11. Connect the LPR reference hose to the MAF sensor elbow (7).
  12. Connect the MAF sensor and IAT sensor connectors (8, 9).
  13. If equipped with a resonator (4), loosely install the resonator into the MAF sensor elbow (5).
  14. Install the air cleaner housing (1) into the vehicle.
  15. Tighten
    Tighten the retaining clamp from the MAF sensor elbow (4) at the air cleaner housing (1) to 7 N·m (62 lb in).

  16. If equipped with a resonator (4), clip the resonator to the bottom of the air cleaner housing (1).
  17. Tighten
    Tighten the retaining clamp from the MAF sensor elbow (5) at the resonator (4) to 7 N·m (62 lb in).

  18. Install the air cleaner housing (1) mounting bolts (2).
  19. Tighten
    Tighten the bolts to 11 N·m (97 lb in).


    Object Number: 728544  Size: SH
  20. Connect the PCV hose (2) to the fuel mixer housing (1).
  21. Install the engine cover. Refer to Engine Cover Replacement in Interior Trim in the G Van Service Manual.