GM Service Manual Online
For 1990-2009 cars only

Fuel Injection Fuel Rail Assembly Replacement KL6

Tools Required

J 45878 Combustible Gas Detector

Removal Procedure

    Caution: Natural gas is highly flammable. In order to reduce the risk of fire and personal injury, keep sparks, flames, and smoking materials away from the vehicle while you perform the Compressed Natural Gas (CNG) fuel system service.

    Caution: The Compressed Natural Gas (CNG) system operates at pressures up to 24820 kpa (3600 psi). Relieve the CNG fuel system pressure before servicing CNG fuel system components in order to reduce the risk of fire and personal injury.

  1. Relieve the CNG fuel system pressure. Refer to Fuel Pressure Relief .
  2. Relieve the gasoline fuel system pressure. Refer to Fuel Pressure Relief in Engine Controls in the G/H Van service manual.
  3. Disconnect the negative battery cable. Refer to Battery Negative Cable Disconnection and Connection in Engine Electrical in the G/H Van service manual.

  4. Object Number: 859479  Size: SH
  5. Remove the engine cover. Refer to Engine Cover Replacement in Interior Trim in the G/H Van service manual.
  6. Before removal, clean the fuel rail assemblies with a spray type engine cleaner, GM X-30A or equivalent, if necessary. Follow the package instructions. Do not soak fuel rails in liquid cleaning solvent.

  7. Object Number: 893533  Size: SH
  8. Disconnect the CNG fuel lines (7, 8, 10) from the fuel rails.
  9. Disconnect the fuel rail temperature and pressure sensor electrical connectors (3, 4).
  10. Disconnect the low pressure lock-off solenoid connector.
  11. Important: Identify the injector connectors to their corresponding engine cylinder to ensure correct sequential injector firing order after reassembly.

  12. Disconnect the 8 CNG fuel injector electrical connectors (2, 12).

  13. Object Number: 389853  Size: SH
  14. Disconnect the accelerator control cable and the cruise control cable from the cable bracket.

  15. Object Number: 600833  Size: SH
  16. Disconnect the cruise control cable engine-end fitting from the stud on the throttle lever, if equipped.

  17. Object Number: 389031  Size: SH
  18. Disconnect the accelerator control cable and the cruise control cable from the throttle body.

  19. Object Number: 310125  Size: SH
  20. Remove the upper engine wire harness retainer nut.
  21. Disconnect the evaporative emission (EVAP) purge valve harness connector.
  22. Reposition the upper engine wire harness aside.

  23. Object Number: 820976  Size: SH
  24. Mark the electrical connectors to their corresponding gasoline injectors to ensure correct sequential injector firing order after reassembly.
  25. Important: When disconnecting Multec 2 fuel injector connectors, DO NOT use pliers or other hand tools, as the connector ends may become mangled and be rendered useless.

  26. Pull the connector position assurance (CPA) (2) of the injector connector up.
  27. Pull the tab (1) on the injector connector in.

  28. Object Number: 820977  Size: SH
  29. While pushing the tab (1) on the injector connector in, release the CPA (2).
  30. Disconnect the fuel injector electrical connector.
  31. Repeat steps for each injector connector.

  32. Object Number: 300360  Size: SH
  33. Disconnect the fuel feed and return pipes (1, 2) from the fuel rail.
  34. Disconnect the fuel pressure regulator vacuum line.
  35. Loosen the crossover tube to right fuel rail retainer screw.

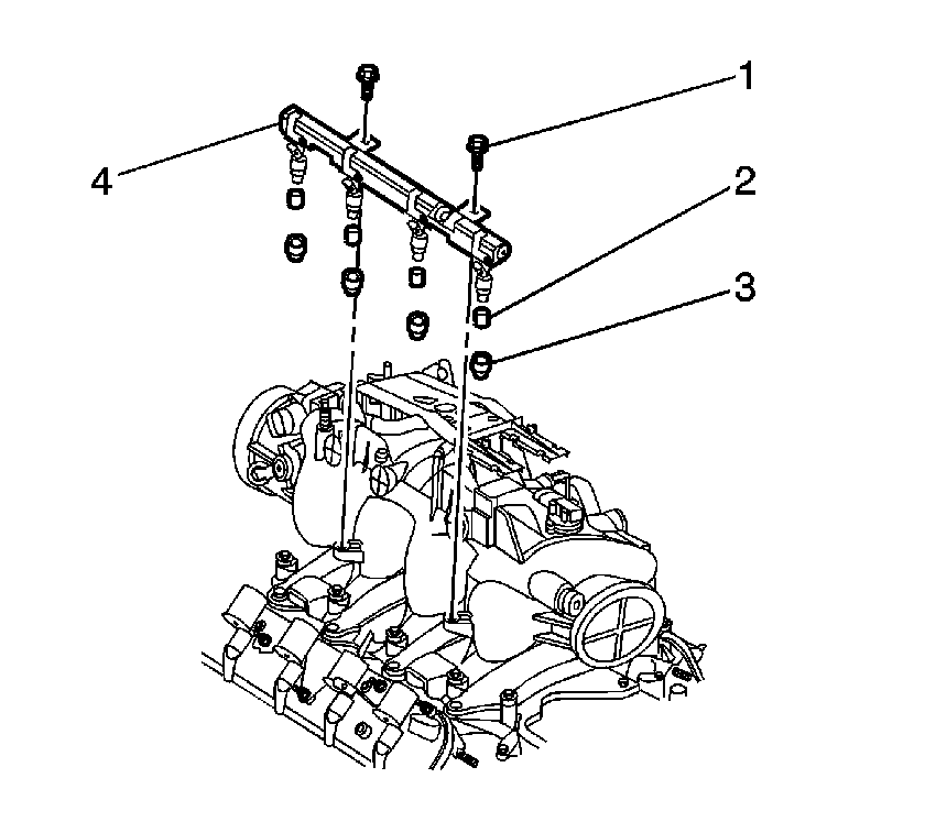
  36. Object Number: 893536  Size: SH
  37. Remove the right fuel rail attaching nuts (1).

  38. Object Number: 893537  Size: SH
  39. Remove the left fuel rail attaching nuts (1).
  40. Notice: 

       • Remove the fuel rail assembly carefully in order to prevent damage to the injector electrical connector terminals and the injector spray tips. Support the fuel rail after the fuel rail is removed in order to avoid damaging the fuel rail components.
       • Cap the fittings and plug the holes when servicing the fuel system in order to prevent dirt and other contaminants from entering open pipes and passages.

  41. Remove the gasoline and CNG fuel rails as an assembly.

Disassembly Procedure

  1. Remove the crossover tube rail retainer screws.
  2. Remove the crossover tube.

  3. Object Number: 926102  Size: SH
  4. Remove the injector (7) retainer bolt and clip (10).
  5. Remove the injector from the fuel rail with a pulling a twisting motion.
  6. Remove the fuel injector retainer (9) from the fuel injector.
  7. Repeat steps for the remaining fuel injectors.
  8. Remove the fuel rail pressure (FRP) sensor (13) and discard the O-ring.
  9. Remove the fuel rail temperature (FRT) sensor (11) and discard the O-ring.
  10. Remove the low pressure lock-off (LPL) solenoid (2) mounting screws (1) and discard the O-ring (12).

Assembly Procedure


    Object Number: 926102  Size: SH

    Caution: Natural gas is stored under high pressure. If a leak occurs, the high pressure could cause a personal injury. In order to prevent Compressed Natural Gas (CNG) fuel leaks, always replace the CNG fuel system O-rings during service.

  1. Install the CNG fuel injector (7) into the fuel rail (5) using a new O-ring (6). Lubricate the new O-ring with petroleum jelly.
  2. Notice: Refer to Fastener Notice in the Preface section.

  3. Install the CNG fuel injector retainer bolt and clip (10).
  4. Tighten
    Tighten the retainer bolt to 7 N·m (61 lb in).

  5. Lubricate the new CNG injector tip O-ring (8) with clean engine oil.
  6. Install a new gasoline injector body seal into the fuel injector retainer (9).
  7. Lubricate the new gasoline injector body seal with clean engine oil.
  8. Repeat steps 1, 2 and 3 for the remaining fuel injectors.
  9. Install the fuel rail pressure (FRP) sensor (13) using a new O-ring. Lubricate the O-ring with petroleum jelly or equivalent before installation.
  10. Tighten
    Tighten the FRP sensor to 8 N·m (71 lb in).

  11. Install the fuel rail temperature (FRT) sensor (11) using a new O-ring. Lubricate the O-ring with petroleum jelly or equivalent before installation.
  12. Tighten
    Tighten the FRP sensor to 13 N·m (10 lb ft).

  13. Install the low pressure lock-off (LPL) solenoid (2) to the fuel rail (5) using a new O-ring (12). Lubricate the O-ring with petroleum jelly or equivalent before installation.
  14. Tighten
    Tighten the mounting screws to 4 N·m (35 lb in).


    Object Number: 351185  Size: SH

    Important: When installing new gasoline fuel injectors on KL6 equipped vehicles, remove and discard the gasoline fuel injector lower seal (O-ring). If the gasoline fuel injector is installed with the lower seal in place, the flow of compressed natural gas (CNG) fuel through the fuel injector retainer will be restricted. Restricted CNG fuel flow through the retainer will result in a cylinder misfire while operating on CNG.

  15. Remove and discard the gasoline injector lower O-ring seal (4) from new service replacement injectors.
  16. Install new O-ring seals  (2) when re-using gasoline fuel injectors.
  17. Install the gasoline fuel injector into the fuel rail.
  18. Install the fuel injector retainer clip.
  19. Install the end of each fuel injector into the injector retainer.
  20. Repeat steps for the remaining injectors.

  21. Object Number: 893536  Size: SH
  22. Assemble the CNG fuel injectors into the fuel injector adapters (3).

  23. Object Number: 350543  Size: SH
  24. Install new O-rings on the crossover tube (25).
  25. Lubricate the new O-rings with clean engine oil.
  26. Install the crossover tube (25) into the fuel rails (14, 15).
  27. Loosely install the crossover tube fuel rail retainers (5, 21).

Installation Procedure


    Object Number: 893536  Size: SH
  1. Install the fuel rail assemblies onto the intake manifold.
  2. Notice: Use the correct fastener in the correct location. Replacement fasteners must be the correct part number for that application. Fasteners requiring replacement or fasteners requiring the use of thread locking compound or sealant are identified in the service procedure. Do not use paints, lubricants, or corrosion inhibitors on fasteners or fastener joint surfaces unless specified. These coatings affect fastener torque and joint clamping force and may damage the fastener. Use the correct tightening sequence and specifications when installing fasteners in order to avoid damage to parts and systems.

  3. Apply a 5 mm (0.020 in) band of GM P/N 1234382 threadlock, or equivalent, to the threads of all of the fuel rail attaching studs.
  4. Install the right fuel rail attaching nuts (1).
  5. Tighten
    Tighten the bolts to 4 N·m (35 lb in).


    Object Number: 893537  Size: SH
  6. Install the left fuel rail attaching nuts (1).
  7. Tighten
    Tighten the nuts to 4 N·m (35 lb in).

  8. Tighten the gasoline crossover pipe retainer screws to 3.8 N·m (34 lb in).

  9. Object Number: 893533  Size: SH
  10. Connect the fuel injector electrical connectors to the corresponding engine cylinder injector for both gasoline and CNG (1, 2, 11, 12).
  11. Connect the CNG fuel rail pressure sensor (4) and temperature sensor (3) electrical connectors.
  12. Connect the low pressure lock-off solenoid electrical connector.
  13. Connect the CNG fuel inlet line (8) using a NEW copper sealing washer.
  14. Tighten
    Tighten the fuel line fitting to 37 N·m (27 lb ft).

  15. Connect the CNG fuel crossover line (7, 10) using NEW copper sealing washers.
  16. Tighten
    Tighten the fuel line fittings to 27 N·m (20 lb ft).


    Object Number: 300360  Size: SH
  17. Connect the fuel pressure regulator vacuum line.
  18. Connect the gasoline fuel feed and return pipes (1, 2) to the fuel rail.

  19. Object Number: 310125  Size: SH
  20. Position the upper engine wire harness in place.
  21. Connect the EVAP purge solenoid connector.
  22. Install the retainer nut to the upper engine wire harness.
  23. Tighten
    Tighten the nut to 5.5 N·m (49 lb in).


    Object Number: 389853  Size: SH
  24. Connect the accelerator control cable and the cruise control cable to the cable bracket.

  25. Object Number: 389031  Size: SH
  26. Connect the accelerator control cable and the cruise control cable to the throttle body.

  27. Object Number: 600833  Size: SH
  28. Connect the cruise control cable engine-end fitting to the stud on the throttle lever, if equipped.
  29. Install the negative battery cable. Refer to Battery Negative Cable Disconnection and Connection in Engine Electrical in the G/H Van service manual.
  30. Start the vehicle and inspect for CNG fuel leaks at the serviced fittings with the J 45878 or an equivalent leak detector.
  31. With a scan tool command a switch-over to gasoline and inspect for gasoline fuel leaks.

  32. Object Number: 859479  Size: SH
  33. Install the engine cover. Refer to Engine Cover Replacement in Interior Trim in the G/H Van service manual.

Fuel Injection Fuel Rail Assembly Replacement KL8

Tools Required

J 45878 Combustible Gas Detector

Removal Procedure

    Caution: Natural gas is highly flammable. In order to reduce the risk of fire and personal injury, keep sparks, flames, and smoking materials away from the vehicle while you perform the Compressed Natural Gas (CNG) fuel system service.

    Caution: The Compressed Natural Gas (CNG) system operates at pressures up to 24820 kpa (3600 psi). Relieve the CNG fuel system pressure before servicing CNG fuel system components in order to reduce the risk of fire and personal injury.

  1. Relieve the CNG fuel system pressure. Refer to Fuel Pressure Relief .
  2. Disconnect the negative battery cable. Refer to Battery Negative Cable Disconnection and Connection in Engine Electrical in the G/H Van service manual.

  3. Object Number: 859479  Size: SH
  4. Remove the engine cover. Refer to Engine Cover Replacement in Interior Trim in the G/H Van service manual.
  5. Before removal, clean the fuel rail assemblies with a spray type engine cleaner, GM X-30A or equivalent, if necessary. Follow the package instructions. Do not soak fuel rails in liquid cleaning solvent.

  6. Object Number: 893533  Size: SH
  7. Disconnect the CNG fuel lines (7, 8, 10) from the fuel rails.
  8. Disconnect the fuel rail temperature and pressure sensor electrical connectors (3, 4).
  9. Disconnect the low pressure lock-off solenoid connector.
  10. Important: Identify the injector connectors to their corresponding engine cylinder to ensure correct sequential injector firing order after reassembly.

  11. Disconnect the 8 CNG fuel injector electrical connectors (2, 12).

  12. Object Number: 389853  Size: SH
  13. Disconnect the accelerator control cable and the cruise control cable from the cable bracket.

  14. Object Number: 600833  Size: SH
  15. Disconnect the cruise control cable engine-end fitting from the stud on the throttle lever, if equipped.

  16. Object Number: 389031  Size: SH
  17. Disconnect the accelerator control cable and the cruise control cable from the throttle body.

  18. Object Number: 310125  Size: SH
  19. Remove the upper engine wire harness retainer nut.
  20. Reposition the upper engine wire harness aside.

  21. Object Number: 893534  Size: SH
  22. Remove the right fuel rail attaching bolts (1).
  23. Notice: 

       • Remove the fuel rail assembly carefully in order to prevent damage to the injector electrical connector terminals and the injector spray tips. Support the fuel rail after the fuel rail is removed in order to avoid damaging the fuel rail components.
       • Cap the fittings and plug the holes when servicing the fuel system in order to prevent dirt and other contaminants from entering open pipes and passages.

  24. Remove the CNG fuel rail.

  25. Object Number: 893535  Size: SH
  26. Remove the left fuel rail attaching bolts (1).
  27. Remove the CNG fuel rail.

Dissassembly Procedure


    Object Number: 926102  Size: SH
  1. Remove the injector (7) retainer bolt and clip (10).
  2. Remove the injector from the fuel rail with a pulling a twisting motion.
  3. Repeat steps for the remaining fuel injectors.
  4. Remove the fuel rail pressure (FRP) sensor (13) and discard the O-ring.
  5. Remove the fuel rail temperature (FRT) sensor (11) and discard the O-ring.
  6. Remove the low pressure lock-off (LPL) solenoid (2) mounting screws (1) and discard the O-ring (12).

Assembly Procedure


    Object Number: 926102  Size: SH

    Caution: Natural gas is stored under high pressure. If a leak occurs, the high pressure could cause a personal injury. In order to prevent Compressed Natural Gas (CNG) fuel leaks, always replace the CNG fuel system O-rings during service.

  1. Install the fuel injector (7) into the fuel rail (5) using a new O-ring (6). Lubricate the new O-ring with petroleum jelly.
  2. Notice: Refer to Fastener Notice in the Preface section.

  3. Install the fuel injector retainer bolt and clip (10).
  4. Tighten
    Tighten the retainer bolt to 7 N·m (61 lb in).

  5. Lubricate the new injector tip O-ring (8) with clean engine oil.
  6. Repeat steps 1, 2 and 3 for the remaining fuel injectors.
  7. Install the fuel rail pressure (FRP) sensor (13) using a new O-ring. Lubricate the O-ring with petroleum jelly or equivalent before installation.
  8. Tighten
    Tighten the FRP sensor to 8 N·m (71 lb in).

  9. Install the fuel rail temperature (FRT) sensor (11) using a new O-ring. Lubricate the O-ring with petroleum jelly or equivalent before installation.
  10. Tighten
    Tighten the FRP sensor to 13 N·m (10 lb ft).

  11. Install the low pressure lock-off (LPL) solenoid (2) to the fuel rail (5) using a new O-ring (12). Lubricate the O-ring with petroleum jelly or equivalent before installation.
  12. Tighten
    Tighten the mounting screws to 4 N·m (35 lb in).

Installation Procedure


    Object Number: 893534  Size: SH
  1. Install the fuel rail assemblies onto the intake manifold.
  2. Notice: Use the correct fastener in the correct location. Replacement fasteners must be the correct part number for that application. Fasteners requiring replacement or fasteners requiring the use of thread locking compound or sealant are identified in the service procedure. Do not use paints, lubricants, or corrosion inhibitors on fasteners or fastener joint surfaces unless specified. These coatings affect fastener torque and joint clamping force and may damage the fastener. Use the correct tightening sequence and specifications when installing fasteners in order to avoid damage to parts and systems.

  3. Apply a 5 mm (0.020 in) band of GM P/N 1234382 threadlock, or equivalent, to the threads of all of the fuel rail attaching bolts.
  4. Install the right fuel rail attaching bolts (1).
  5. Tighten
    Tighten the bolts to 4 N·m (35 lb in).


    Object Number: 893535  Size: SH
  6. Install the left fuel rail attaching bolts (1).
  7. Tighten
    Tighten the bolts to 4 N·m (35 lb in).


    Object Number: 893533  Size: SH
  8. Connect the fuel injector electrical connectors to the corresponding engine cylinder injector (2, 12).
  9. Connect the CNG fuel rail pressure sensor (4) and temperature sensor (3) electrical connectors.
  10. Connect the low pressure lock-off solenoid electrical connector.
  11. Connect the CNG fuel inlet line (8) using a NEW copper sealing washer.
  12. Tighten
    Tighten the fuel line fitting to 37 N·m (27 lb ft).

  13. Connect the CNG fuel crossover line (7, 10) using NEW copper sealing washers.
  14. Tighten
    Tighten the fuel line fittings to 27 N·m (20 lb ft).


    Object Number: 310125  Size: SH
  15. Position the upper engine wire harness in place.
  16. Install the retainer nut to the upper engine wire harness.
  17. Tighten
    Tighten the nut to 5.5 N·m (49 lb in).


    Object Number: 389853  Size: SH
  18. Connect the accelerator control cable and the cruise control cable to the cable bracket.

  19. Object Number: 389031  Size: SH
  20. Connect the accelerator control cable and the cruise control cable to the throttle body.

  21. Object Number: 600833  Size: SH
  22. Connect the cruise control cable engine-end fitting to the stud on the throttle lever, if equipped.
  23. Install the negative battery cable. Refer to Battery Negative Cable Disconnection and Connection in Engine Electrical in the G/H Van service manual.
  24. Start the vehicle and inspect for CNG fuel leaks at the serviced fittings with the J 45878 or an equivalent leak detector.

  25. Object Number: 859479  Size: SH
  26. Install the engine cover. Refer to Engine Cover Replacement in Interior Trim in the G/H Van service manual.