GM Service Manual Online
For 1990-2009 cars only
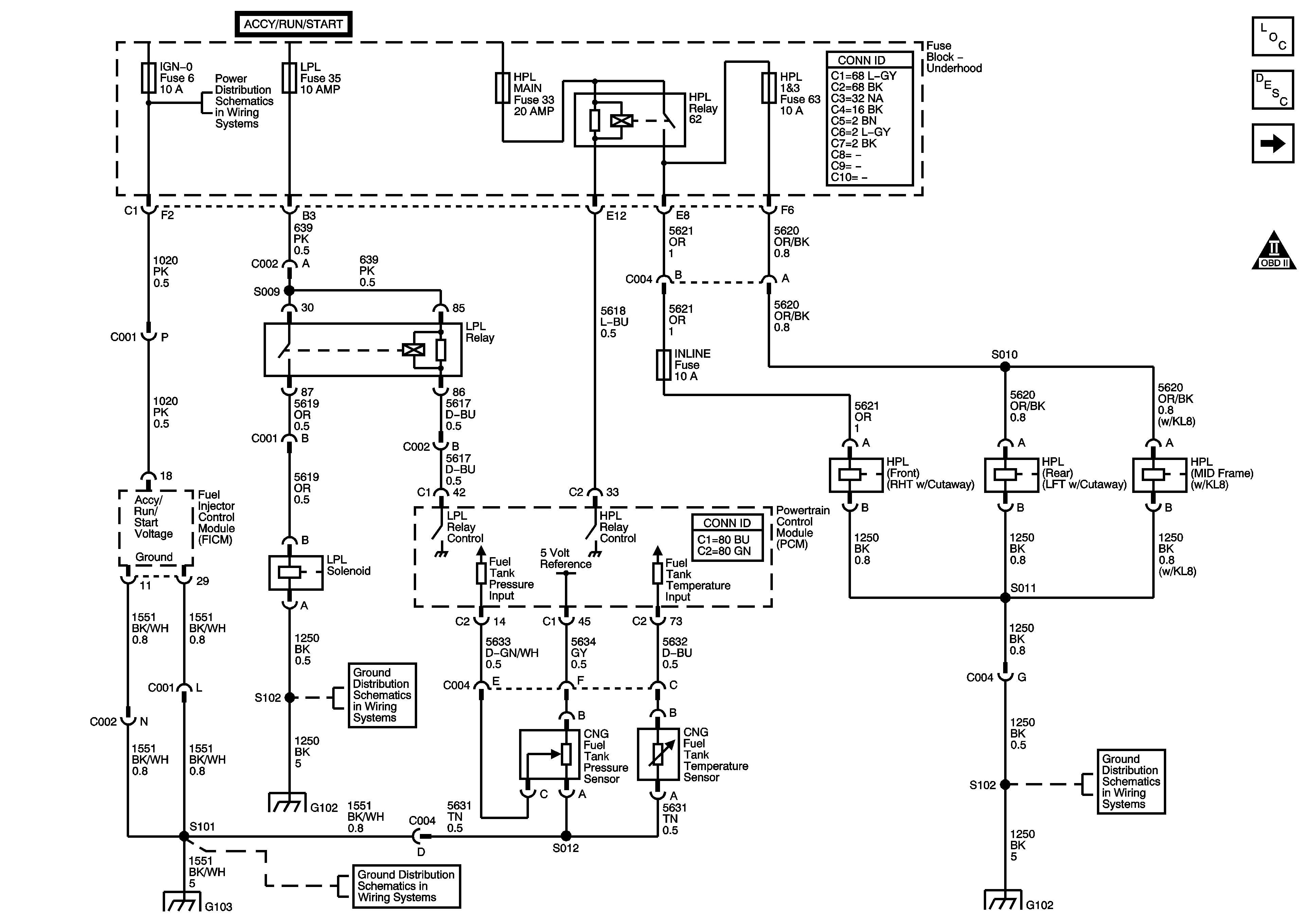
Figure 1:

Power, Ground, Solenoids -- Fuel, Sensors -- Tank


Object Number: 882529  Size: FS
Engine Controls Components
Fuel System Description
Sensors - Rail, Injector Signal (w/o JL4)
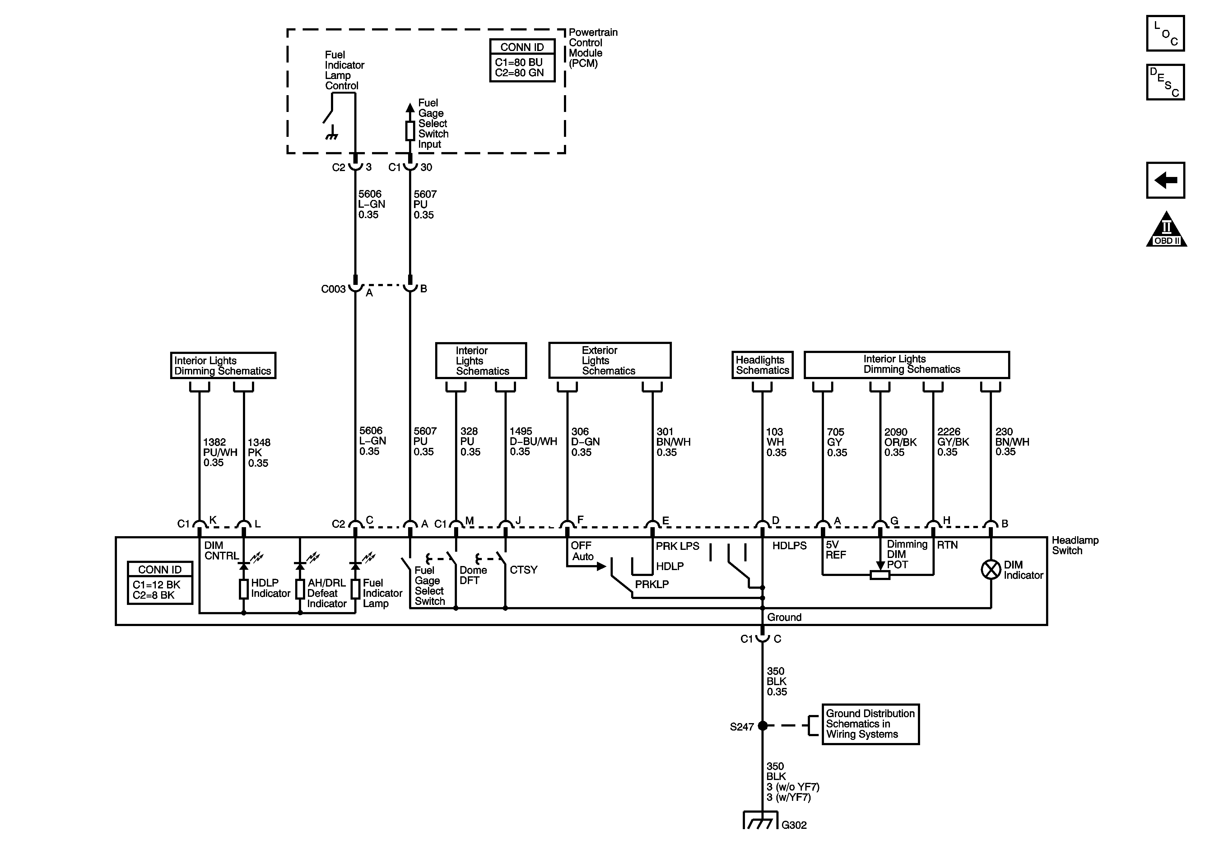
Fuel Gage Select Switch, Fuel Indicator Lamp
OBD II Symbol Description Notice
Figure 2:

Sensors -- Rail, Injector Signal (w/o JL4)


Object Number: 882532  Size: FS
Engine Controls Components
Fuel System Description
Sensors - Rail, Injector Signal (JL4)
Power, Grounds, Solenoids - Fuel, Sensors - Tank
OBD II Symbol Description Notice
Figure 3:

Sensors -- Rail, Injector Signal (JL4)


Object Number: 1522405  Size: FS
Engine Controls Components
Fuel System Description
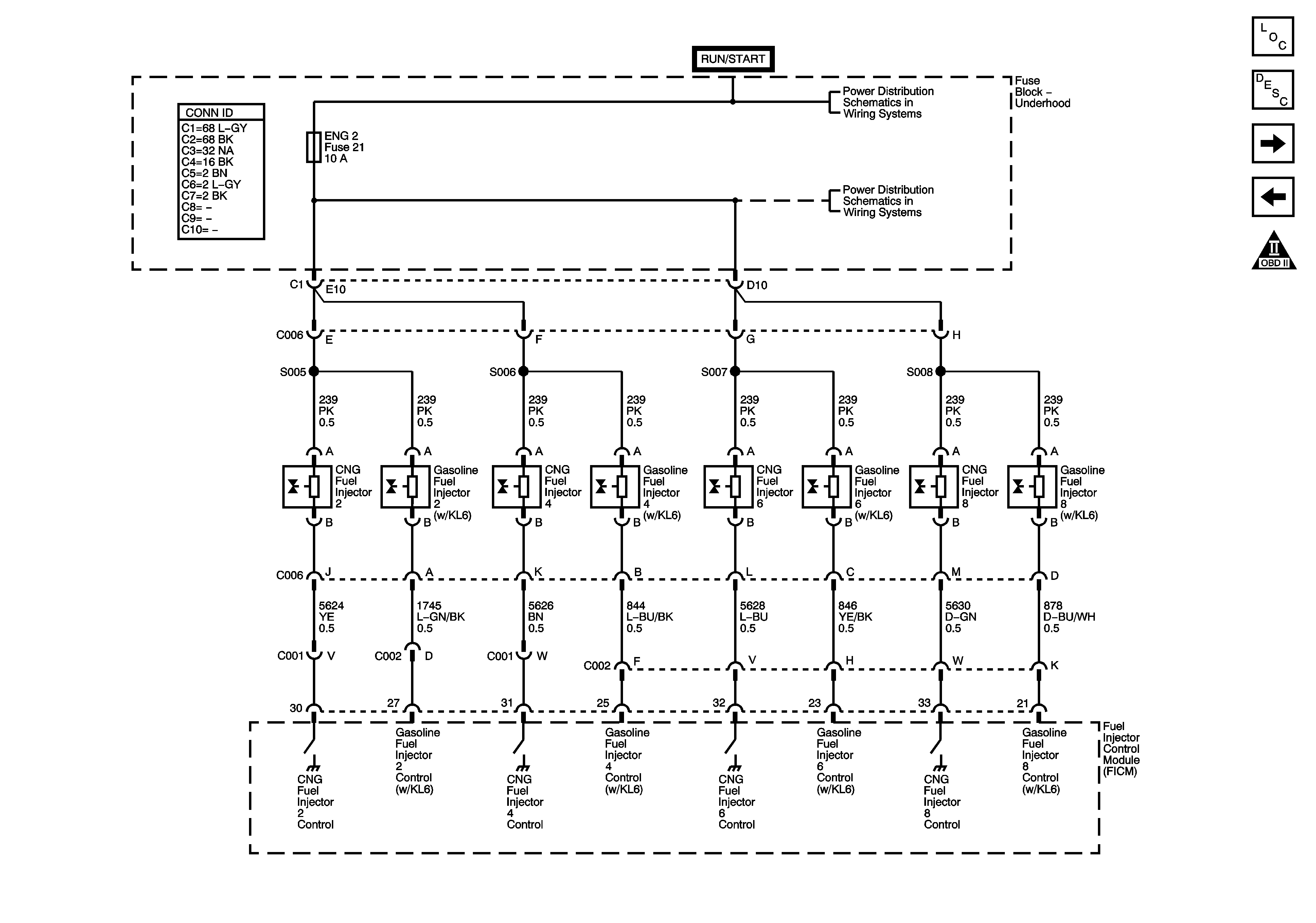
Injector Control - Odd Bank
Sensors - Rail, Injector Signal (w/o JL4)
OBD II Symbol Description Notice
Figure 4:

Injector Control -- Odd Bank


Object Number: 882541  Size: FS
Engine Controls Components
Fuel System Description
Injector Control - Even Bank
Sensors - Rail, Injector Signal (JL4)
OBD II Symbol Description Notice
Figure 5:

Injector Control -- Even Bank


Object Number: 882547  Size: FS
Engine Controls Components
Fuel System Description
Fuel Gage Select Switch, Fuel Indicator Lamp
Injector Control - Odd Bank
OBD II Symbol Description Notice
Figure 6:

Fuel Gage Select Switch, Fuel Indicator Lamp


Object Number: 882553  Size: FS
Engine Controls Components
Fuel System Description
Power, Grounds, Solenoids - Fuel, Sensors - Tank
Injector Control - Even Bank
Powertrain Control Module Connector End Views
Interior Lights Dimming Schematics
Interior Lights Schematics
Exterior Lights Schematics
Headlights Schematics
Interior Lights Dimming Schematics
Ground Distribution Schematics