GM Service Manual Online
For 1990-2009 cars only

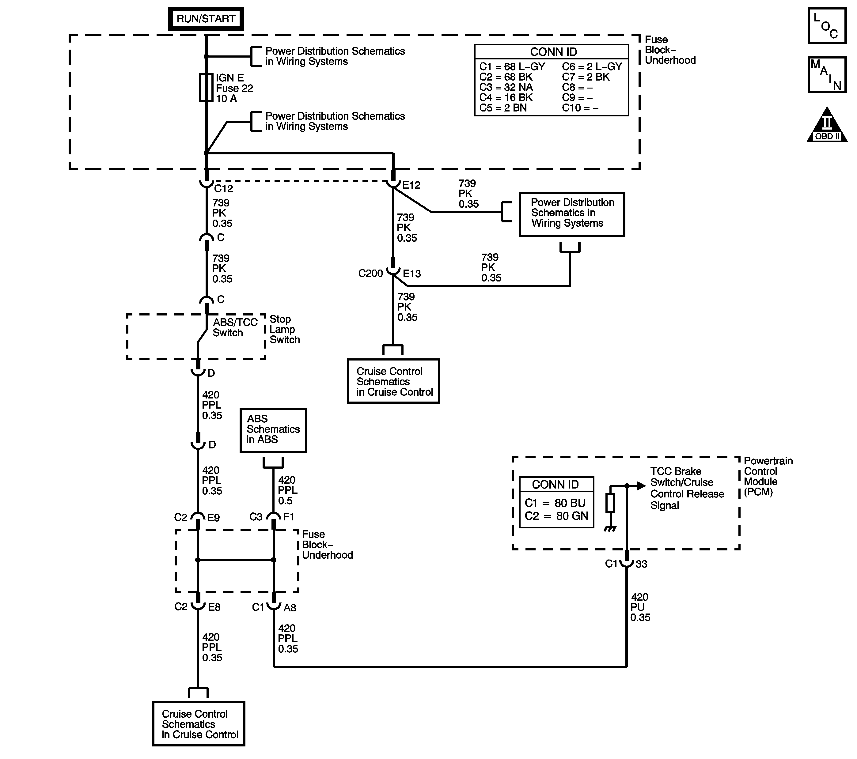
Object Number: 1309836  Size: LF
Master Electrical Component List
Automatic Transmission Controls Schematics
OBD II Symbol Description Notice

Circuit Description

The brake switch indicates brake pedal status to the powertrain control module (PCM). The brake switch is a normally-closed switch that supplies battery voltage on the torque converter clutch (TCC) brake switch signal circuit to the PCM. Applying the brake pedal opens the switch, interrupting voltage to the PCM. When the brake pedal is released, the PCM receives a constant voltage signal. If the PCM receives a zero voltage signal at the brake switch input, and the TCC is engaged, the PCM de-energizes the TCC solenoid valve. The PCM disregards the brake switch input for TCC scheduling if there is a brake switch circuit fault.

When the PCM detects an open brake switch circuit, 0 volts, low input, during accelerations, then DTC P0719 sets. DTC P0719 is a type C DTC.

Conditions for Running the DTC

    • No VSS assembly DTCs P0502 or P0503.
    • The ignition is ON.
    • DTC P0719 has not passed.

Conditions for Setting the DTC

The PCM detects an open brake switch or circuit, 0 volts, for 15 minutes without changing for 2 seconds, and the following events occur eight times:

    • The vehicle speed is less than 8 km/h (5 mph);
    • Then the vehicle speed is 8-32 km/h (5-20 mph) for 4 seconds;
    • Then the vehicle speed is greater than 32 km/h (20 mph) for 6 seconds.

Action Taken When the DTC Sets

    • The PCM does not illuminate the malfunction indicator lamp (MIL).
    • The PCM disregards the brake switch input for TCC scheduling.
    • The PCM uses throttle position and vehicle speed to determine application and release of the TCC.
    • The PCM records the operating conditions when the Conditions for Setting the DTC are met. The PCM stores this information as Failure Records.
    • The PCM stores DTC P0719 in PCM history.

Conditions for Clearing the DTC

    • A scan tool can clear the DTC.
    • The PCM clears the DTC from PCM history if the vehicle completes 40 warm-up cycles without a non-emission-related diagnostic fault occurring.
    • The PCM cancels the DTC default actions when the fault no longer exists and/or the ignition switch is OFF long enough in order to power down the PCM.

Diagnostic Aids

    • Inspect the brake switch for proper mounting and operation.
    • Inspect for antilock brake system (ABS) DTCs. A faulty ABS condition may contribute to setting DTC P0719.

Test Description

The number below refers to the step number on the diagnostic table.

  1. This step isolates the brake switch as a source for setting the DTC.

DTC P0719

Step

Action

Value(s)

Yes

No

1

Did you perform the Diagnostic System Check - Engine Controls?

--

Go to Step 2

Go to Diagnostic System Check - Engine Controls in Engine Controls - 4.3L or Diagnostic System Check - Engine Controls in Engine Controls - 4.8L, 5.3L and 6.0L

2

  1. With a scan tool.
  2. Turn ON the ignition, with the engine OFF.
  3. Important: Before clearing the DTC, use the scan tool in order to record the Failure Records. Using the Clear Info function erases the Failure Records from the PCM.

  4. Record the DTC Failure Records.
  5. Clear the DTC.
  6. Select TCC Brake Switch on the scan tool.
  7. Caution: Refer to SIR Caution in the Preface section.

  8. Disconnect the brake switch connector from the brake switch.
  9. Connect a test lamp from terminal D of the brake switch connector to ground.

Does the test lamp illuminate?

--

Go to Step 3

Go to Step 4

3

Connect a fused jumper wire between terminal C and terminal D of the brake switch connector.

Did the TCC Brake Switch status on the scan tool change from Open to Closed?

--

Go to Step 7

Go to Step 9

4

Inspect the brake fuse for an open. Refer to Circuit Protection - Fuses in Wiring Systems.

Is the fuse open?

--

Go to Step 5

Go to Step 8

5

Test the ignition E voltage circuit of the brake switch for a short to ground. Refer to Testing for Short to Ground and Wiring Repairs in Wiring Systems.

Did you find and correct the condition?

--

Go to Step 11

Go to Step 6

6

Important: The condition that affects this circuit may exist in other connecting branches of the circuit. Refer to Power Distribution Schematics in Wiring Systems for complete circuit distribution.

Test the TCC brake switch/cruise control release signal circuit of the brake switch for a short to ground. Refer to Testing for Short to Ground and Wiring Repairs in Wiring Systems.

Did you find and correct the condition?

--

Go to Step 11

Go to Step 10

7

Replace the brake switch. Refer to Stop Lamp Switch Replacement in Lighting Systems.

Did you complete the replacement?

--

Go to Step 11

--

8

Test the ignition 3 voltage circuit of the brake switch for an open. Refer to Testing for Continuity and Wiring Repairs in Wiring Systems.

Did you find and correct the condition?

--

Go to Step 11

--

9

Important: The condition that affects this circuit may exist in other connecting branches of the circuit. Refer to Power Distribution Schematics in Wiring Systems for complete circuit distribution.

Test the signal circuit of the brake switch for an open. Refer to Testing for Continuity and Wiring Repairs in Wiring Systems.

Did you find and correct the condition?

--

Go to Step 11

Go to Step 10

10

Replace the PCM. Refer to Powertrain Control Module Replacement in Engine Controls - 4.3L or Powertrain Control Module Replacement in Engine Controls - 4.8L, 5.3L and 6.0L.

Did you complete the replacement?

--

Go to Step 11

--

11

Perform the following procedure in order to verify the repair:

  1. Select DTC.
  2. Select Clear Info.
  3. Turn ON the ignition, with the engine OFF.
  4. Apply and release the brake pedal.
  5. Verify that the scan tool TCC Brake Switch status indicates Closed, 12 volts, for 2 seconds.
  6. Select Specific DTC.
  7. Enter DTC P0719.

Has the test run and passed?

--

Go to Step 12

Go to Step 2

12

With the scan tool, observe the stored information, capture info, and DTC Info.

Does the scan tool display any DTCs that you have not diagnosed?

--

Go to Diagnostic Trouble Code (DTC) List in Engine Controls - 4.3L or Diagnostic Trouble Code (DTC) List in Engine Controls - 4.8L, 5.3L and 6.0L

System OK