GM Service Manual Online
For 1990-2009 cars only

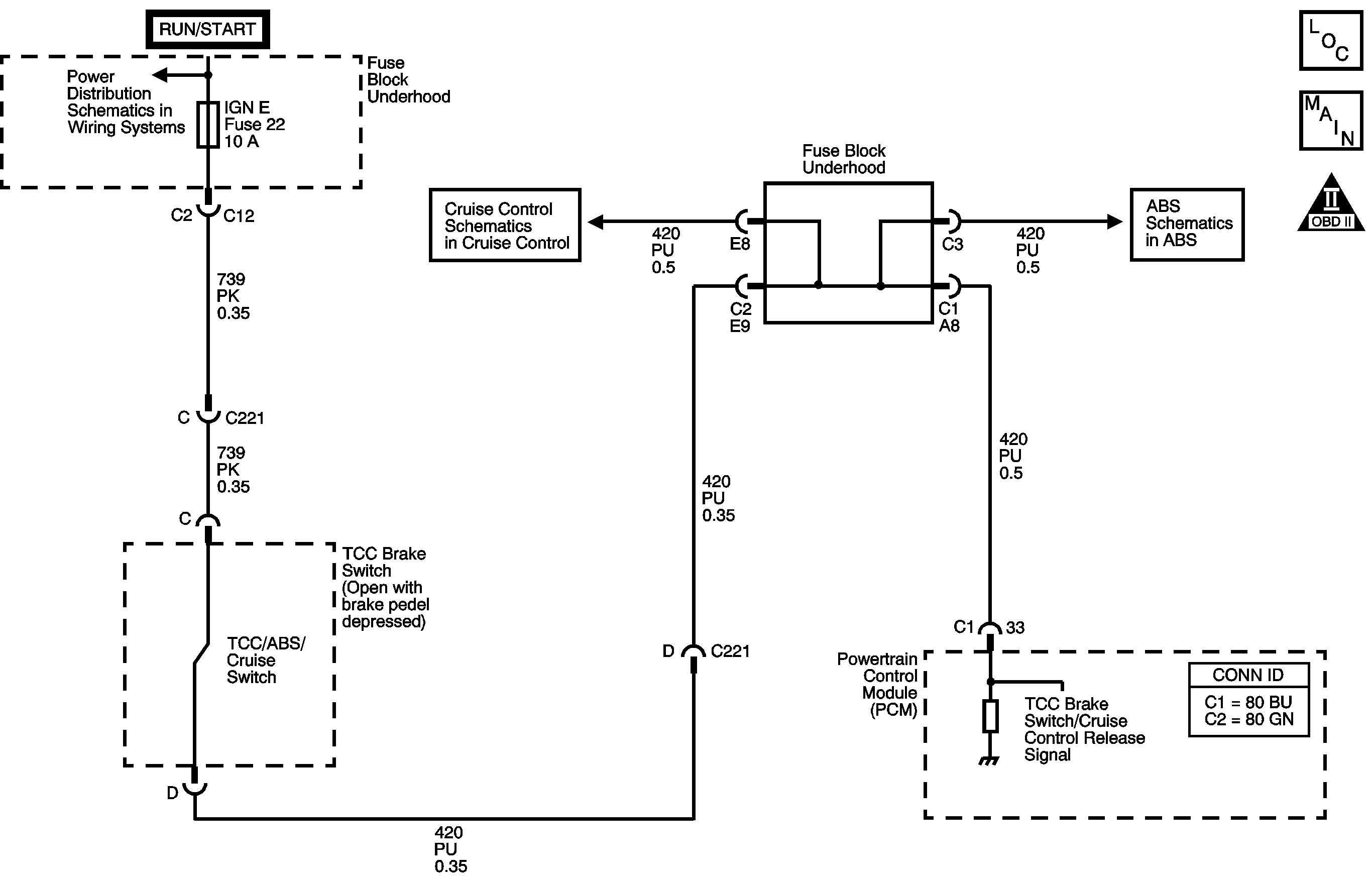
Object Number: 1442857  Size: MF
Master Electrical Component List
Automatic Transmission Controls Schematics
OBD II Symbol Description Notice

Circuit Description

The TCC brake switch indicates the brake pedal status. The normally closed TCC brake switch supplies a B+ signal to the powertrain control module (PCM). The signal voltage circuit opens when the brakes are applied.

If the PCM detects an open TCC brake switch circuit during accelerations, then DTC P0719 sets. DTC P0719 is a type C DTC.

Conditions for Running the DTC

    • No VSS DTCs.
    • The ignition switch is in the ON position.
    • The system voltage is 8-18 volts.

Conditions for Setting the DTC

DTC P0719 sets if the PCM detects an open brake switch or circuit, 0 volts, during vehicle acceleration and the following conditions occur eight times:

    • The vehicle speed is less than 8 km/h (5 mph).
    • Then, the vehicle speed is 8-40 km/h (5-25 mph) for 1.7 seconds.
    • Then, the vehicle speed is greater than 40 km/h (25 mph) for 7 seconds.

Action Taken When the DTC Sets

    • The PCM does not illuminate the malfunction indicator lamp (MIL).
    • For TCC scheduling, the PCM disregards the brake switch state if the TP sensor is 1.5 percent or greater and the vehicle speed is 32 km/h (20 mph) or greater.
    • The PCM records the operating conditions when the Conditions for Setting the DTC are met. The PCM stores this information as Failure Records.
    • The PCM stores DTC P0719 in PCM history.

Conditions for Clearing the DTC

    • A scan tool clears the DTC from PCM history.
    • The PCM clears the DTC from PCM history if the vehicle completes 40 warm-up cycles without a non-emission related diagnostic fault occurring.
    • The PCM cancels the DTC default actions when the fault no longer exists and the ignition switch is OFF long enough in order to power down the PCM.

Diagnostic Aids

Inspect the brake switch for proper mounting and operation.

Test Description

The numbers below refer to the step numbers on the diagnostic table.

  1. This step tests for TCC brake switch voltage to the PCM connector.

  2. This step isolates the TCC brake switch as a source for setting the DTC.

  3. This step tests for a short to ground in the voltage circuit to the TCC brake switch.

  4. This step tests for a short to ground in the TCC brake switch circuit, from the TCC brake switch to the PCM.

  5. This step isolates the PCM as a source for causing the fuse to open.

Step

Action

Value(s)

Yes

No

1

Did you perform the Diagnostic System Check - Engine Controls?

--

Go to Step 2

Go to Diagnostic System Check - Engine Controls in Engine Controls - 4.8L, 5.3L, and 6.0L

2

  1. Install a scan tool.
  2. Turn ON the ignition, with the engine OFF.
  3. Important: Before clearing the DTCs, use the scan tool in order to record the Failure Records. Using the Clear Info function erases the Failure Records from the PCM.

  4. Record the Failure Records.
  5. Clear the DTCs.
  6. Caution: Refer to SIR Caution in the Preface section.

  7. Select the TCC Brake Switch on the scan tool.
  8. Do not apply the brake pedal.

Does the scan tool TCC Brake Switch indicate CLOSED, when the brake pedal is not applied?

--

Go to Intermittent Conditions in Engine Controls - 4.8L, 5.3L, and 6.0L

Go to Step 3

3

  1. Remove the IGN E fuse.
  2. Inspect the fuse for an open. Refer to Circuit Protection - Fuses in Wiring Systems.

Is the fuse open?

--

Go to Step 10

Go to Step 4

4

  1. Turn OFF the ignition.
  2. Disconnect the PCM connector C1 from the PCM.
  3. Connect a 12 volt test lamp to a good ground.
  4. Using the J 35616 GM Terminal Test Kit and the 12 volt test lamp, probe terminal C1-33.
  5. Install the fuse.
  6. Turn ON the ignition, with the engine OFF.
  7. Do not apply the brake pedal.

Does the test lamp illuminate?

--

Go to Step 15

Go to Step 5

5

  1. Turn OFF the ignition.
  2. Remove the connector from the TCC Brake switch.
  3. Use the DMM to measure B+ voltage at terminal D of the brake switch connector.
  4. Turn ON the ignition, with the engine OFF.

Does the voltage measure within the specified value?

10-13 V

Go to Step 7

Go to Step 6

6

Important: The condition that affects this circuit may exist in other connecting branches of the circuit. Refer to Power Distribution Schematics in Wiring Systems for complete circuit distribution.

Test the Ignition E voltage circuit for an open.

Did you find and correct the condition?

--

Go to Step 16

--

7

  1. Turn ON the ignition, with the engine OFF.
  2. Install a fused jumper wire from terminal C to terminal D of the TCC Brake switch connector.
  3. Probe the PCM connector terminal C1-33 with the test lamp.

Does the test lamp illuminate?

--

Go to Step 9

Go to Step 8

8

Important: The condition that affects this circuit may exist in other connecting branches of the circuit. Refer to Power Distribution Schematics in Wiring Systems for complete circuit distribution.

Test the TCC brake switch circuit for an open. Refer to Testing for Continuity and Wiring Repairs in Wiring Systems.

Did you find and correct the condition?

--

Go to Step 16

--

9

Replace the TCC Brake switch. Refer to Stop Lamp Switch Replacement in Lighting Systems.

Did you complete the replacement?

--

Go to Step 16

--

10

  1. Turn ON the ignition, with the engine OFF.
  2. Apply and hold the brake pedal.
  3. Install a new fuse while keeping the brake pedal applied.

Does the fuse open with the brake pedal applied?

--

Go to Step 11

Go to Step 12

11

Important: The condition that affects this circuit may exist in other connecting branches of the circuit. Refer to Power Distribution Schematics in Wiring Systems for complete circuit distribution.

Test the Ignition E voltage circuit for a short to ground. Refer to Testing for a Short to Voltage and Wiring Repairs in Wiring Systems.

Did you find and correct the condition?

--

Go to Step 16

--

12

With the key in the RUN position, release the brake pedal.

Does the fuse open when the brake pedal is released?

--

Go to Step 13

Go to Intermittent Conditions in Engine Controls - 4.8L, 5.3L, and 6.0L

13

  1. Disconnect the PCM connector C1 from the PCM. Additional DTCs may set.
  2. Turn ON the ignition, with the engine OFF.
  3. Install a new fuse.
  4. Do not apply the brake pedal.

Does the fuse open?

--

Go to Step 14

Go to Step 15

14

Important: The condition that affects this circuit may exist in other connecting branches of the circuit. Refer to Power Distribution Schematics in Wiring Systems for complete circuit distribution.

Test the TCC brake switch circuit for a short to ground. Refer to Testing for Short to Ground and Wiring Repairs in Wiring Systems.

Did you find and correct the condition?

--

Go to Step 16

--

15

Replace the PCM. Refer to Powertrain Control Module Replacement in Engine Controls - 4.8L, 5.3L, and 6.0L.

Did you complete the replacement?

--

Go to Step 16

--

16

Perform the following procedure in order to verify the repair:

  1. Select DTC.
  2. Select Clear Info.
  3. Operate the vehicle under the following conditions:
  4. • Turn ON the ignition, with the engine OFF.
    • The brake pedal is not applied.
    • Select TCC Brake Switch on the scan tool.

Does the TCC Brake Switch indicate CLOSED when the brake pedal is not applied, then indicate OPEN when the brake pedal is applied?

--

Go to Step 17

Go to Step 2

17

With the scan tool, observe the stored information, capture info and DTC info.

Does the scan tool display any DTCs that you have not diagnosed?

--

Go to Diagnostic Trouble Code (DTC) List in Engine Controls - 4.8L, 5.3L, and 6.0L

System OK