GM Service Manual Online
For 1990-2009 cars only

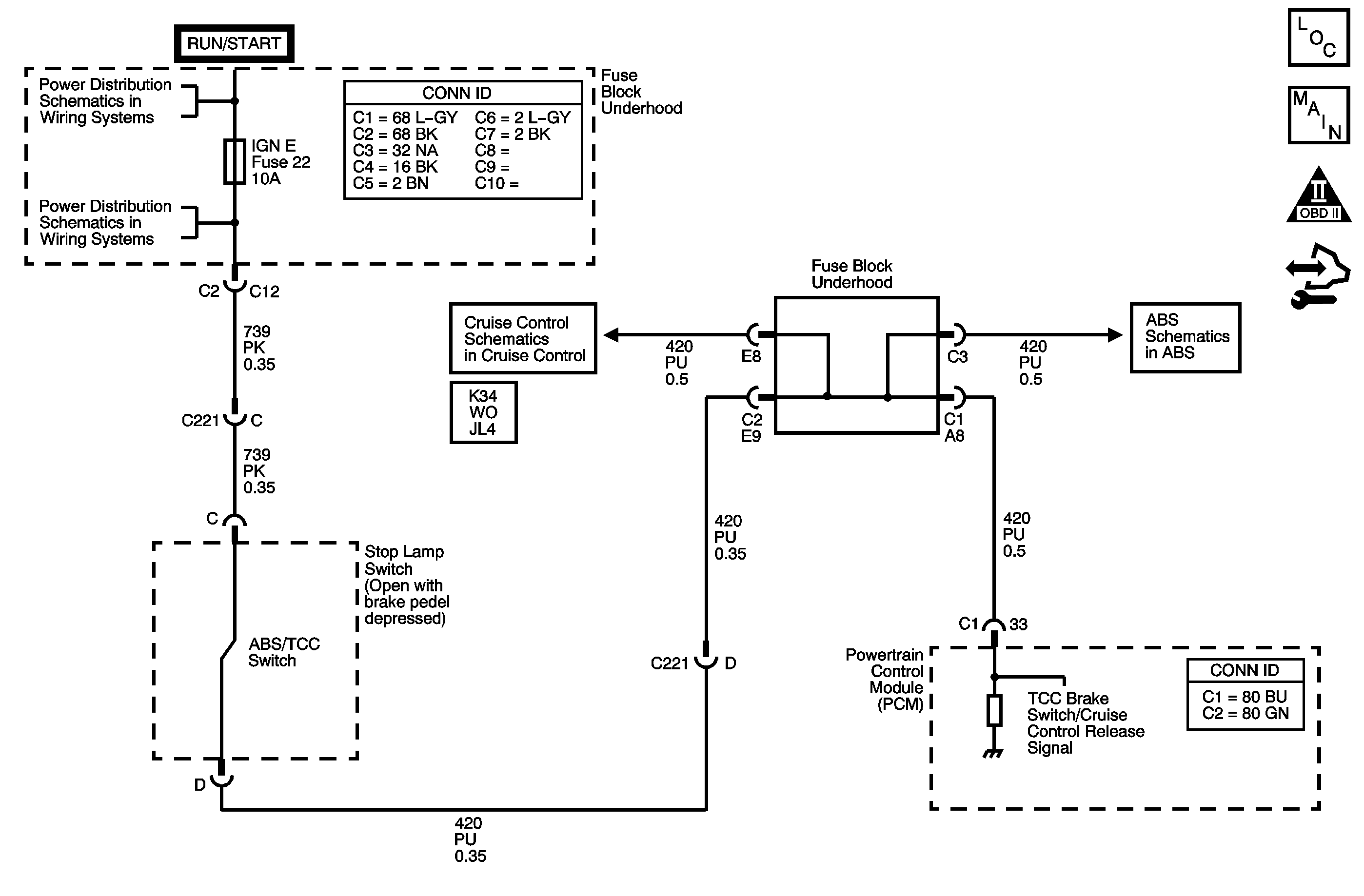
DTC P0719 4.8L and 6.0L


Object Number: 1587884  Size: MF
Master Electrical Component List
Automatic Transmission Controls Schematics (4.8L and 6.0L)
OBD II Symbol Description Notice
Control Module References

Circuit Description

The torque converter clutch (TCC) brake switch indicates the brake pedal status. The normally closed TCC brake switch supplies a B+ signal to the powertrain control module (PCM). The signal voltage circuit opens when the brakes are applied.

If the PCM detects an open TCC brake switch circuit during accelerations, then DTC P0719 sets. DTC P0719 is a type C DTC.

DTC Descriptor

This diagnostic procedure supports the following DTC:

DTC P0719 Brake Switch Circuit Low Voltage

Conditions for Running the DTC

    • No VSS DTCs.
    • The ignition switch is in the ON position.
    • The system voltage is 8-18 volts.

Conditions for Setting the DTC

DTC P0719 sets if the PCM detects an open brake switch or circuit, 0 volts, during vehicle acceleration and the following conditions occur eight times:

    • The vehicle speed is less than 8 km/h (5 mph).
    • Then, the vehicle speed is 8-40 km/h (5-25 mph) for 1.7 seconds.
    • Then, the vehicle speed is greater than 40 km/h (25 mph) for 7 seconds.

Action Taken When the DTC Sets

    • The PCM does not illuminate the malfunction indicator lamp (MIL).
    • For TCC scheduling, the PCM disregards the brake switch state if the TP sensor is 1.5 percent or greater and the vehicle speed is 32 km/h (20 mph) or greater.
    • The PCM records the operating conditions when the Conditions for Setting the DTC are met. The PCM stores this information as Failure Records.
    • The PCM stores DTC P0719 in PCM history.

Conditions for Clearing the DTC

    • A scan tool clears the DTC from PCM history.
    • The PCM clears the DTC from PCM history if the vehicle completes 40 warm-up cycles without a non-emission related diagnostic fault occurring.
    • The PCM cancels the DTC default actions when the fault no longer exists and the DTC passes.

Diagnostic Aids

Inspect the brake switch for proper mounting and operation.

Test Description

The numbers below refer to the step numbers on the diagnostic table.

  1. This step tests for TCC brake switch voltage to the PCM connector.

  2. This step isolates the TCC brake switch as a source for setting the DTC.

  3. This step tests for a short to ground in the voltage circuit to the TCC brake switch.

  4. This step tests for a short to ground in the TCC brake switch circuit, from the TCC brake switch to the PCM.

  5. This step isolates the PCM as a source for causing the fuse to open.

Step

Action

Value

Yes

No

1

Did you perform the Diagnostic System Check - Vehicle?

--

Go to Step 2

Go to Diagnostic System Check - Vehicle

2

  1. Install a scan tool.
  2. Turn ON the ignition, with the engine OFF.
  3. Important: Before clearing the DTCs, use the scan tool in order to record the Failure Records. Using the Clear Info function erases the Failure Records from the PCM.

  4. Record the Failure Records.
  5. Clear the DTCs.
  6. Caution: Refer to SIR Caution in the Preface section.

  7. Select the TCC Brake Switch on the scan tool.
  8. Do not apply the brake pedal.

Does the scan tool TCC Brake Switch indicate CLOSED, when the brake pedal is not applied?

--

Go to Testing for Intermittent Conditions and Poor Connections

Go to Step 3

3

  1. Remove the IGN E fuse.
  2. Inspect the fuse for an open. Refer to Circuit Protection - Fuses .

Is the fuse open?

--

Go to Step 10

Go to Step 4

4

  1. Turn OFF the ignition.
  2. Disconnect the PCM connector C1 from the PCM.
  3. Connect a 12 volt test lamp to a good ground.
  4. Using the J 35616 GM terminal test kit and the 12 volt test lamp, test the TCC brake switch/cruise control release signal circuit of the PCM connector.
  5. Install the fuse.
  6. Turn ON the ignition, with the engine OFF.
  7. Do not apply the brake pedal.

Does the test lamp illuminate?

--

Go to Step 15

Go to Step 5

5

  1. Turn OFF the ignition.
  2. Remove the connector from the TCC brake switch.
  3. Use the DMM to measure B+ voltage at the TCC brake switch/cruise control signal circuit of the brake switch connector.
  4. Turn ON the ignition, with the engine OFF.

Does the voltage measure within the specified value?

10-13 V

Go to Step 7

Go to Step 6

6

Important: The condition that affects this circuit may exist in other connecting branches of the circuit. Refer to Power Distribution Schematics for complete circuit distribution.

Test the Ignition E voltage circuit for an open.

Did you find and correct the condition?

--

Go to Step 16

--

7

  1. Turn ON the ignition, with the engine OFF.
  2. Install a fused jumper wire between the ignition 1 voltage signal circuit and TCC brake switch/cruise control signal circuit of the TCC brake switch connector.
  3. Probe the TCC brake switch/cruise control signal circuit of the PCM connector with the test lamp.

Does the test lamp illuminate?

--

Go to Step 9

Go to Step 8

8

Important: The condition that affects this circuit may exist in other connecting branches of the circuit. Refer to Power Distribution Schematics for complete circuit distribution.

Test the TCC brake switch circuit for an open. Refer to Testing for Continuity and Wiring Repairs .

Did you find and correct the condition?

--

Go to Step 16

--

9

Replace the TCC Brake switch. Refer to Stop Lamp Switch Replacement .

Did you complete the replacement?

--

Go to Step 16

--

10

  1. Turn ON the ignition, with the engine OFF.
  2. Apply and hold the brake pedal.
  3. Install a new fuse while keeping the brake pedal applied.

Does the fuse open with the brake pedal applied?

--

Go to Step 11

Go to Step 12

11

Important: The condition that affects this circuit may exist in other connecting branches of the circuit. Refer to Power Distribution Schematics for complete circuit distribution.

Test the Ignition E voltage circuit for a short to ground. Refer to Testing for a Short to Voltage and Wiring Repairs .

Did you find and correct the condition?

--

Go to Step 16

--

12

With the key in the RUN position, release the brake pedal.

Does the fuse open when the brake pedal is released?

--

Go to Step 13

Go to Testing for Intermittent Conditions and Poor Connections

13

  1. Disconnect the PCM connector C1 from the PCM. Additional DTCs may set.
  2. Turn ON the ignition, with the engine OFF.
  3. Install a new fuse.
  4. Do not apply the brake pedal.

Does the fuse open?

--

Go to Step 14

Go to Step 15

14

Important: The condition that affects this circuit may exist in other connecting branches of the circuit. Refer to Power Distribution Schematics for complete circuit distribution.

Test the TCC brake switch circuit for a short to ground. Refer to Testing for Short to Ground and Wiring Repairs .

Did you find and correct the condition?

--

Go to Step 16

--

15

Replace the PCM. Refer to Control Module References for replacement, setup, and programming.

Did you complete the replacement?

--

Go to Step 16

--

16

Perform the following procedure in order to verify the repair:

  1. Select DTC.
  2. Select Clear Info.
  3. Operate the vehicle under the following conditions:
  4. • Turn ON the ignition, with the engine OFF.
    • The brake pedal is not applied.
    • Select TCC Brake Switch on the scan tool.

Does the TCC Brake Switch indicate CLOSED when the brake pedal is not applied, then indicate OPEN when the brake pedal is applied?

--

Go to Step 17

Go to Step 2

17

With the scan tool, observe the stored information, capture info and DTC info.

Does the scan tool display any DTCs that you have not diagnosed?

--

Go to Diagnostic Trouble Code (DTC) List - Vehicle

System OK

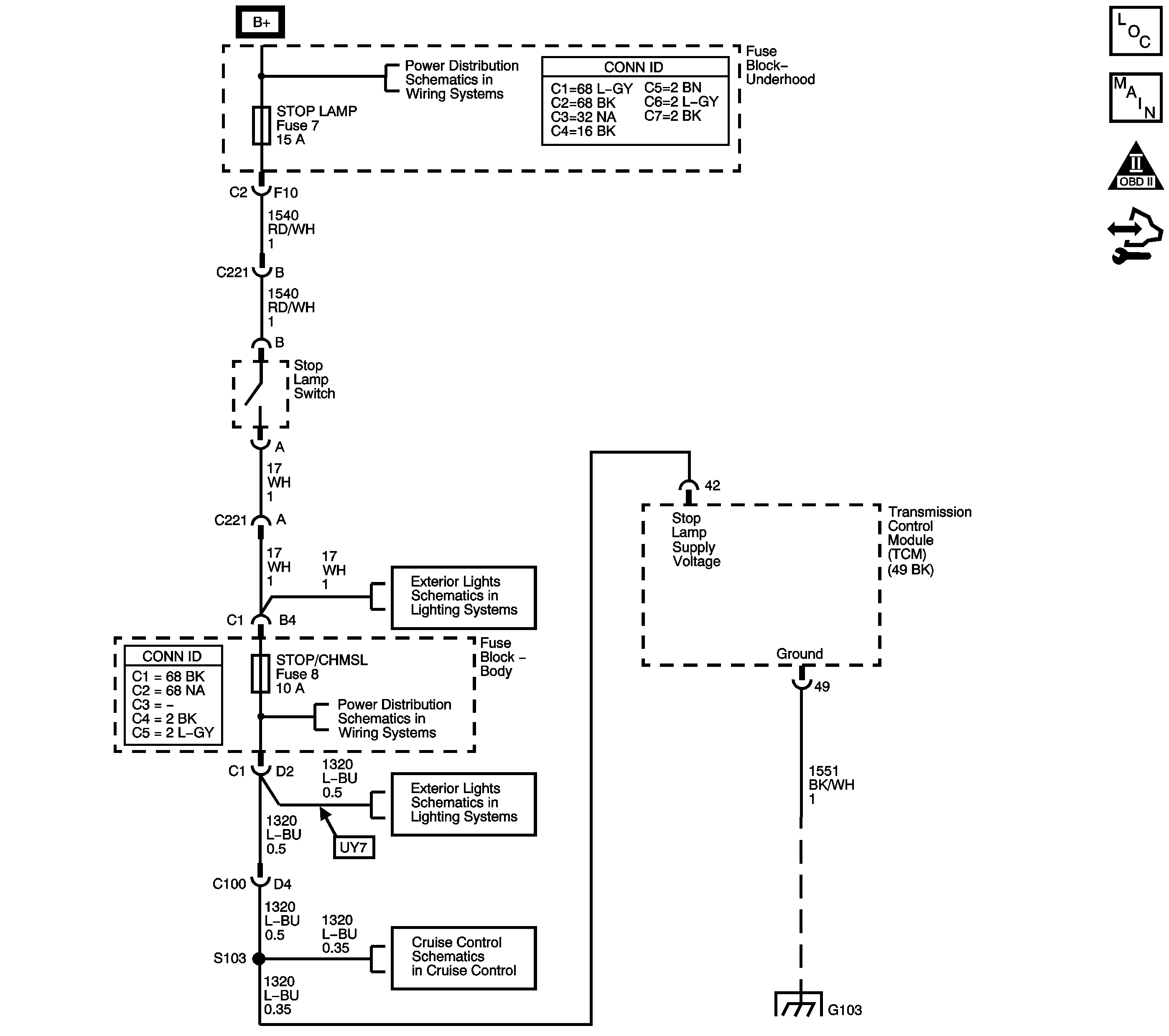
DTC P0719 6.6L


Object Number: 1587885  Size: LF
Master Electrical Component List
Automatic Transmission Controls Schematics (6.6L)
OBD II Symbol Description Notice
Control Module References

Circuit Description

The stop lamp switch indicates the brake pedal status to the transmission control module (TCM). The brake switch is a normally-closed switch that supplies battery voltage on the stop lamp supply voltage circuit to the TCM. Applying the brake opens the stop lamp switch, interrupting voltage to the TCM. When the brake is released, the TCM receives a constant voltage signal input. If the TCM receives a 0 voltage signal input at the stop lamp supply voltage circuit, and the torque converter clutch (TCC) is engaged, the TCM de-energizes the TCC solenoid valve. The TCM disregards the brake switch input for TCC scheduling if there is a brake switch circuit fault.

When the TCM detects an open circuit in the brake switch or brake switch wiring during decelerations, then DTC P0719 sets. DTC P0719 is a type C DTC.

DTC Descriptor

This diagnostic procedure supports the following DTC:

DTC P0719 Brake Switch Circuit Low Voltage

Conditions for Running the DTC

    • No Brake Switch DTC P0719.
    • No OSS DTCs P0722 or P0723.
    • The system voltage is 8-18 volts.
    • The TCM detects the brake switch is OFF.
    • The vehicle speed 32 km/h (20 mph) or greater for 6 seconds, then is between 40 km/h (25 mph) and 8 km/h (5 mph) for 4.75 seconds, then the vehicle speed is less than 8 km/h (5 mph) for 2 seconds, continuously 8 times once the previous criteria have been met.

Conditions for Setting the DTC

The TCM detects an open or short to ground on the stop lamp switch signal circuit 8 times during decelerations.

Action Taken When the DTC Sets

    • The TCM does not request the engine control module (ECM) to illuminate the malfunction indicator lamp (MIL).
    • The TCM records the operating conditions when the Conditions for Setting the DTC are met. The TCM records this information as a Failure Record.
    • The TCM stores DTC P0719 in TCM history.

Conditions for Clearing the DTC

    • A scan tool can clear the DTC.
    • The TCM clears the DTC from TCM history if the vehicle completes 40 warm-up cycles without a non-emission related diagnostic fault occurring.

Diagnostic Aids

    • Inspect the brake switch for proper mounting and operation.
    • Inspect for ABS DTCs. A faulty ABS condition may contribute to setting DTC P0719.

Test Description

The number below refers to the step number on the diagnostic table.

  1. This step isolates the brake switch as a source for setting the DTC.

Step

Action

Yes

No

1

Did you perform the Diagnostic System Check - Vehicle?

Go to Step 2

Go to Diagnostic System Check - Vehicle

2

  1. Install a scan tool.
  2. Turn ON the ignition, with the engine OFF.
  3. Important: Before clearing the DTC, use the scan tool in order to record the ECM and TCM Failure Records. Using the Clear Info function erases the Failure Records from the ECM and TCM.

  4. Record the DTC Failure Records.
  5. Clear the DTC.
  6. Select TCC Brake Switch on the scan tool.
  7. Caution: Refer to SIR Caution in the Preface section.

  8. Disconnect the brake switch connector from the brake switch.
  9. Connect a test lamp from the battery positive voltage supply circuit of the brake switch connector to ground.

Does the test lamp illuminate?

Go to Step 3

Go to Step 4

3

Connect a fused jumper wire between the battery positive voltage supply and stop lamp supply voltage signal circuits of the stop lamp switch connector.

Did the TCC Brake Switch status on the scan tool change from Open to Closed?

Go to Step 9

Go to Step 7

4

Inspect the stop lamp fuse for an open. Refer to Circuit Protection - Fuses .

Is the fuse open?

Go to Step 5

Go to Step 10

5

Important: The condition that affects this circuit may exist in other connecting branches of the circuit. Refer to Power Distribution Schematics for complete circuit distribution.

Test the battery positive voltage circuit of the brake switch for a short to ground. Refer to Testing for Short to Ground and Wiring Repairs .

Did you find and correct the condition?

Go to Step 13

Go to Step 6

6

Important: The condition that affects this circuit may exist in other connecting branches of the circuit. Refer to Power Distribution Schematics for complete circuit distribution.

Test the stop lamp supply voltage signal circuit of the brake switch for a short to ground between the stop lamp switch and the fuse block-body. Refer to Testing for Short to Ground and Wiring Repairs .

Did you find and correct the condition?

Go to Step 13

Go to Step 12

7

Inspect the STOP/CHMSL fuse for an open. Refer to Circuit Protection - Fuses .

Is the fuse open?

Go to Step 8

Go to Step 11

8

Important: The condition that affects this circuit may exist in other connecting branches of the circuit. Refer to Power Distribution Schematics for complete circuit distribution.

Test the stop lamp supply voltage signal circuit for a short to ground between the fuse block-body and TCM.

Did you find and correct the condition?

Go to Step 13

--

9

Replace the brake switch. Refer to Stop Lamp Switch Replacement .

Did you complete the replacement?

Go to Step 13

--

10

Important: The condition that affects this circuit may exist in other connecting branches of the circuit. Refer to Power Distribution Schematics for complete circuit distribution.

Test the battery positive voltage circuit of the brake switch for an open. Refer to Testing for Continuity and Wiring Repairs .

Did you find and correct the condition?

Go to Step 13

--

11

Important: The condition that affects this circuit may exist in other connecting branches of the circuit. Refer to Power Distribution Schematics for complete circuit distribution.

Test the stop lamp supply voltage signal circuit of the brake switch for an open between the stop lamp switch and the fuse block-body or between the fuse block-body and TCM. Refer to Testing for Continuity and Wiring Repairs .

Did you find and correct the condition?

Go to Step 13

Go to Step 12

12

Replace the TCM. Refer to Control Module References for replacement, setup, and programming.

Did you complete the replacement?

Go to Step 13

--

13

Perform the following procedure in order to verify the repair:

  1. Select DTC.
  2. Select Clear Info.
  3. Turn ON the ignition, with the engine OFF.
  4. Apply and release the brake pedal.
  5. Verify that the scan tool TCC Brake Switch status indicates Closed, 12 volts, for 5 seconds or greater.
  6. Select Specific DTC.
  7. Enter DTC P0719.

Has the test run and passed?

Go to Step 14

Go to Step 2

14

With the scan tool, observe the stored information, capture info, and DTC Info.

Does the scan tool display any DTCs that you have not diagnosed?

Go to Diagnostic Trouble Code (DTC) List - Vehicle

System OK