GM Service Manual Online
For 1990-2009 cars only
Figure 1:

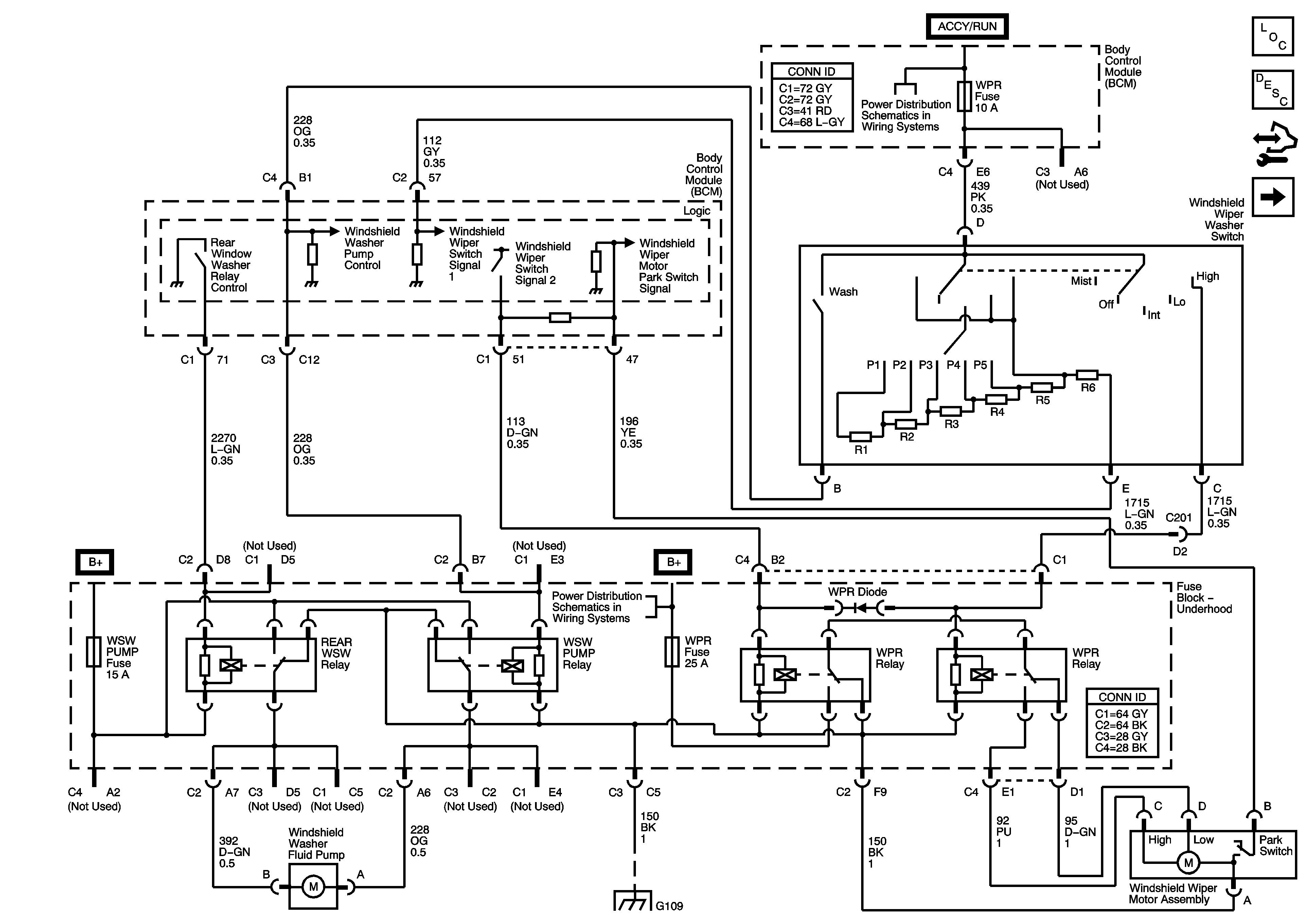
Front Wiper/Washer Control


Object Number: 1570229  Size: FS
Master Electrical Component List
Wiper/Washer System Description and Operation (Front)
Control Module References
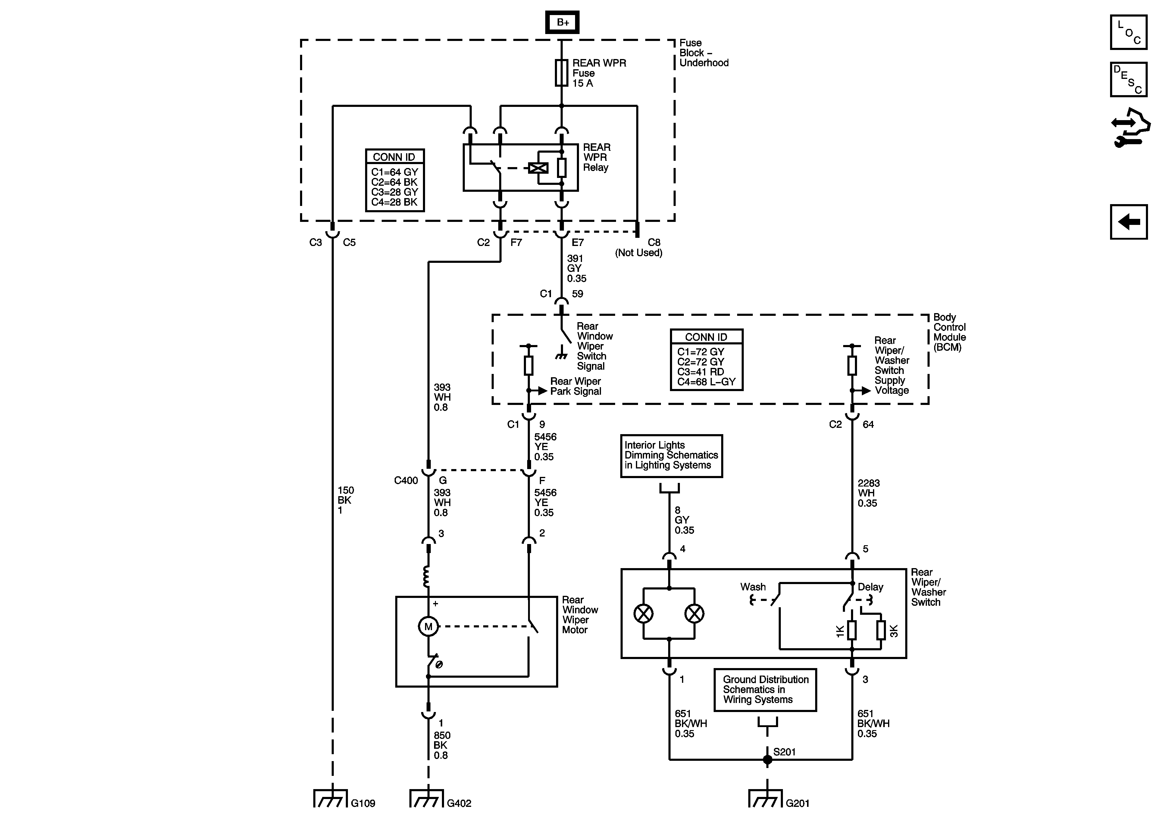
Rear Wiper/Washer Control
Body Control Module - RUN / CRANK and HVAC Relays, I/P IGN, BCM3, WPR, AIR BAG, EPS / STR WHL CNTRL and HVAC / IP IGNITION Fuses
Underhood Fuse Block - B+ Bus
EVAP Controls
Figure 2:

Rear Wiper/Washer Control


Object Number: 1570231  Size: FS
Master Electrical Component List
Wiper/Washer System Description and Operation (Front)
Control Module References
Front Wiper/Washer Control
Dimmer Switch, Radio, Hazard, Fog Lamps, Steering Wheel Controls, and Rear Wiper/Washer Switches
G201 and G203
G109
G402
G201 and G203