GM Service Manual Online
For 1990-2009 cars only

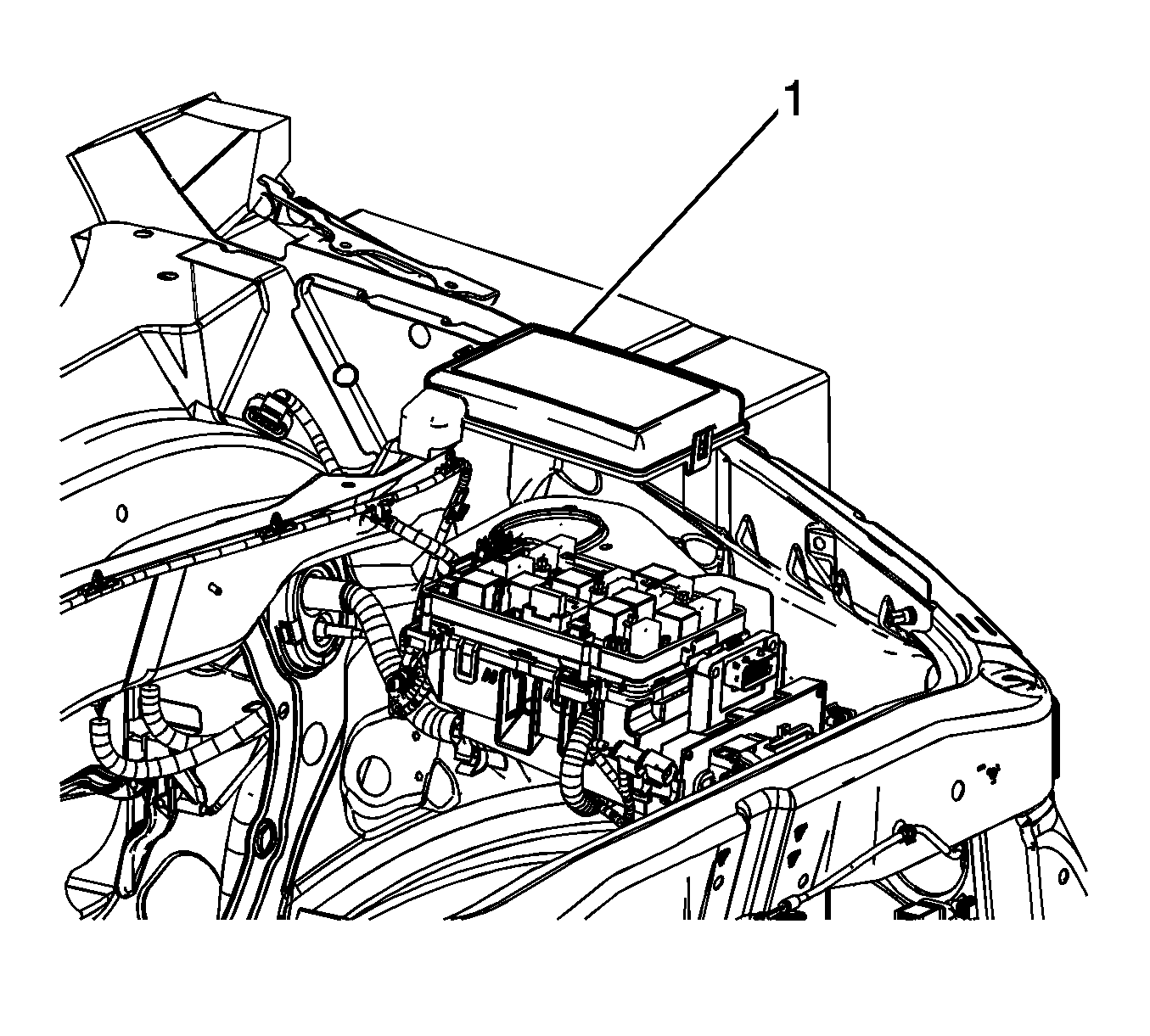
Removal Procedure

  1. Remove the electrical center cover (1).

  2. Object Number: 1655205  Size: SH
  3. Disconnect the positive battery cable from junction box. Refer to Battery Positive Cable Replacement .

  4. Object Number: 1655213  Size: SH
  5. Remove the fasteners (1) securing the electrical center board  (2).
  6. Unlock the tabs on the electrical center board.
  7. Lift up on the electrical center board.

  8. Object Number: 1758978  Size: SH
  9. Remove the fasteners (1) and (2) that secure the electrical center to vehicle.

Installation Procedure

    Notice: Use the correct fastener in the correct location. Replacement fasteners must be the correct part number for that application. Fasteners requiring replacement or fasteners requiring the use of thread locking compound or sealant are identified in the service procedure. Do not use paints, lubricants, or corrosion inhibitors on fasteners or fastener joint surfaces unless specified. These coatings affect fastener torque and joint clamping force and may damage the fastener. Use the correct tightening sequence and specifications when installing fasteners in order to avoid damage to parts and systems.


    Object Number: 1758978  Size: SH
  1. Install fasteners (1) and (2) securing the electrical center to vehicle.
  2. Tighten
    Tighten the fasteners to 10 N·m (86 lb in).


    Object Number: 1655213  Size: SH
  3. Install the fasteners (1) securing the electrical center board  (2).
  4. Tighten
    Tighten the fasteners to 7 N·m (62 lb in).

  5. Connect the positive battery cable. Refer to Battery Positive Cable Replacement .

  6. Object Number: 1655205  Size: SH
  7. Install the electrical center cover (1).