GM Service Manual Online
For 1990-2009 cars only
Makes
🢒
Chevrolet
🢒
2006
🢒
HHR
🢒
Brakes
🢒
Antilock Brake System
🢒 Antilock Brake System Schematics
Figure
1:
Power, Ground, and Wheel Speed Sensors
Master Electrical Component List
ABS Description and Operation
Control Module References
Data Link Communications
Underhood Fuse Block - RUN / CRANK Relay, I/P IGNITION, PRK / NEUT, BCK UP / HTD SEAT, ABS (10A), ECM TRANS, LTR, ABS (30A), EPS, BCM 2, BCM 3, and S-BAND ONSTAR Fuses
Underhood Fuse Block - ABS (20A), CNSTR VENT, PWR OUTLET and MIR Fuses, PWR SEATS Circuit Breaker
Center High Mounted Stop Lamp, B+
G111
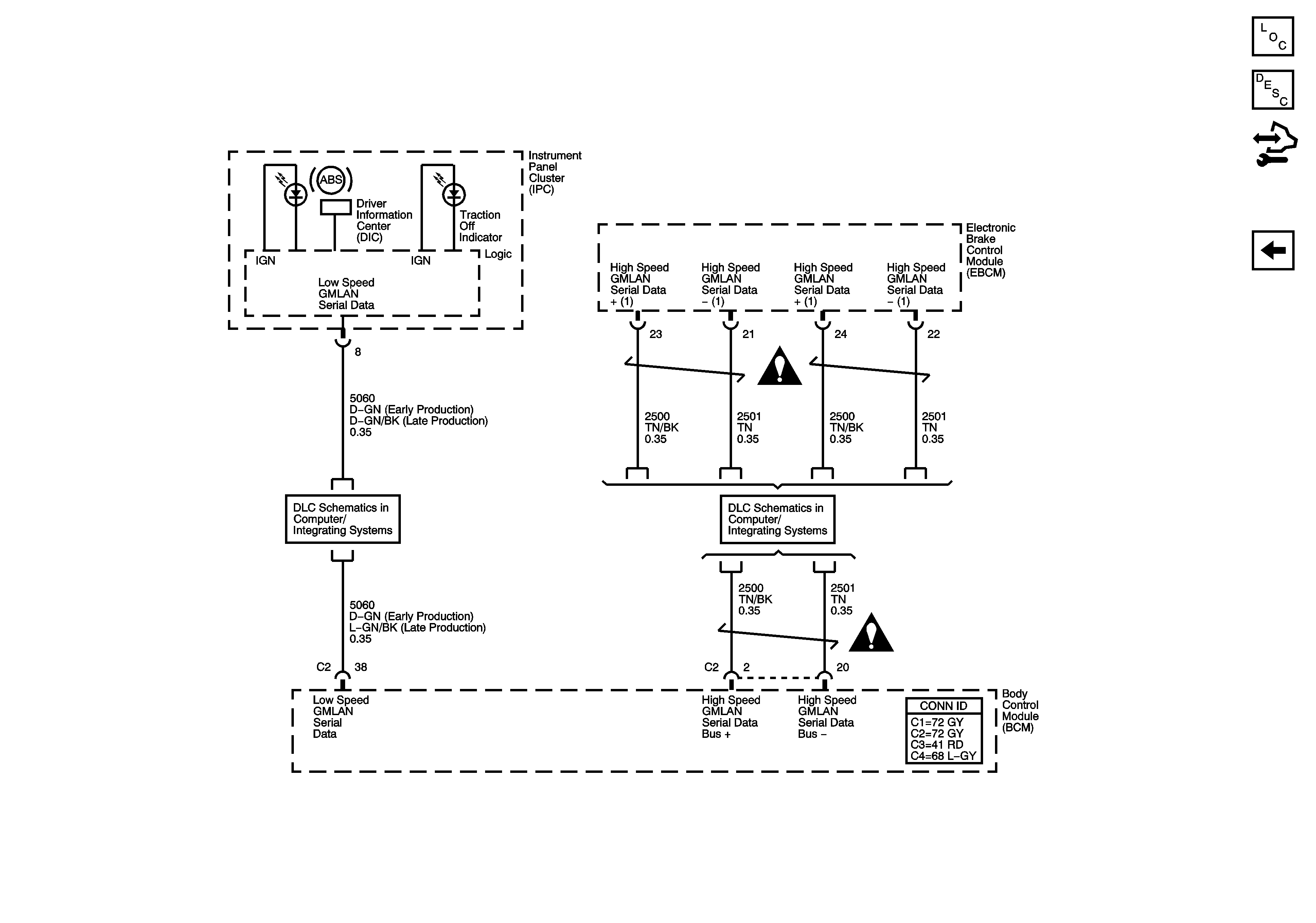
Figure
2:
Data Link Communications
Master Electrical Component List
ABS Description and Operation
Control Module References
Power, Ground, and Wheel Speed Sensors
DLC Power Ground, and Low Speed GMLAN
Antilock Brake System Schematic Icons
Antilock Brake System Schematic Icons
High Speed GMLAN