GM Service Manual Online
For 1990-2009 cars only
Makes
🢒
Chevrolet
🢒
2006
🢒
HHR
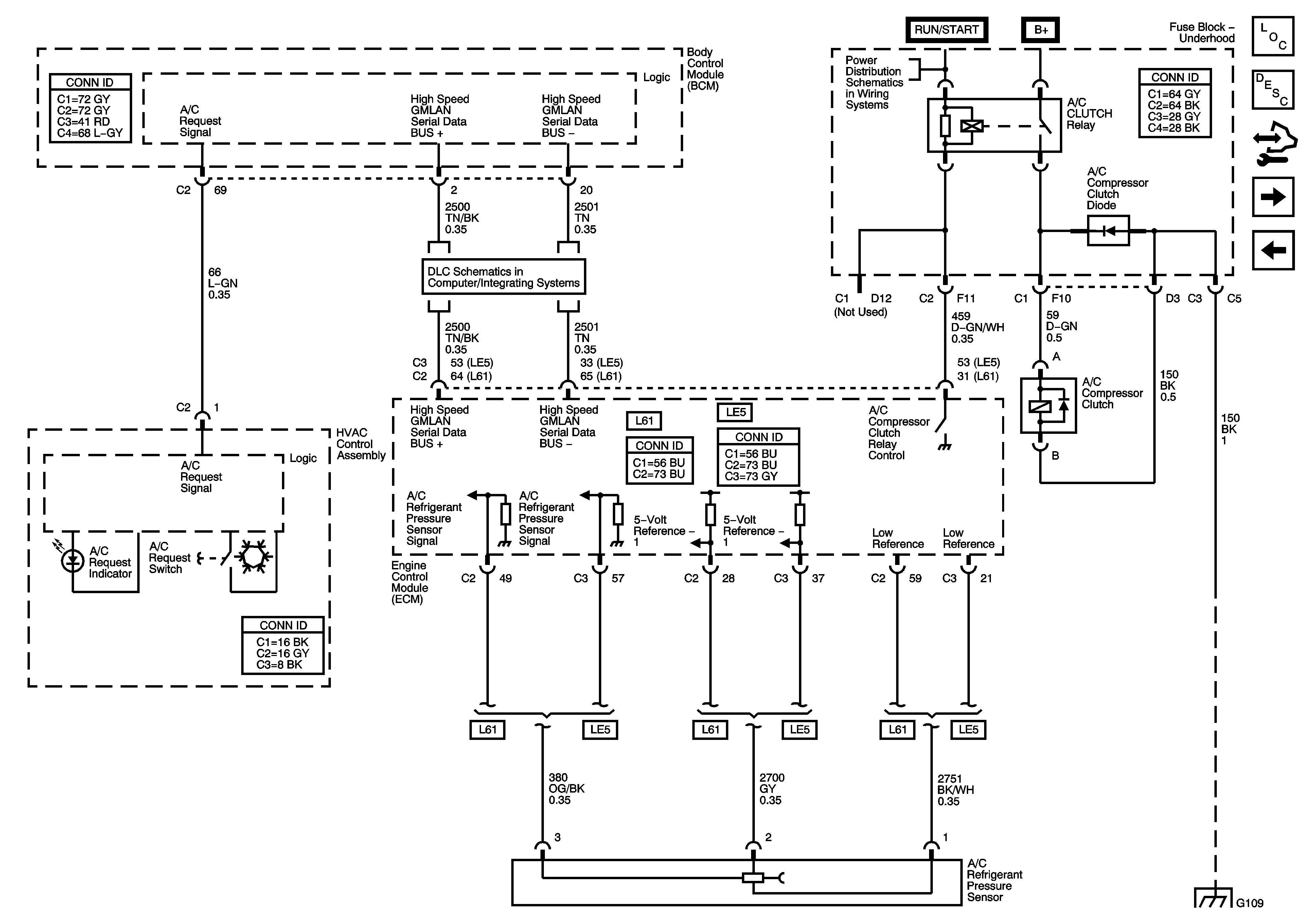
🢒 Compressor Controls
Compressor Controls
Compressor Controls
Master Electrical Component List
Air Temperature Description and Operation
Control Module References
Mode and Air Temperature Controls
Power, Ground, Blower Motor Controls, and Subsystem References
High Speed GMLAN
Underhood Fuse Block - B+ Bus
G109