GM Service Manual Online
For 1990-2009 cars only
Makes
🢒
Chevrolet
🢒
2006
🢒
HHR
🢒 Inputs
Inputs
Inputs
Master Electrical Component List
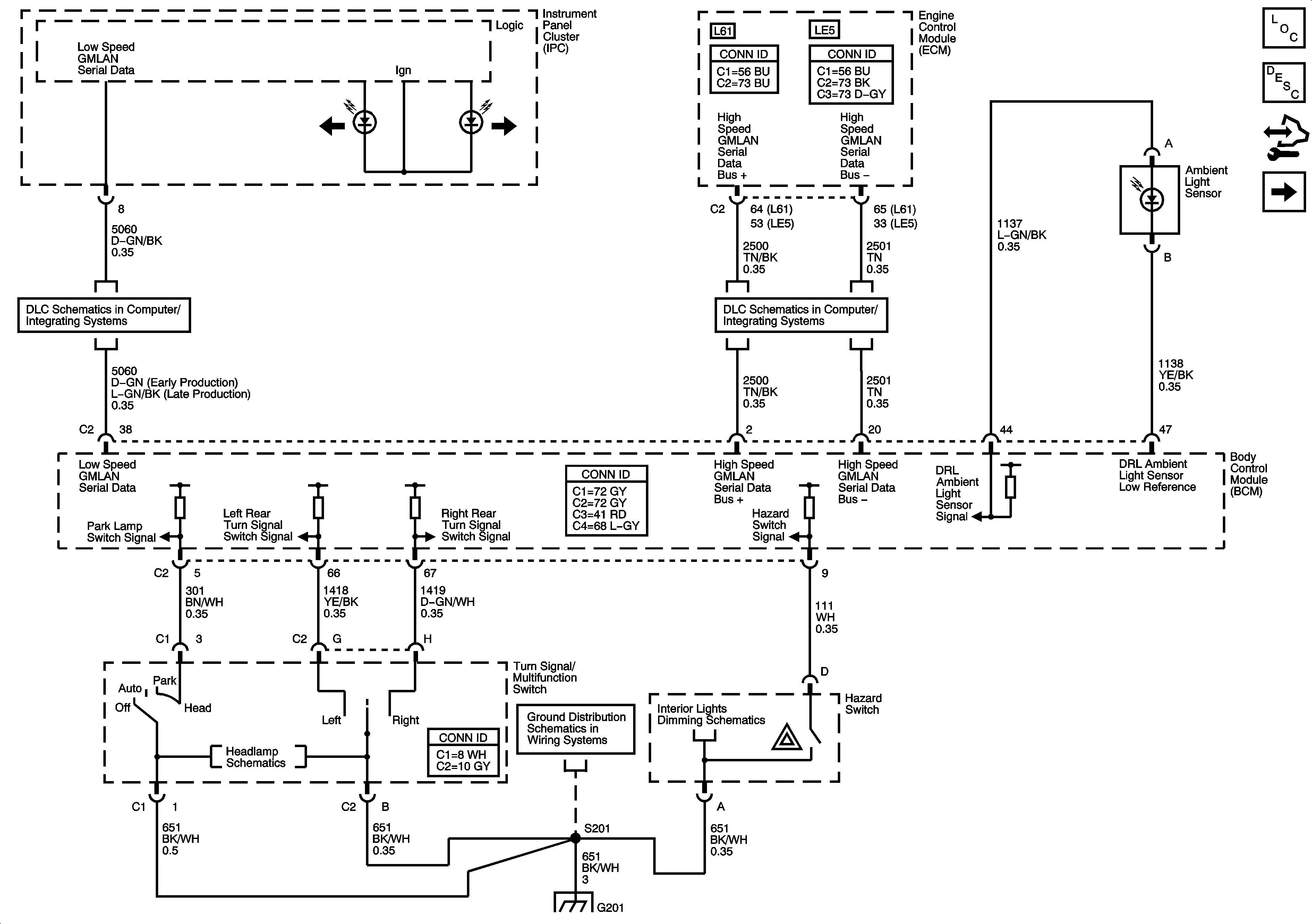
Exterior Lighting Systems Description and Operation
Control Module References
Park/Turn Signal/DRL, Tail/Stop and Turn Signal, License and Side Marker Lamps
DLC Power Ground, and Low Speed GMLAN
High Speed GMLAN
G201 and G203
Dimmer Switch, Radio, Hazard, Fog Lamps, Steering Wheel Controls, and Rear Wiper/Washer Switches
G201 and G203
Headlights/Daytime Running Lights (DRL)