GM Service Manual Online
For 1990-2009 cars only

Tools Required

J 43653 Flywheel Holding Tool

Removal Procedure

  1. With the wheels in the straight ahead position, remove the key from the ignition switch.
  2. Remove the underhood electrical center cover.
  3. Disconnect the negative battery cable. Refer to Battery Negative Cable Disconnection and Connection .

  4. Object Number: 873343  Size: SH
  5. Disconnect the engine and transmission control module harness connectors (3, 4) and remove the modules.
  6. Important: It may be necessary to remove the positive cable retainer near the bottom of the powertrain control module (PCM) bracket.

  7. Disconnect the positive battery cables  (1) from the underhood electrical center.

  8. Object Number: 1720487  Size: SH
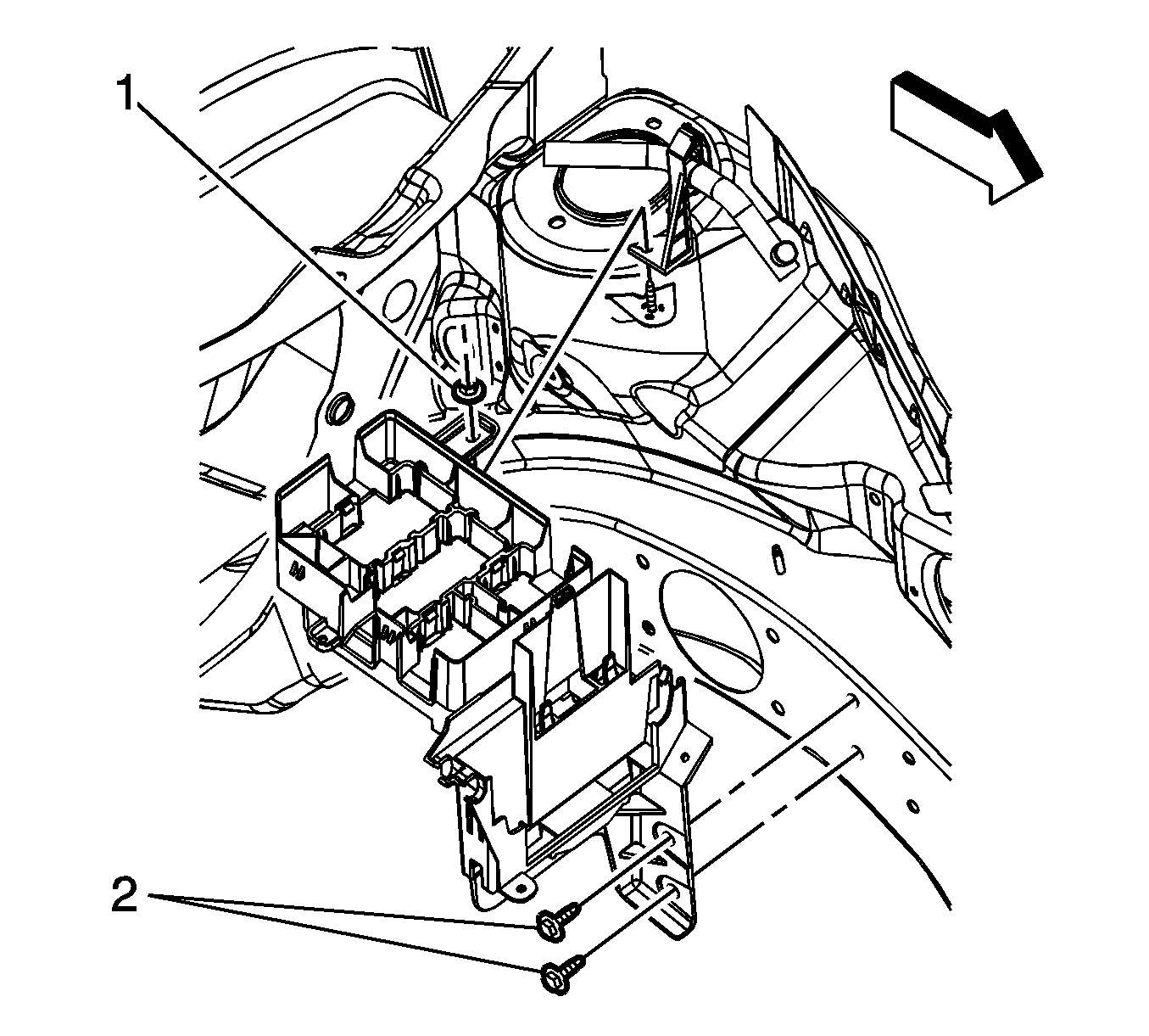
  9. Remove the underhood electrical center tray nuts (1) and bolt (2).
  10. Remove the electrical center tray from the base and disconnect the wiring harnesses from the center tray.

  11. Object Number: 888342  Size: SH
  12. Lift the electrical center up and swing it back and out of the way.
  13. Remove the electrical center bracket from the vehicle.

  14. Object Number: 1233683  Size: SH
  15. Disconnect the shift cable from the park neutral position (PNP) switch.
  16. Disconnect the electrical connector from the PNP switch.
  17. Remove the shift cable with bracket from the transmission.
  18. Disconnect the transmission wire harness electrical connector from the transaxle.

  19. Object Number: 1740241  Size: SH
  20. Remove the upper transmission to engine bolt (2) and stud (1).
  21. Install the engine support fixture. Refer to Engine Support Fixture for the 2.2L engine or Engine Support Fixture for the 2.4L engine.
  22. Secure the air conditioning (A/C) condenser and radiator cooling module to the upper body structure.
  23. Remove the left transmission mount bolts.
  24. Raise and support the vehicle. Refer to Lifting and Jacking the Vehicle .
  25. Remove the oil pan to drain the transmission. Refer to Oil Pan Replacement .
  26. Remove the front wheel and tire assemblies. Refer to Tire and Wheel Removal and Installation .
  27. Remove the frame. Refer to Frame Replacement .
  28. Remove the wheel drive shafts from the transaxle. Refer to Wheel Drive Shaft Replacement .

  29. Object Number: 1740245  Size: SH
  30. Remove the transmission brace to transmission bolts (3).
  31. Remove the starter. Refer to Starter Motor Replacement .
  32. Mark the relationship of the flywheel to the torque converter for reassembly.
  33. Use the J 43653 to prevent the crankshaft from rotating.

  34. Object Number: 475919  Size: SH
  35. Use J 43653 to remove the torque converter to flywheel bolts.

  36. Object Number: 1523657  Size: SH
  37. Remove the transaxle oil cooler pipes retaining nut from the transaxle.
  38. Remove the transaxle oil cooler pipes from the transaxle.

  39. Object Number: 414901  Size: SH
  40. Disconnect the vehicle speed sensor (VSS) wiring harness from the sensor and harness retainer.
  41. Remove the rear 02 wiring harness from the rear transmission mount bracket.
  42. Remove the front transmission mount. Refer to Transmission Front Mount Replacement .
  43. Lower the transmission with the engine support fixture enough to remove the transmission.
  44. Raise the vehicle.
  45. Support the transaxle with a suitable jack.

  46. Object Number: 1740241  Size: SH
  47. Remove the lower 6 transaxle to engine bolts (3-9).
  48. Separate the engine and the transaxle.
  49. Remove the transaxle from the vehicle.
  50. Remove the PNP switch, if required.
  51. Remove the transaxle electrical ground stud, if required.
  52. Flush the transmission cooler and lines. Refer to Transmission Fluid Cooler Flushing and Flow Test .

Installation Procedure

  1. Install the PNP switch, if removed.
  2. Install the transaxle electrical ground stud, if removed.
  3. Install the front transaxle mount to the transaxle. Refer to Transmission Front Mount Replacement .
  4. Position the transaxle in the vehicle.
  5. Notice: Refer to Fastener Notice in the Preface section.


    Object Number: 1740241  Size: SH
  6. Install the lower 6 transaxle to engine bolts (3-9).
  7. Tighten
    Tighten the bolts and nuts to 90 N·m (66 lb ft).

  8. Install the ground strap.

  9. Object Number: 1523657  Size: SH
  10. Connect the transaxle cooler pipes to the transaxle and install the retaining nut.
  11. Tighten
    Tighten the nut to 90 N·m (66 lb ft).


    Object Number: 414901  Size: SH
  12. Connect the VSS wiring harness to the sensor.
  13. Connect the rear O2 wiring harness to the rear transaxle bracket.
  14. Use the J 43653 to prevent the crankshaft from rotating.

  15. Object Number: 475919  Size: SH
  16. Install the torque converter to flywheel bolts.
  17. Tighten
    Tighten the torque converter bolts to 62 N·m (46 lb ft).

  18. Install the starter. Refer to Starter Motor Replacement .

  19. Object Number: 1740245  Size: SH
  20. Install the transmission brace to transmission bolts (3).
  21. Tighten
    Tighten the bolts to 72 N·m (53 lb ft).

  22. Install the rear transaxle mount and bracket, if removed. Refer to Transmission Mount Bracket Replacement - Rear .
  23. Install the wheel drive shafts to the transaxle. Refer to Wheel Drive Shaft Replacement .
  24. Remove the transmission jack.
  25. Install the frame. Refer to Frame Replacement .
  26. Install the front wheel and tire assemblies. Refer to Tire and Wheel Removal and Installation .
  27. Lower the vehicle.

  28. Object Number: 1740241  Size: SH
  29. Install the upper transaxle to engine bolt (2) and stud (1).
  30. Tighten
    Tighten the bolt and stud to 90 N·m (66 lb ft).

    Remove the engine support fixture. Refer to Engine Support Fixture for the 2.2L engine or Engine Support Fixture for the 2.4L engine.

  31. Connect the transmission wire harness electrical connector to the transaxle.

  32. Object Number: 1233683  Size: SH
  33. Connect the electrical connector to the PNP switch.
  34. Install the shift cable with bracket to the transaxle.
  35. Tighten
    Tighten the bolts to 20 N·m (15 lb ft).

  36. Connect the shift cable to the PNP switch.
  37. Reposition the underhood electrical center.
  38. Connect the wiring harness retainer to the tray bracket.

  39. Object Number: 1720487  Size: SH
  40. Install the electrical center nuts (1) and bolts (2).
  41. Tighten

        • Tighten the nut to 10 N·m (89 lb in).
        • Tighten the bolt to 25 N·m (18 lb ft).

    Object Number: 873343  Size: SH
  42. Install the positive battery cables (1) to the underhood electrical center.
  43. Tighten
    Tighten the positive cable nut to 15 N·m (11 lb ft).

  44. Connect the engine and transmission control module harness connectors (3, 4).
  45. Connect the negative battery cable. Refer to Battery Negative Cable Disconnection and Connection .
  46. Install the underhood electrical center cover.
  47. Fill the transmission. Refer to Transmission Fluid Check .
  48. Important: It is recommended that the transmission adaptive pressure (TAP) information be reset.

    Resetting the TAP values using a scan tool will erase all learned values in all cells. As a result, the ECM, PCM or TCM will need to relearn TAP values. Transmission performance may be affected as new TAP values are learned.

  49. Reset the TAP values. Refer to Transmission Adaptive Functions .