GM Service Manual Online
For 1990-2009 cars only
Makes
🢒
Chevrolet
🢒
2007
🢒
HHR
🢒 Ignition Controls - Ignition System
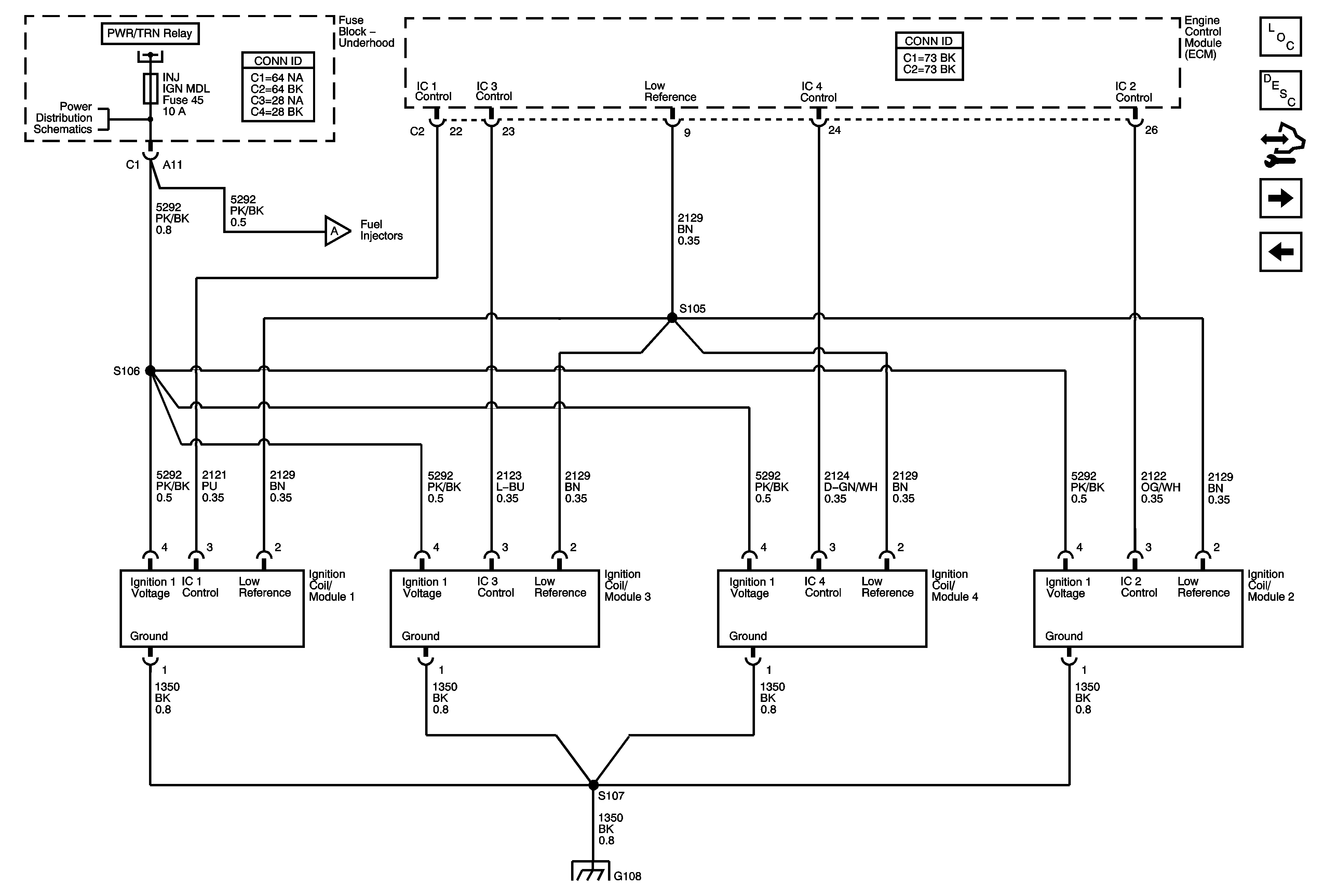
Ignition Controls - Ignition System
Ignition System
Master Electrical Component List
Electronic Ignition (EI) System Description
Control Module References
Ignition Controls - Sensors
Engine Data Sensors, APP and TAC
Power, Ground, MIL and DLC
Fuel Controls
G103, G105, G107, G108