GM Service Manual Online
For 1990-2009 cars only
Makes
🢒
Chevrolet
🢒
2007
🢒
HHR
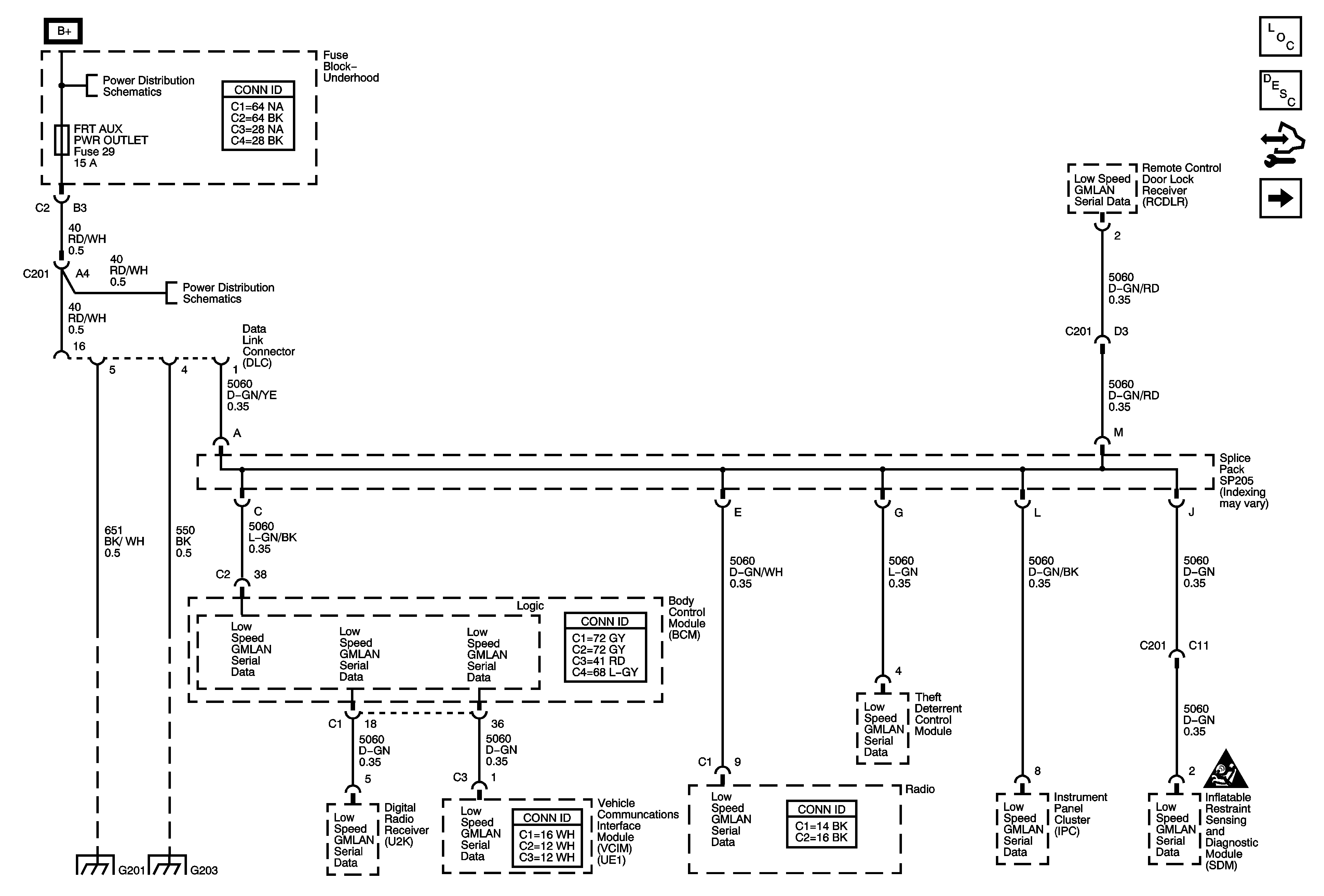
🢒 DLC Power, Ground, and Low Speed GMLAN
DLC Power, Ground, and Low Speed GMLAN
DLC Power, Ground, and Low Speed GMLAN
Master Electrical Component List
Data Link Communications Description and Operation
Control Module References
High Speed GMLAN
Underhood Fuse Block - B+ Bus
Underhood Fuse Block - RUN/CRANK Relay, I/P IGN, PRK/NEUT, HTD/SEAT/BKC/UP, ABS (10A), ECM TRANS, ABS (30A), EPS, BCM2, BCM3, FRT AUX PWR OUTLET, S-BAND Fuses
Data Communication Schematic Icons
G201, G203
G201, G203