GM Service Manual Online
For 1990-2009 cars only
Makes
🢒
Chevrolet
🢒
2007
🢒
HHR
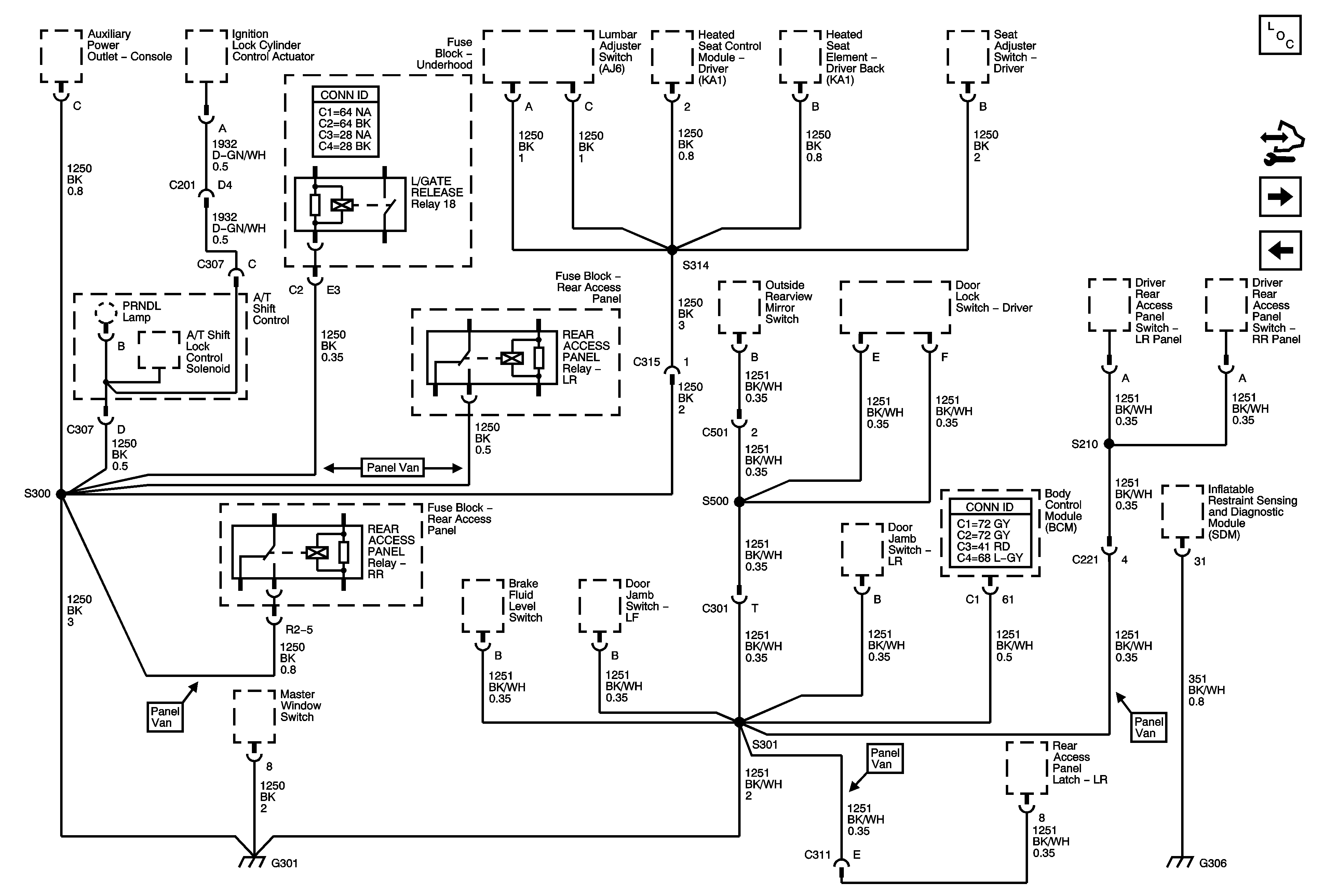
🢒 G301, G306
G301, G306
G301 and G306
Master Electrical Component List
Control Module References
G302
G201, G203