GM Service Manual Online
For 1990-2009 cars only
Makes
🢒
Chevrolet
🢒
2007
🢒
HHR
🢒 Power Sunroof
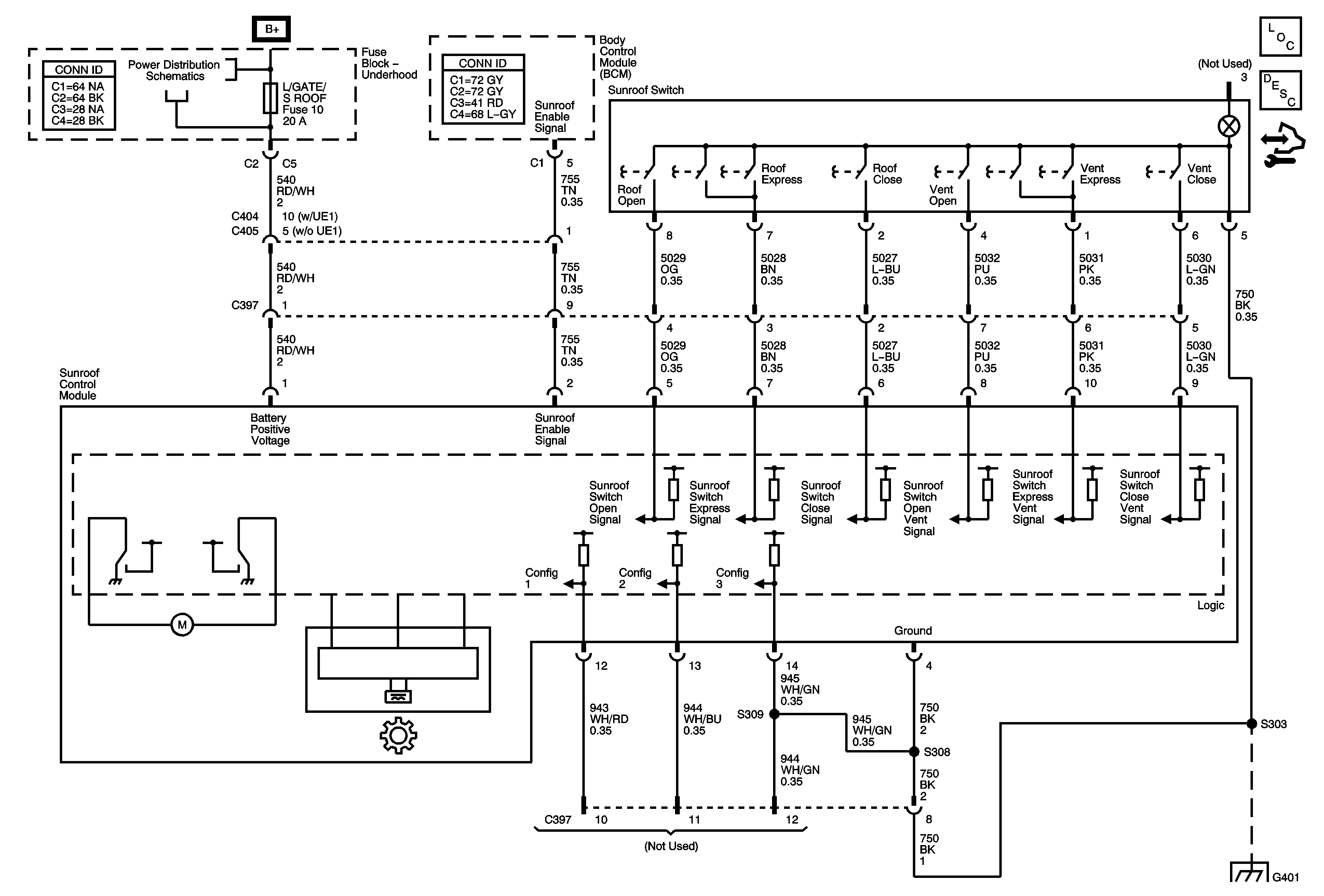
Power Sunroof
Master Electrical Component List
Sunroof Description and Operation
Control Module References
Underhood Fuse Block - L/GATE RELEASE, PWR/TRN Relays, L/GATE/S ROOF, EXH, INJ IGN MOD, and ECM Fuses
G401, G403