GM Service Manual Online
For 1990-2009 cars only
Makes
🢒
Chevrolet
🢒
2007
🢒
HHR
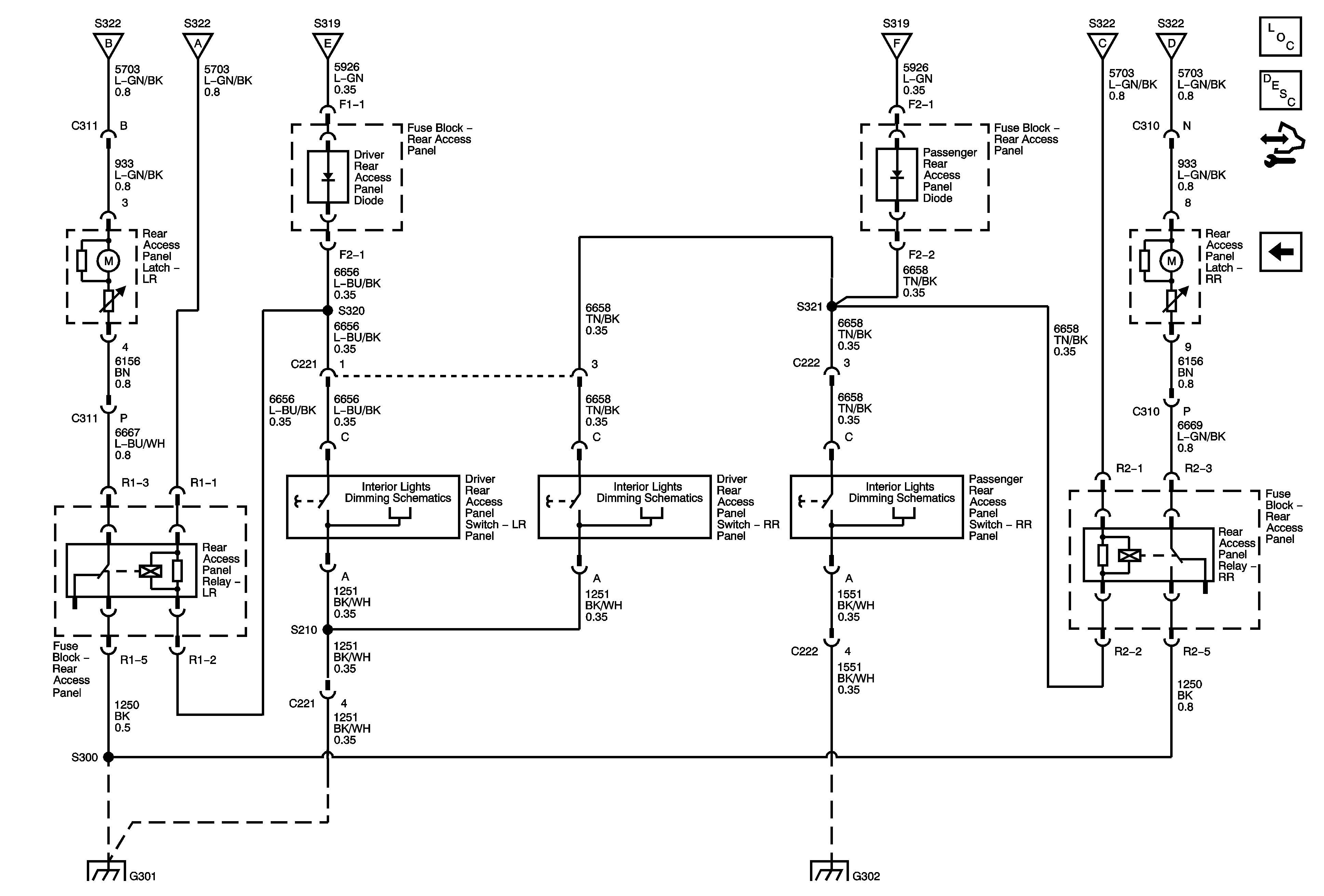
🢒 Liftgate/Rear Access Panel Schematics (Panel Van) 2 of 2
Liftgate/Rear Access Panel Schematics (Panel Van) 2 of 2
Liftgate / Rear Access Panel Schematics (Panel Van) 2 of 2
Master Electrical Component List
Liftgate Description and Operation
Control Module References
Liftgate/Rear Access Panel Schematics (Panel Van) 1 of 2
Liftgate/Rear Access Panel Schematics (Panel Van) 1 of 2
Liftgate/Rear Access Panel Schematics (Panel Van) 1 of 2
Liftgate/Rear Access Panel Schematics (Panel Van) 1 of 2
Liftgate/Rear Access Panel Schematics (Panel Van) 1 of 2
Liftgate/Rear Access Panel Schematics (Panel Van) 1 of 2
Liftgate/Rear Access Panel Schematics (Panel Van) 1 of 2
HVAC Control Module, Console Flood Lamp, A/T Shift Lock Control Solenoid, Door Lock Switches, and Outside Rearview Mirror
HVAC Control Module, Console Flood Lamp, A/T Shift Lock Control Solenoid, Door Lock Switches, and Outside Rearview Mirror
HVAC Control Module, Console Flood Lamp, A/T Shift Lock Control Solenoid, Door Lock Switches, and Outside Rearview Mirror