GM Service Manual Online
For 1990-2009 cars only

Removal Procedure


    Object Number: 1571745  Size: SH
  1. Remove the air cleaner assembly. Refer to Air Cleaner Assembly Replacement .
  2. Remove the oil level indicator.

  3. Object Number: 1623541  Size: SH
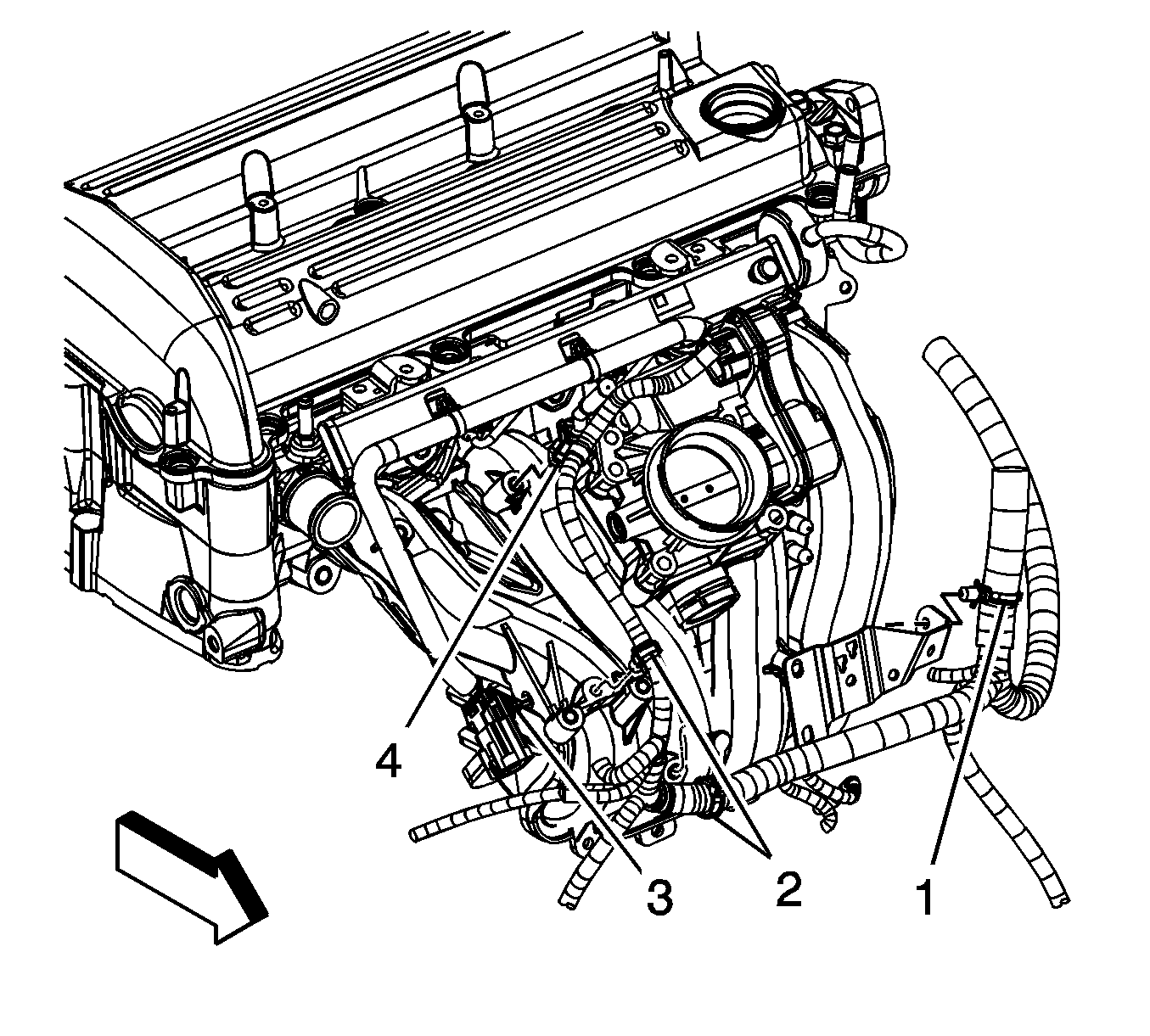
  4. Remove the engine harness clip (1) from the oil level indicator tube bracket.

  5. Object Number: 1718437  Size: SH
  6. Remove the air conditioning (A/C) compressor and condenser hose clip (1) from the oil level indicator tube bracket.

  7. Object Number: 1623540  Size: SH
  8. Remove the oil level indicator tube bolt (2).
  9. Remove the oil level indicator tube (1).
  10. Remove the oil level indicator tube O-ring seals, if necessary.

Installation Procedure


    Object Number: 1623540  Size: SH
  1. Install NEW oil level indicator tube O-ring seals, if necessary.
  2. Install the oil level indicator tube (1).
  3. Notice: Refer to Fastener Notice in the Preface section.

  4. Install the oil level indicator tube bolt (2).
  5. Tighten
    Tighten the bolt to 10 N·m (89 lb in).


    Object Number: 1718437  Size: SH
  6. Install the A/C compressor and condenser hose clip (1) to the oil level indicator tube bracket.

  7. Object Number: 1623541  Size: SH
  8. Install the engine harness clip (1) to the oil level indicator tube bracket.

  9. Object Number: 1571745  Size: SH
  10. Install the oil level indicator.
  11. Install the air cleaner assembly. Refer to Air Cleaner Assembly Replacement .