GM Service Manual Online
For 1990-2009 cars only

Special Tools

J 45059 Torque Angle Meter

Removal Procedure

  1. Raise and support the vehicle. Refer to Lifting and Jacking the Vehicle .
  2. Remove the tire and wheel assembly. Refer to Tire and Wheel Removal and Installation .
  3. Important: If removing the rear wheel bearing to service other suspension components, it is NOT necessary to completely disassemble the rear brake assemblies. Remove the rear brake assemblies as a unit and relocate to the side.

  4. Remove the rear brake drum, if equipped. Refer to Brake Drum Replacement .
  5. Remove the rear brake rotor, if equipped. Refer to Rear Brake Rotor Replacement .

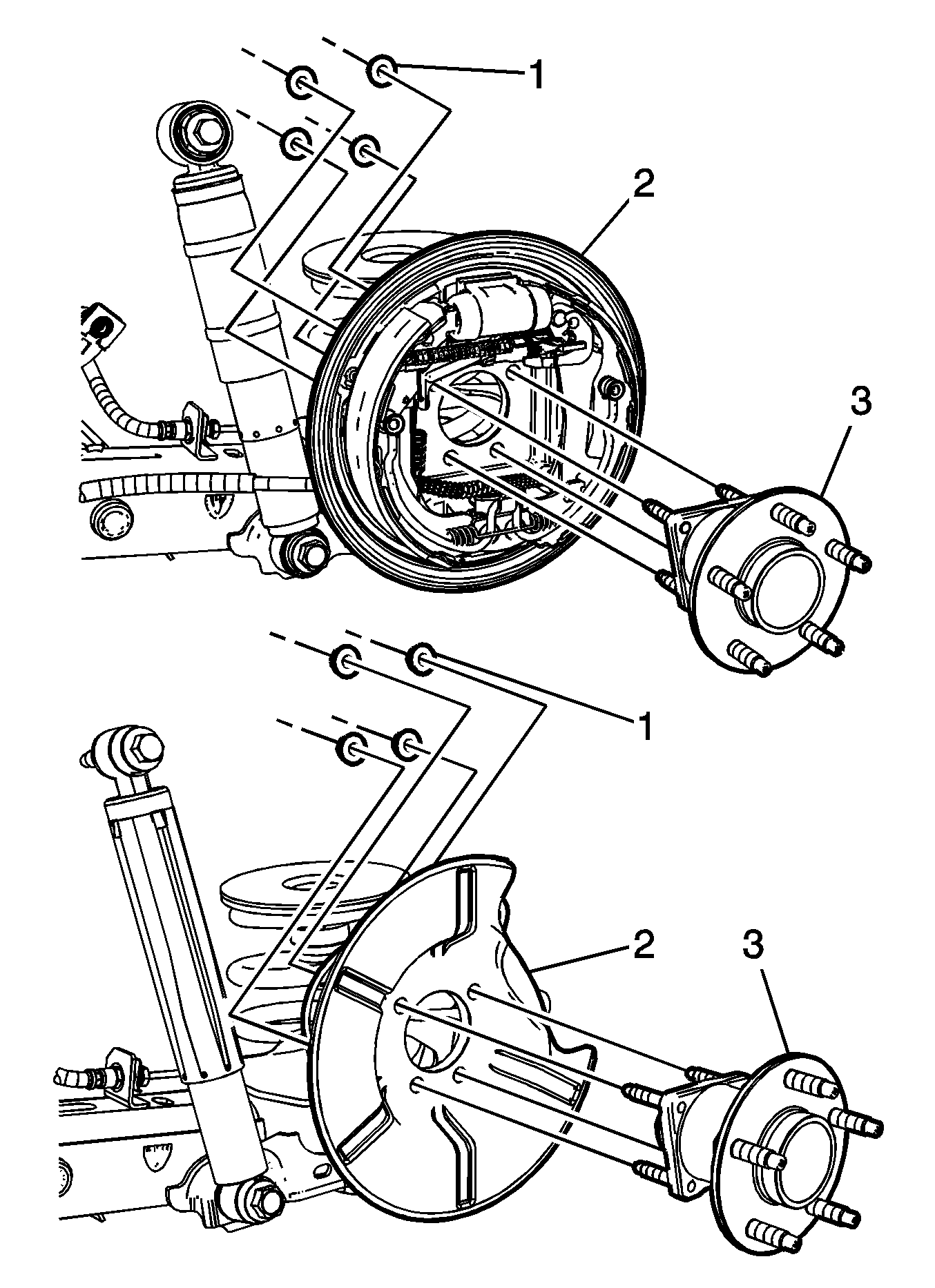
  6. Object Number: 2004372  Size: MH
  7. Remove the wheel bearing/hub mounting nuts (1) from the wheel bearing/hub assembly (3).
  8. Remove the wheel bearing/hub assembly (3) from the trailing arm and brake backing plate (2).

  9. Object Number: 2004881  Size: SH
  10. Disconnect the wheel speed sensor electrical connector (1) from the wheel bearing/hub assembly (2).

Installation Procedure


    Object Number: 2004881  Size: SH
  1. Reconnect the wheel speed sensor electrical connector (1) to the wheel bearing/hub assembly (2).

  2. Object Number: 2004372  Size: MH
  3. Position the wheel bearing/hub assembly (3) in the trailing arm and brake backing plate (2).
  4. Notice: Refer to Fastener Notice in the Preface section.

  5. Install the wheel bearing/hub mounting nuts (1).
  6. Tighten
    Tighten the wheel bearing/hub mounting nuts to 45 N·m (33 lb ft). Using the J 45059 , rotate the mounting nuts an additional 30 degrees.

  7. Install the rear brake drum, if equipped. Refer to Brake Drum Replacement .
  8. Install the rear brake rotor, if equipped. Refer to Rear Brake Rotor Replacement .
  9. Install the tire and wheel assembly. Refer to Tire and Wheel Removal and Installation .
  10. Remove the support and lower the vehicle.