GM Service Manual Online
For 1990-2009 cars only
Figure 1:

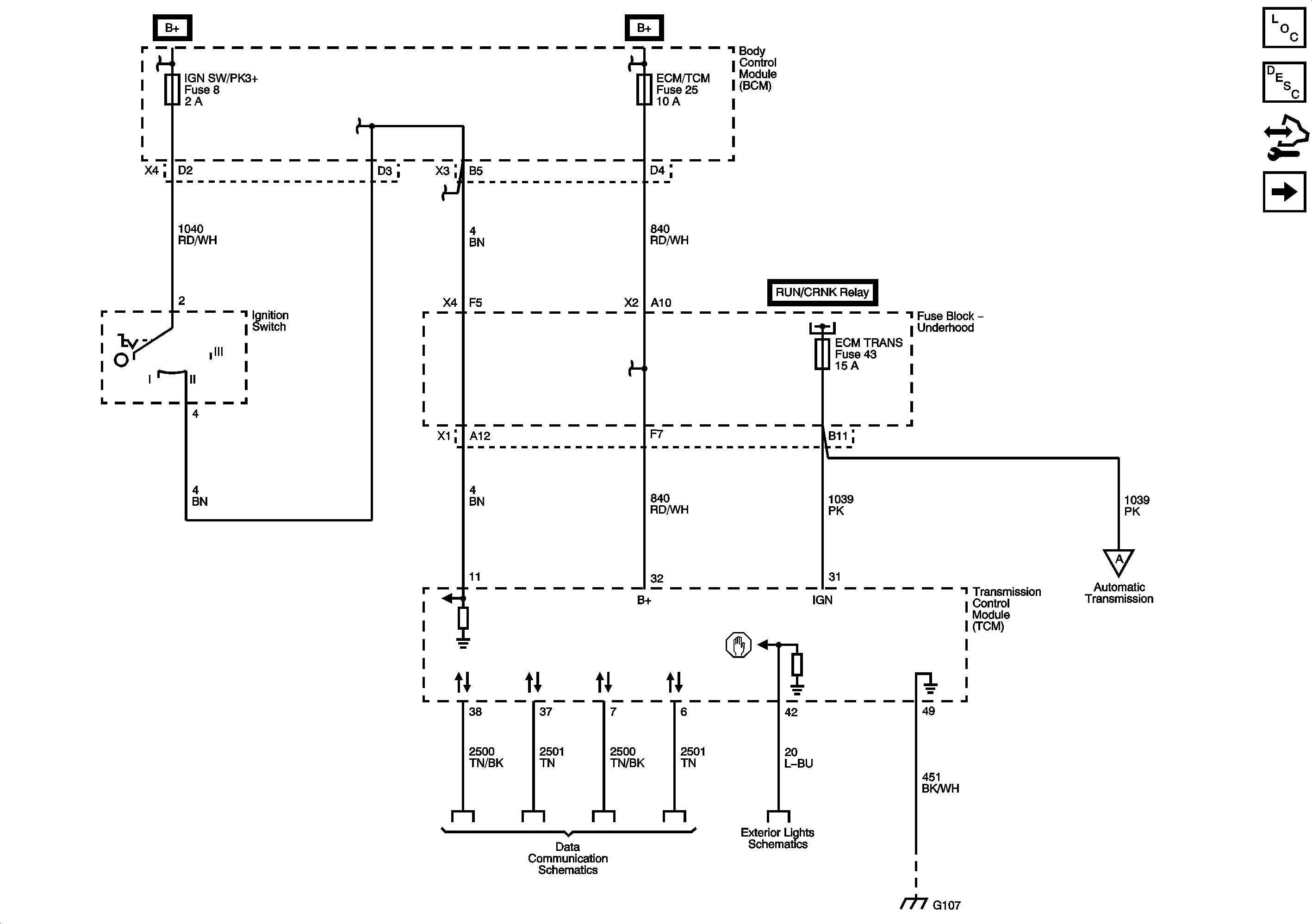
TCM, Power, and Ground


Object Number: 1887578  Size: FS
Master Electrical Component List
Electronic Component Description
Control Module References
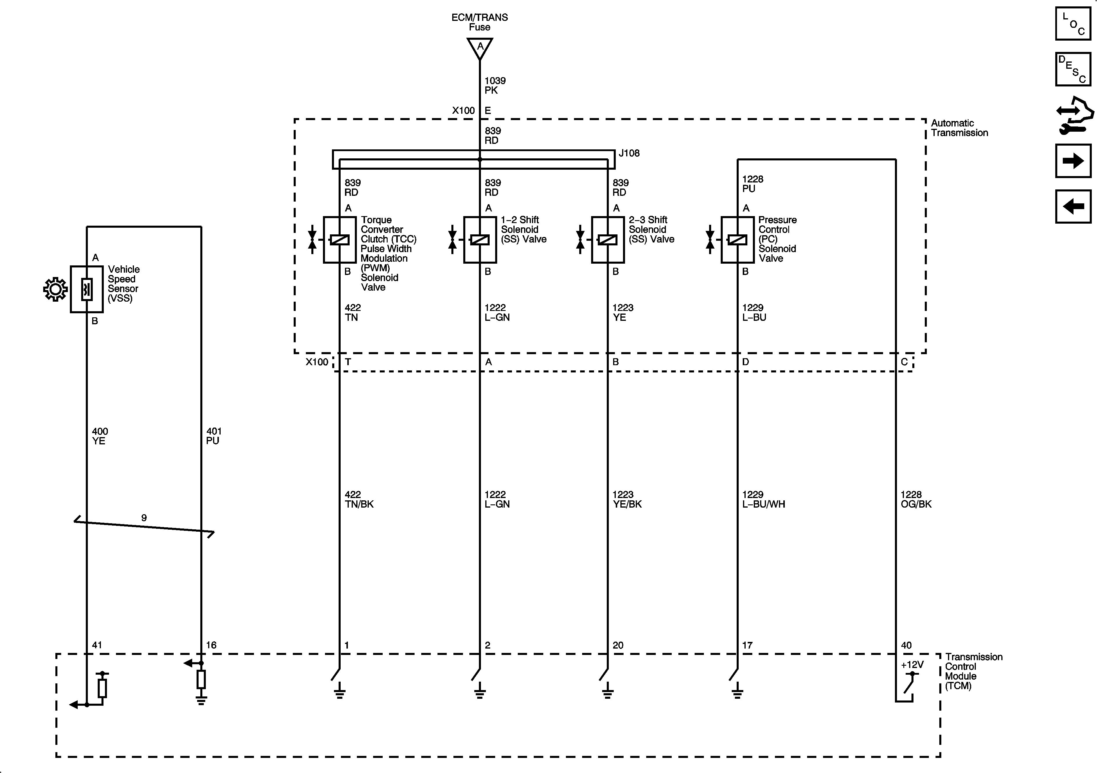
Transmission Solenoid and VSS
Figure 2:

Transmission Solenoid and VSS


Object Number: 1887582  Size: FS
Master Electrical Component List
Electronic Component Description
Control Module References
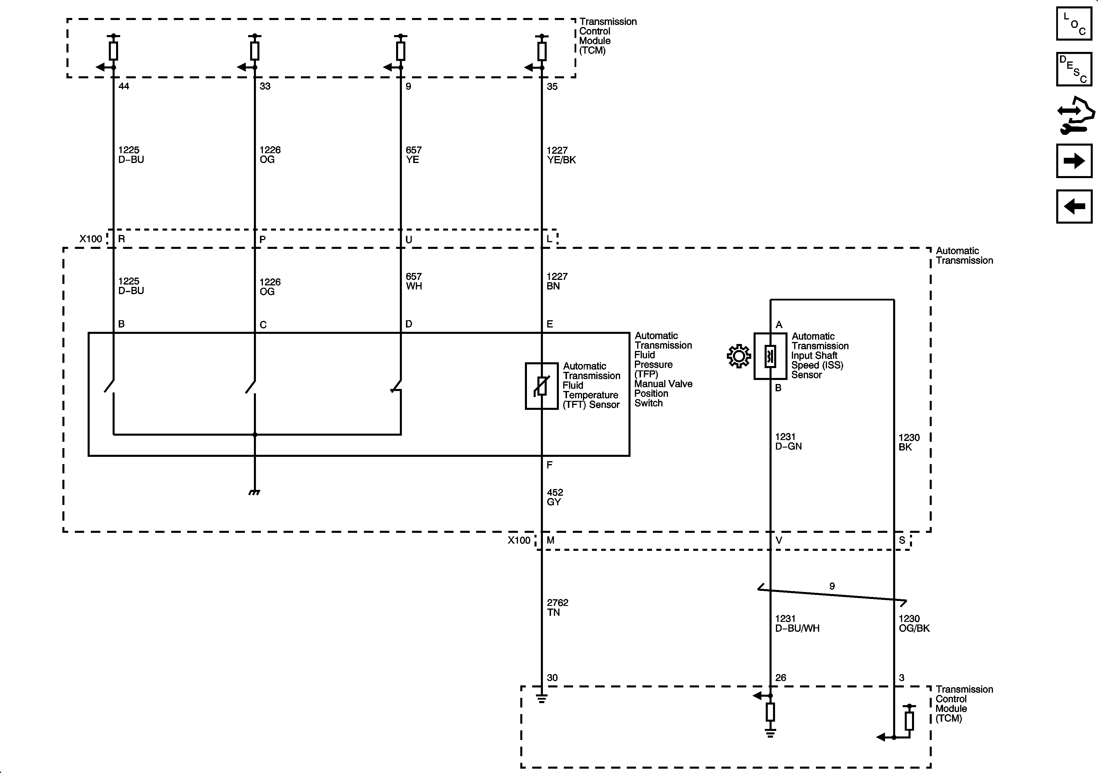
Transmission Switches, TFT and A/T ISS Sensors
TCM Power, Ground
Figure 3:

Transmission Switches, TFT, and A/T ISS Sensors


Object Number: 1887586  Size: FS
Master Electrical Component List
Electronic Component Description
Control Module References
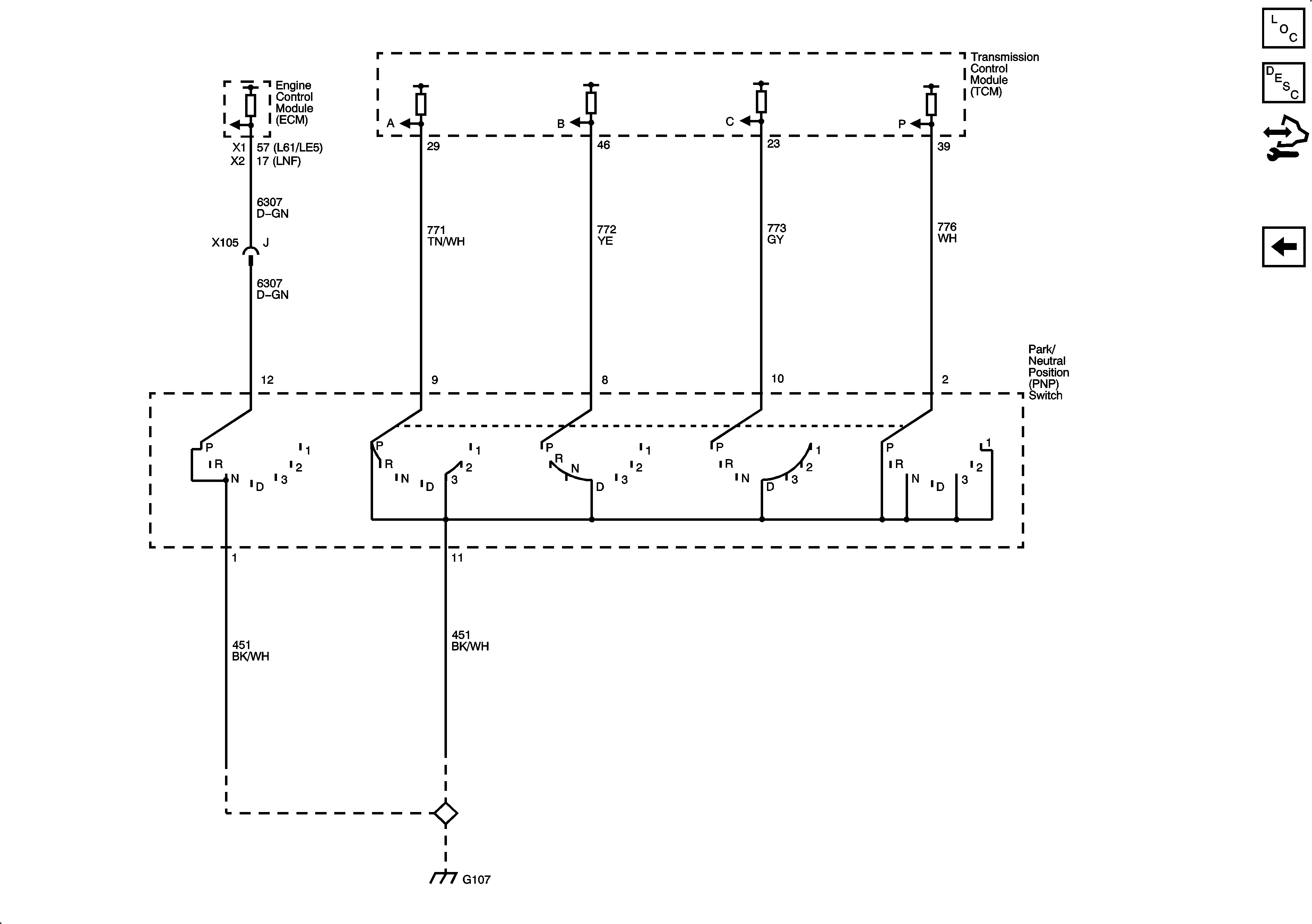
PNP Switch
Transmission Solenoid and VSS
Figure 4:

PNP Switch


Object Number: 1887592  Size: FS
Master Electrical Component List
Electronic Component Description
Control Module References
Transmission Switches, TFT and A/T ISS Sensors