GM Service Manual Online
For 1990-2009 cars only

Removal Procedure


    Object Number: 2002374  Size: SH
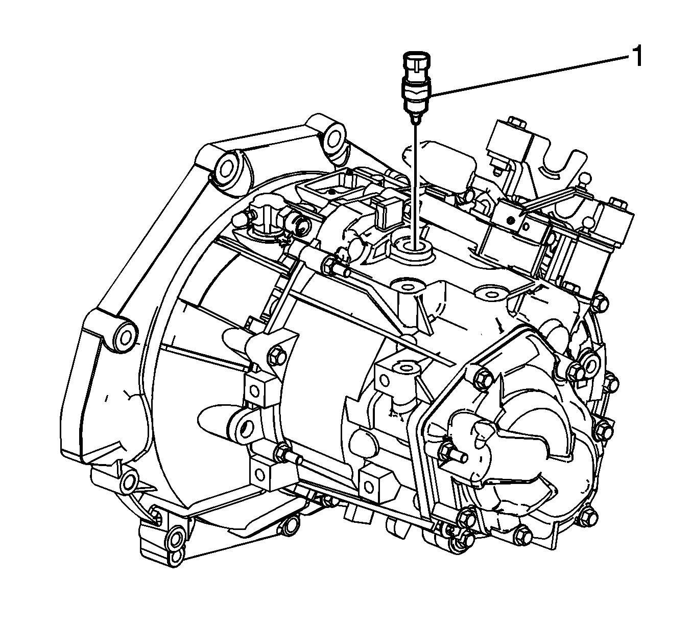
  1. Disconnect the backup lamp switch electrical connector.
  2. Remove the backup lamp switch.

Installation Procedure

    Notice: Refer to Component Fastener Tightening Notice in the Preface section.


    Object Number: 2002374  Size: SH
  1. Remove the backup lamp switch.
  2. Tighten
    Tighten the switch to 24 N·m (18 lb ft).

  3. Connect the backup lamp switch electrical connector.