GM Service Manual Online
For 1990-2009 cars only
Makes
🢒
Chevrolet
🢒
2008
🢒
HHR
🢒
Transmission/Transaxle
🢒
Manual Transmission - Getrag 5 Speed
🢒 Manual Transmission Schematics
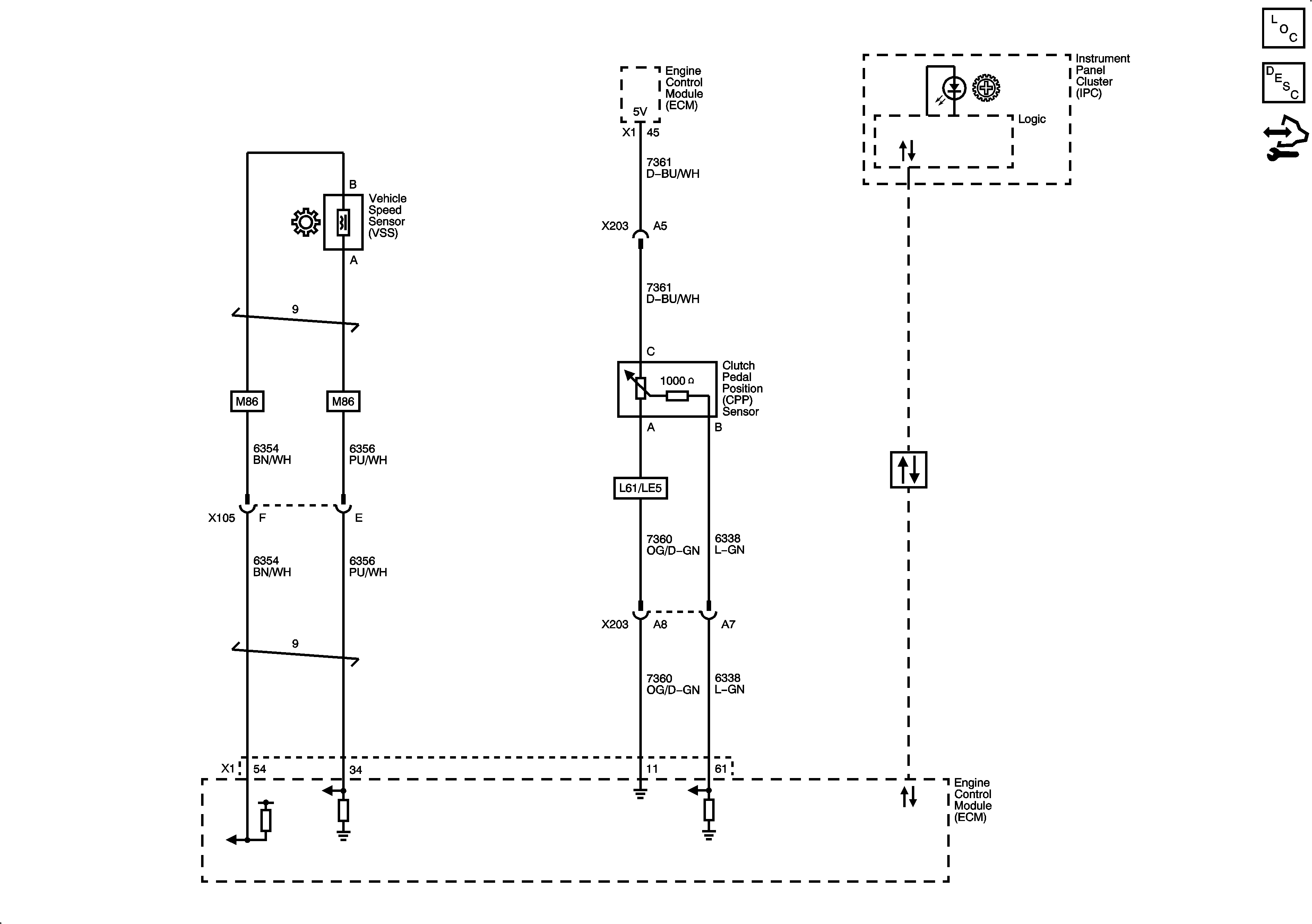
Getrag 5-Speed
Master Electrical Component List
Transmission System Description and Operation
Control Module References