GM Service Manual Online
For 1990-2009 cars only
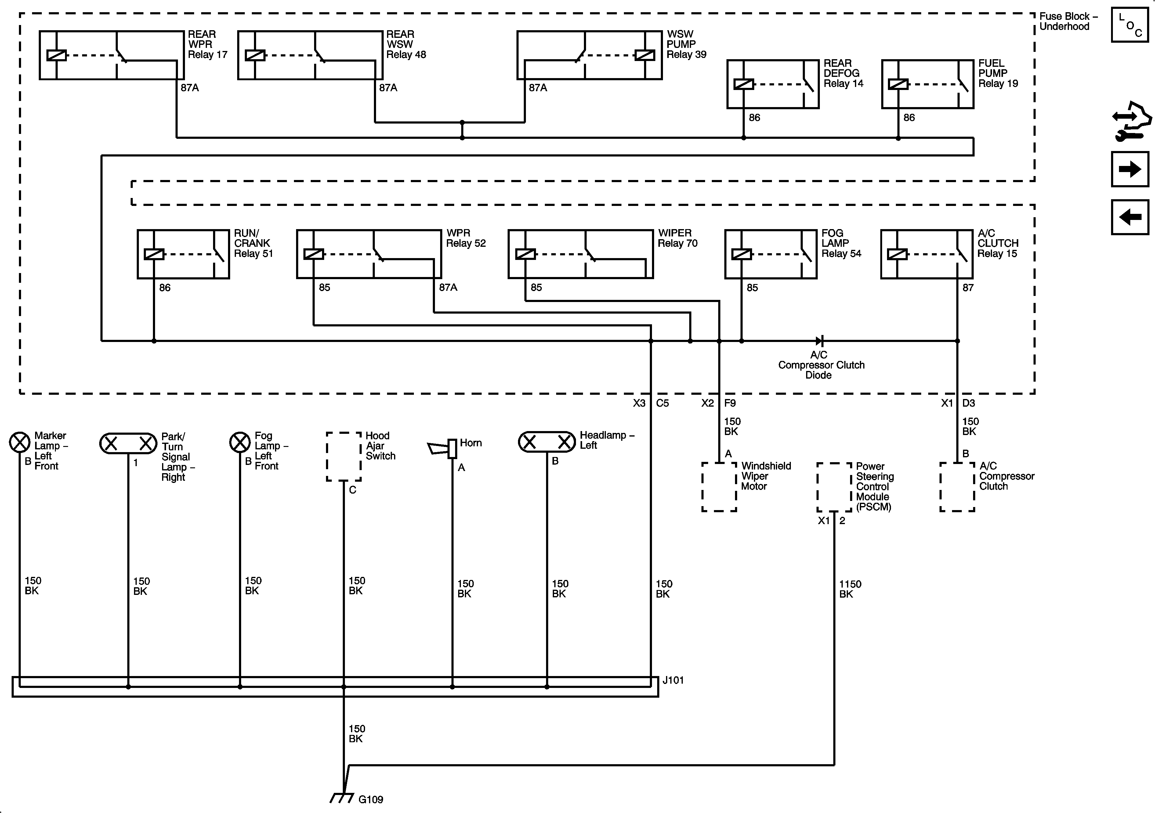
Figure 1:

G103, G105, G107 and G108


Object Number: 1887778  Size: FS
Master Electrical Component List
Control Module References
G109
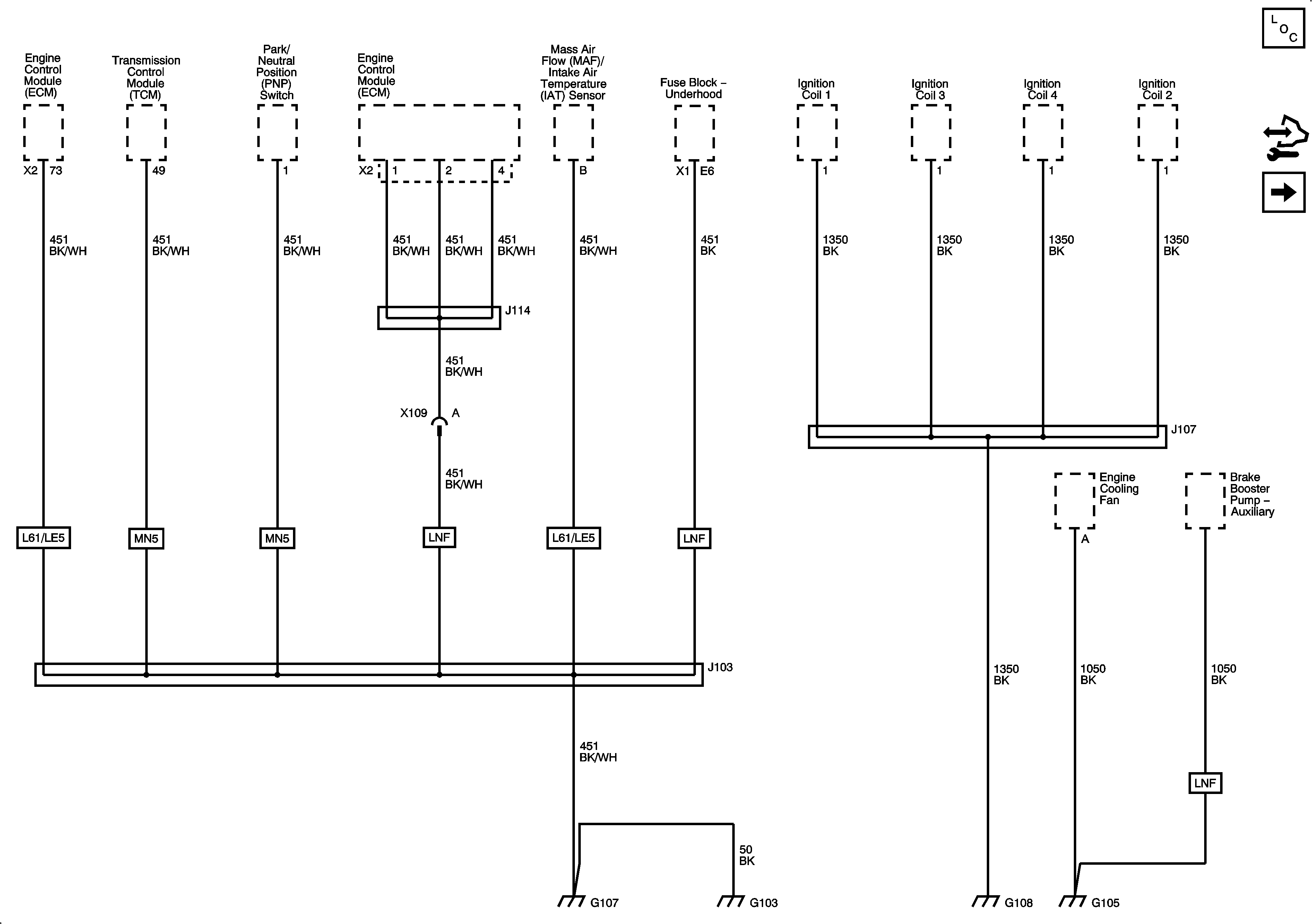
Figure 2:

G109


Object Number: 1887780  Size: FS
Master Electrical Component List
Control Module References
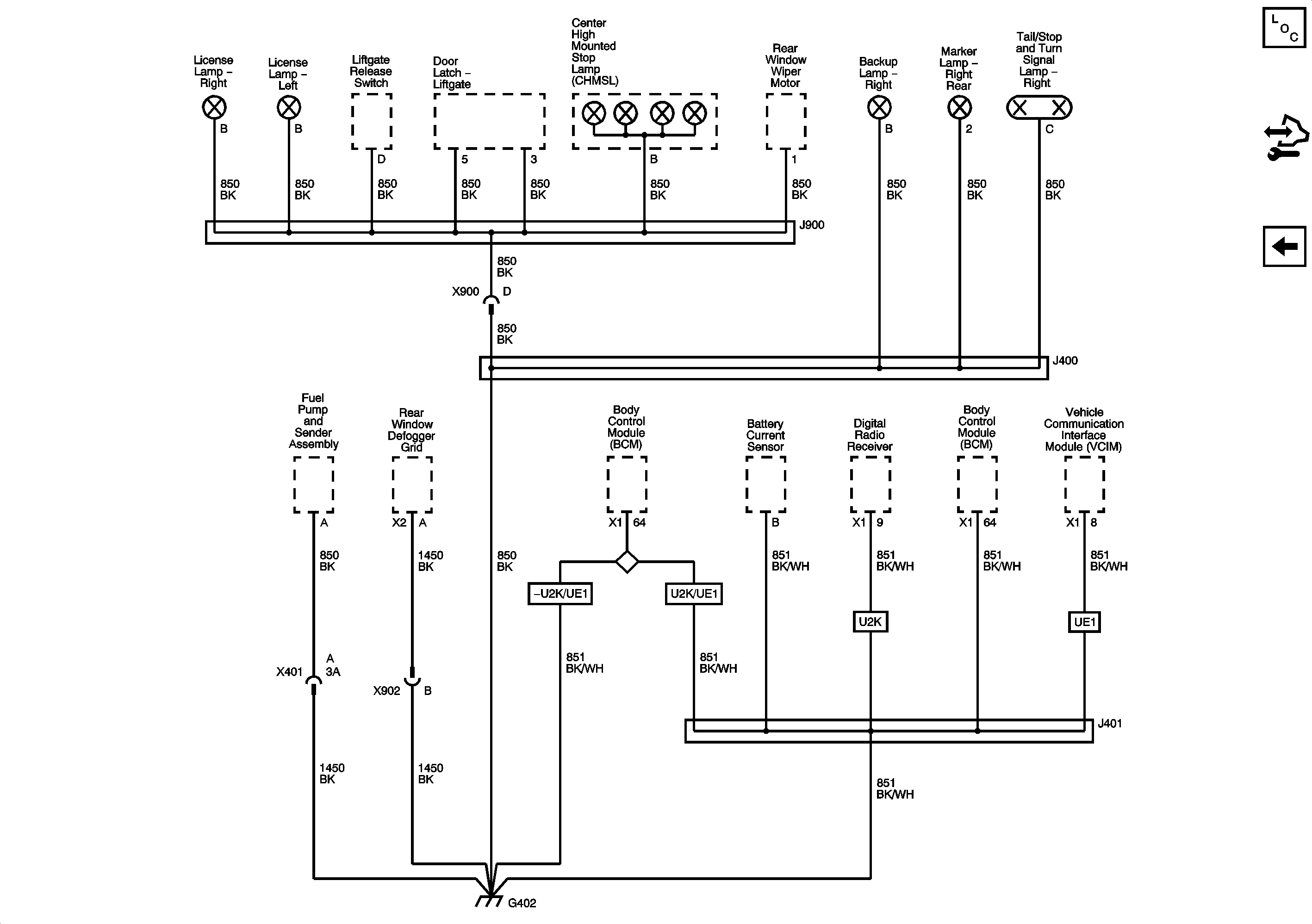
G111
G103, G105, G107, G108
Figure 3:

G111


Object Number: 1887782  Size: FS
Master Electrical Component List
Control Module References
G201, G203
G109
Figure 4:

G201 and G203


Object Number: 1887784  Size: FS
Master Electrical Component List
Control Module References
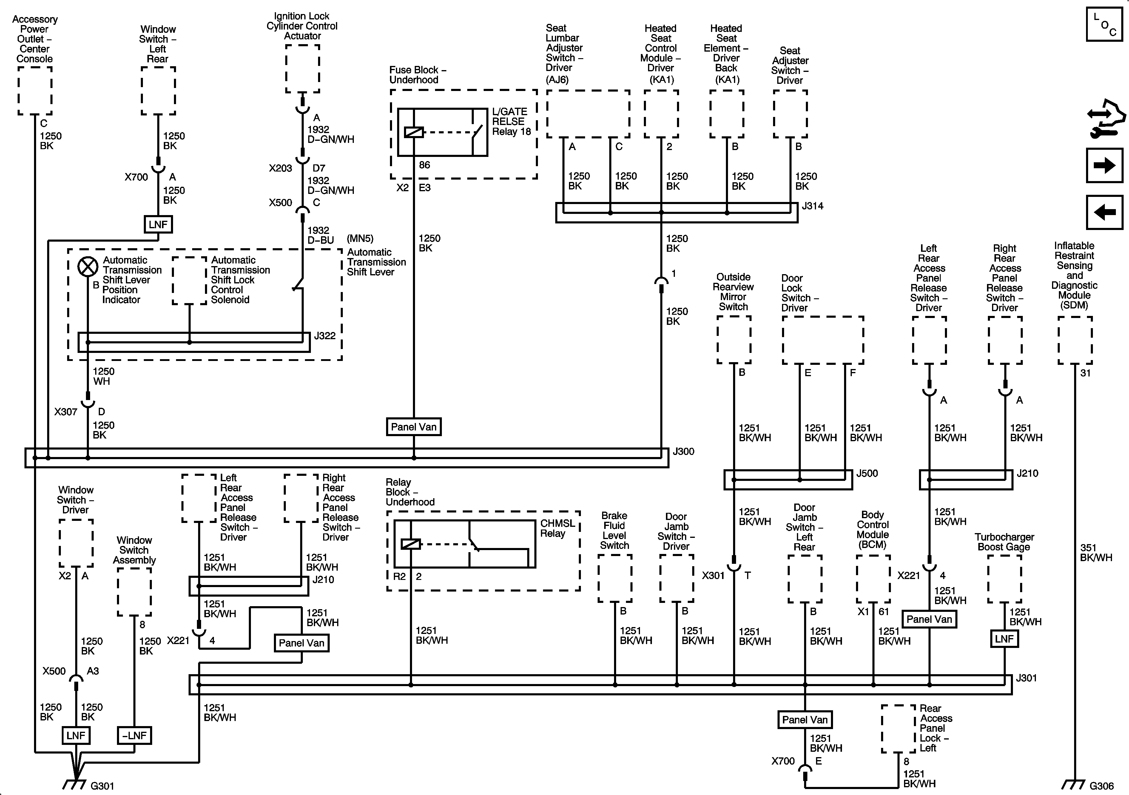
G301, G306
G111
Figure 5:

G301 and G306


Object Number: 1887787  Size: FS
Master Electrical Component List
Control Module References
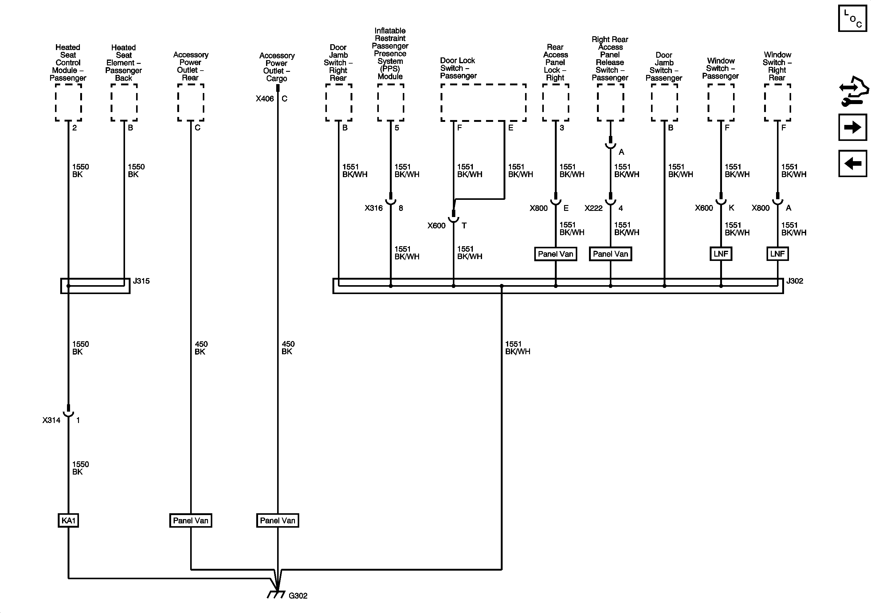
G302
G201, G203
Figure 6:

G302


Object Number: 1887789  Size: FS
Master Electrical Component List
Control Module References
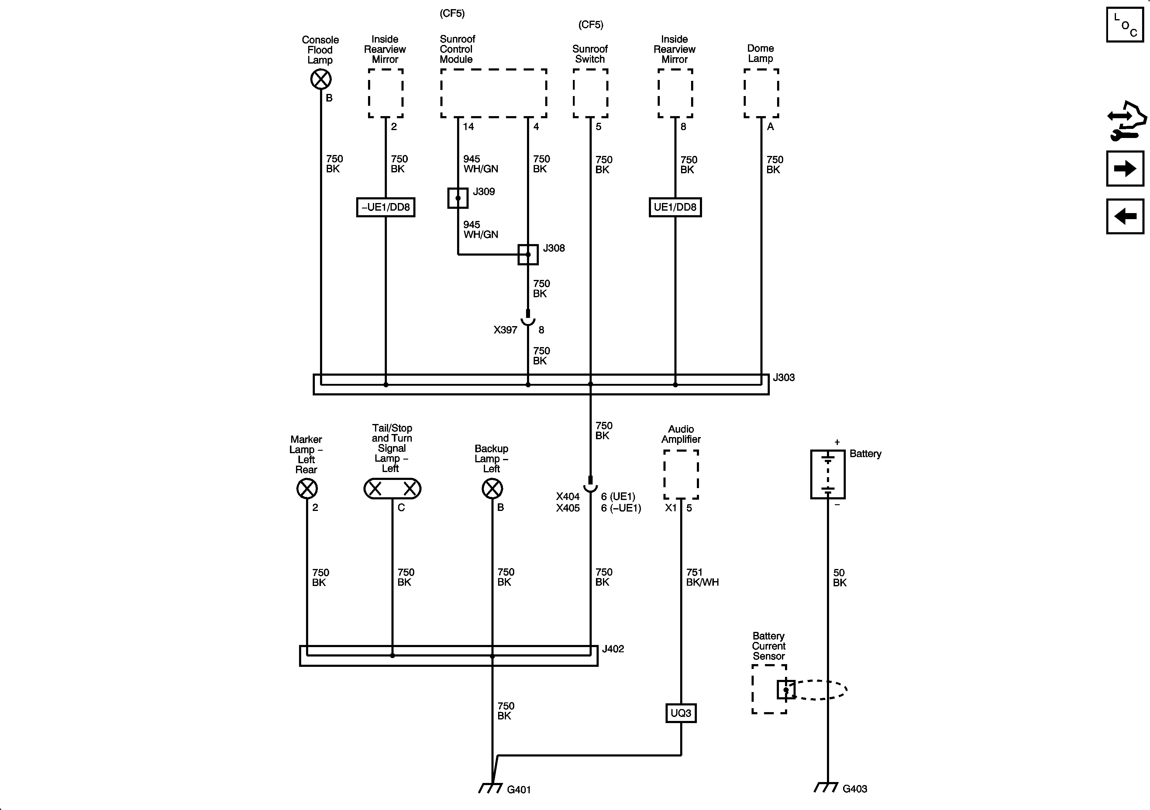
G401, G403
G301, G306
Figure 7:

G401 and G403


Object Number: 1887792  Size: FS
Master Electrical Component List
Control Module References
G402
G302
Figure 8:

G402


Object Number: 1887794  Size: FS
Master Electrical Component List
Control Module References
G401, G403