GM Service Manual Online
For 1990-2009 cars only
Makes
🢒
Chevrolet
🢒
2008
🢒
HHR
🢒
Roof
🢒
Sunroof
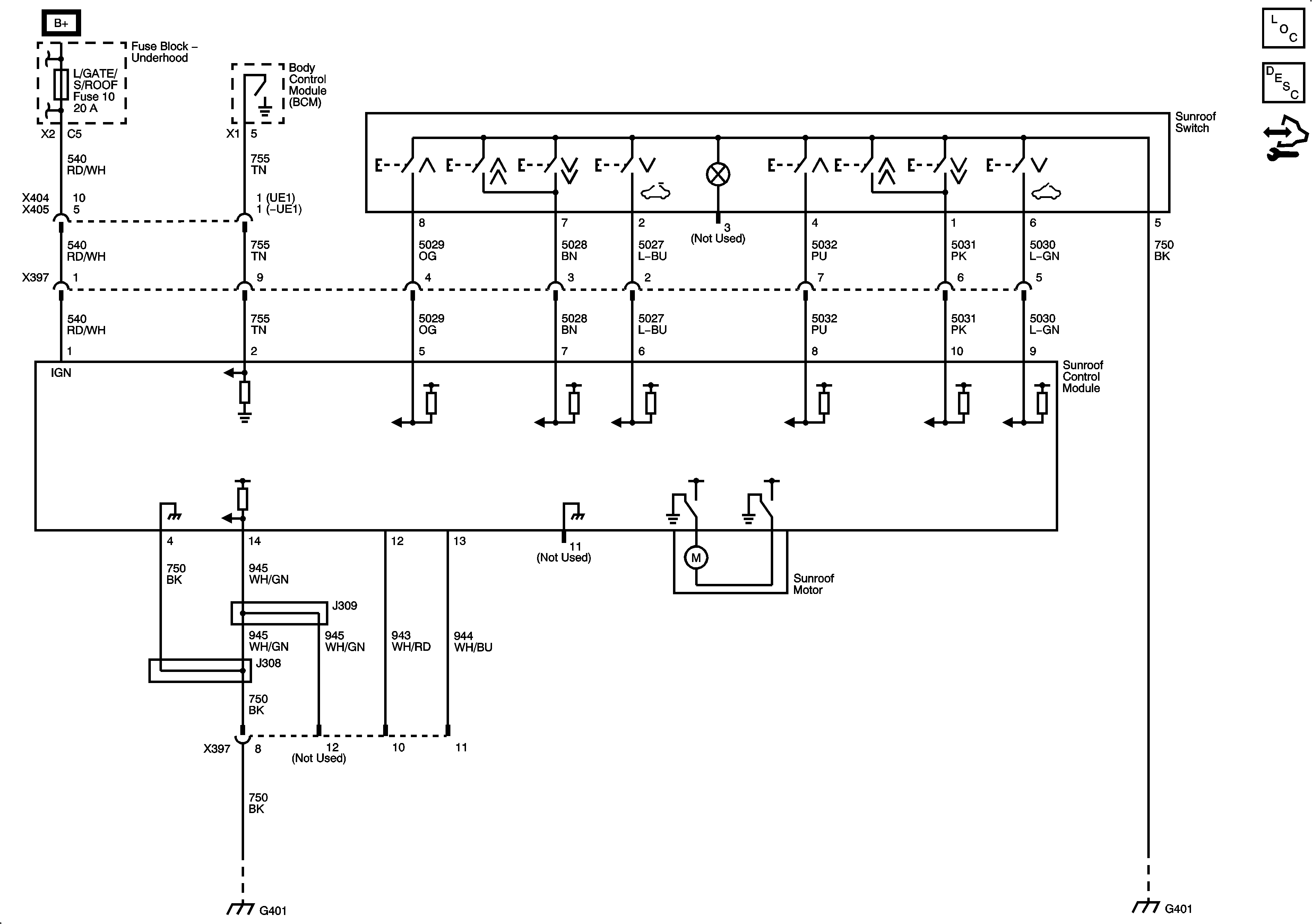
🢒 Sunroof Schematics
Power Sunroof
Master Electrical Component List
Sunroof Description and Operation
Control Module References