GM Service Manual Online
For 1990-2009 cars only
Makes
🢒
Chevrolet
🢒
2008
🢒
HHR
🢒
Seats
🢒
Seat Heating and Cooling
🢒 Heated/Cooled Seat Schematics
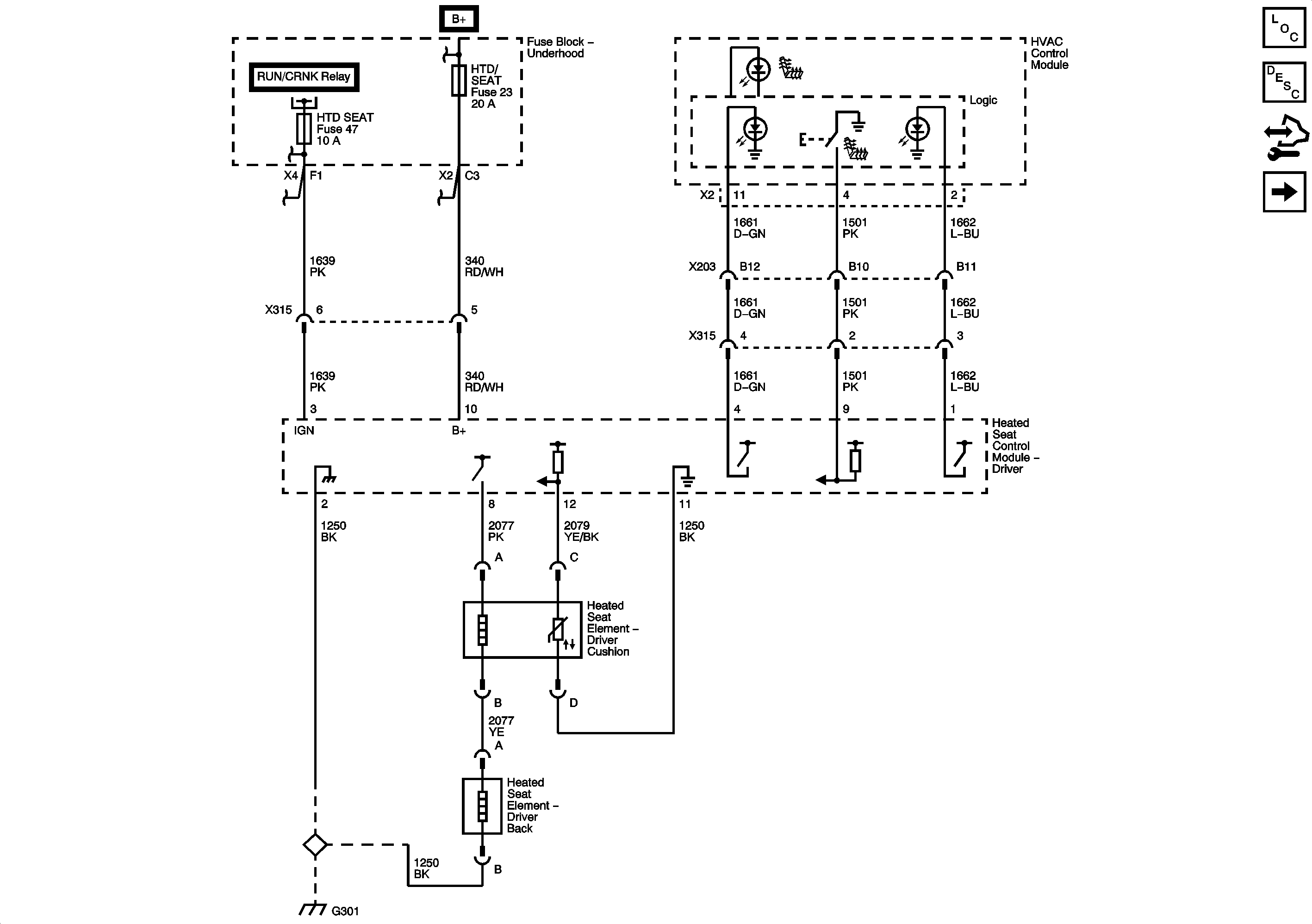
Figure
1:
Heated Seat - Driver
Master Electrical Component List
Heated Seats Description and Operation
Control Module References
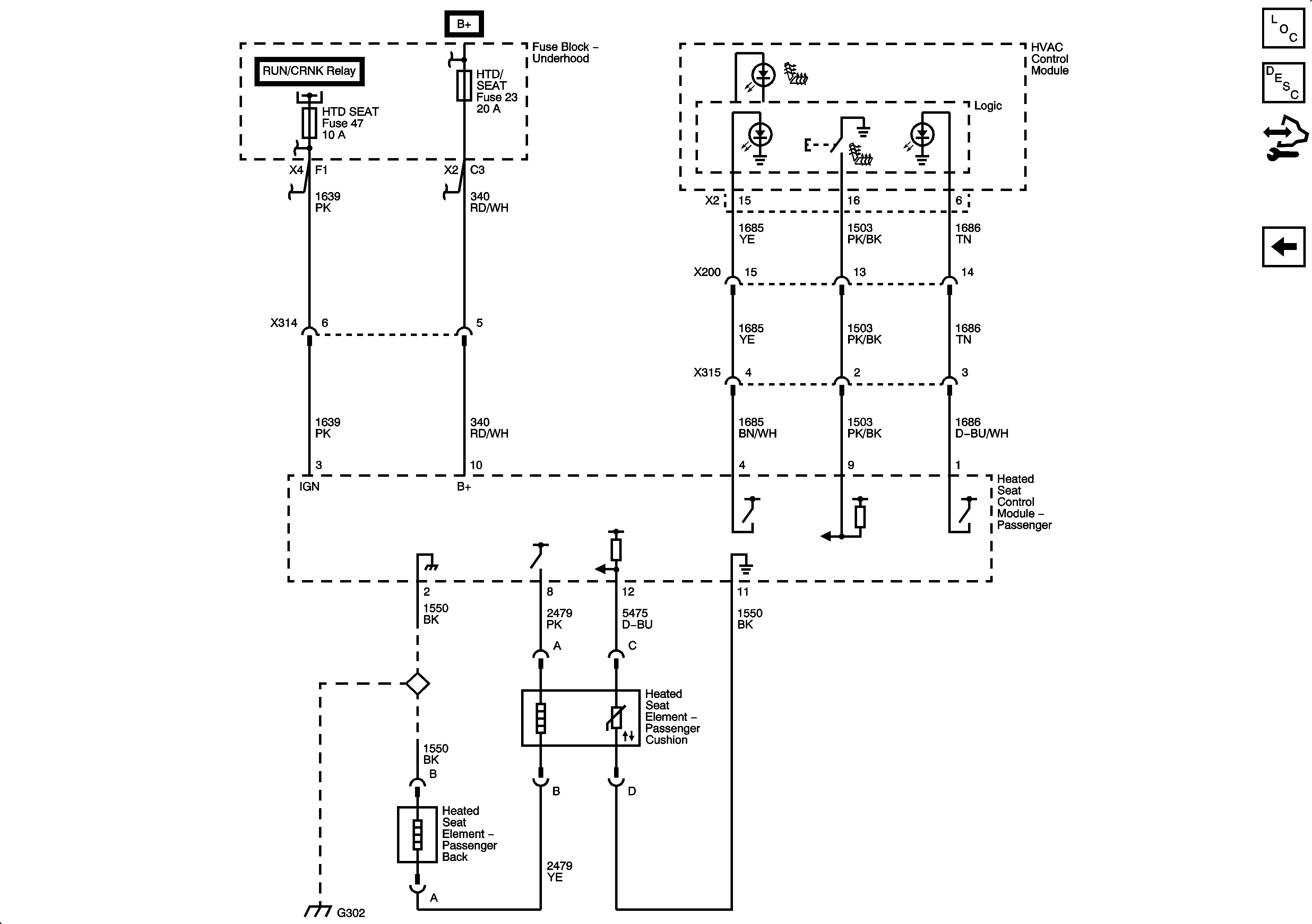
Heated Seat - Passenger
Figure
2:
Heated Seat - Passenger
Master Electrical Component List
Heated Seats Description and Operation
Control Module References
Heated Seat - Driver