GM Service Manual Online
For 1990-2009 cars only

Special Tools

J 45059 Torque Angle Meter

Removal Procedure

  1. Raise and support the vehicle. Refer to Lifting and Jacking the Vehicle .
  2. Remove the tire and wheel assembly. Refer to Tire and Wheel Removal and Installation .

  3. Object Number: 2003560  Size: MH
  4. Remove the front lower control arm ball stud nut (1).
  5. Remove the front lower control arm ball stud bolt (3) from the steering knuckle (1).

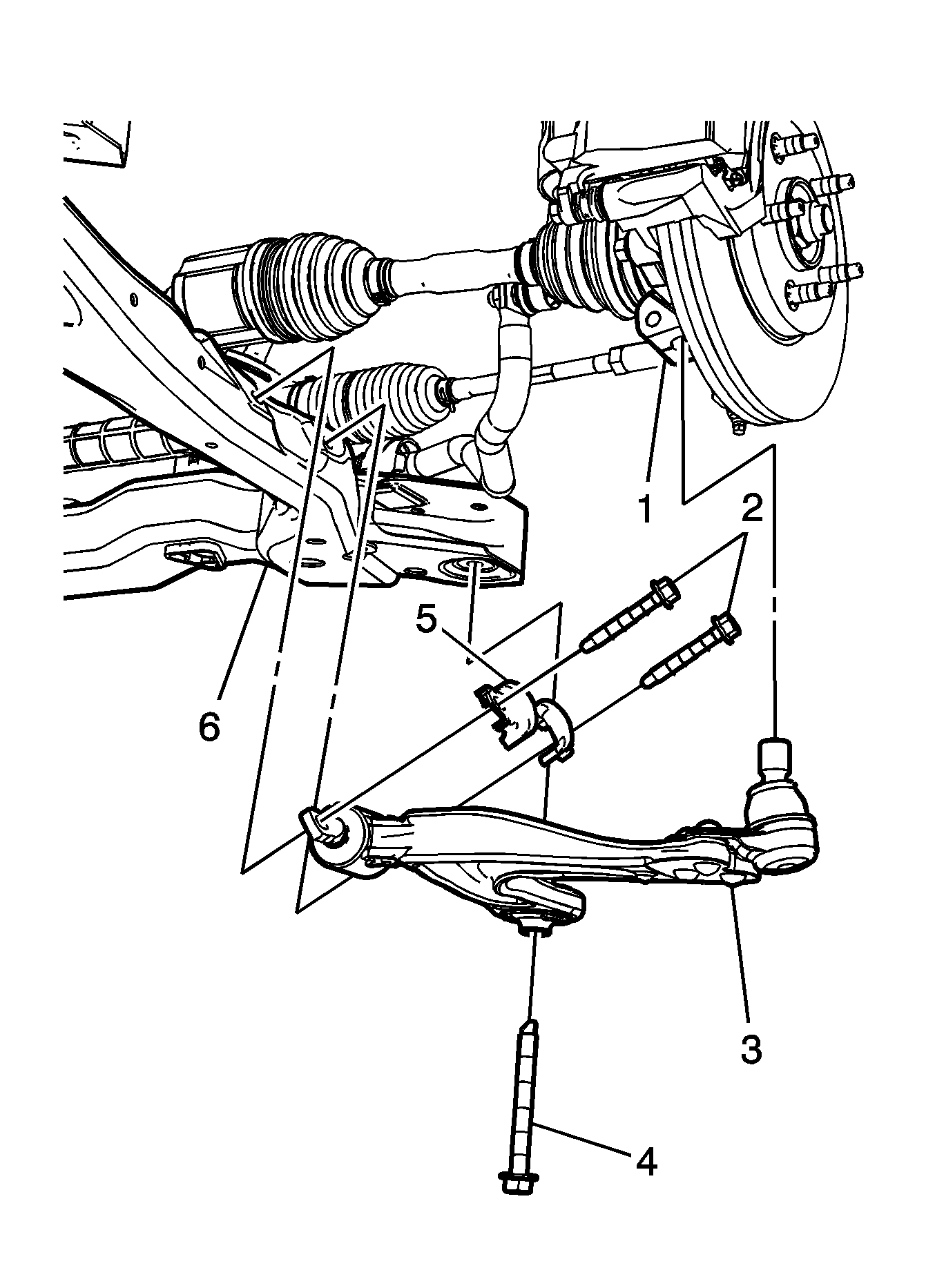
  6. Object Number: 2003591  Size: MH
  7. Remove the drivetrain and front suspension frame bolt (4) from the drivetrain and front suspension frame (6).
  8. Remove the front lower control arm bolts (2), and the front lower control arm brackets (5).
  9. Remove the front lower control arm (3) from the steering knuckle (1) and the drivetrain and front suspension frame (6).

Installation Procedure


    Object Number: 2003591  Size: MH
  1. Position the front lower control arm (3) on the drivetrain and front suspension frame (6).
  2. Notice: Refer to Fastener Notice in the Preface section.

  3. Install the drivetrain and front suspension frame bolt (4) in the frame (6).
  4. Tighten
    Tighten the frame bolt (4) to 100 N·m (74 lb ft). Using the J 45059 rotate the frame bolt (4) 180 degrees.

  5. Install the front lower control arm brackets (5) and the lower control arm bolts (2).
  6. Tighten
    Tighten the lower control arm bolts (2)  to 55 N·m (41 lb ft).

  7. Install the front lower control arm (3) in the steering knuckle (1).

  8. Object Number: 2003560  Size: MH
  9. Install the lower control arm ball stud bolt (3) in the steering knuckle (2).
  10. Install the lower control arm ball stud bolt nut (1).
  11. Tighten
    Tighten the lower control arm ball stud nut (1) to 50 N·m (37 lb ft). Using the J 45059 rotate the lower control arm ball stud nut (1) 30 degrees.