GM Service Manual Online
For 1990-2009 cars only
Figure 1:

Controlled/Monitored Subsystem References


Object Number: 2085249  Size: FS
Master Electrical Component List
Engine Control Module Description
Control Module References
Engine Data Sensors - 5Volt and Low Reference
Figure 2:

Engine Data Sensors - 5-Volt and Low References


Object Number: 2085225  Size: FS
Master Electrical Component List
Engine Control Module Description
Control Module References
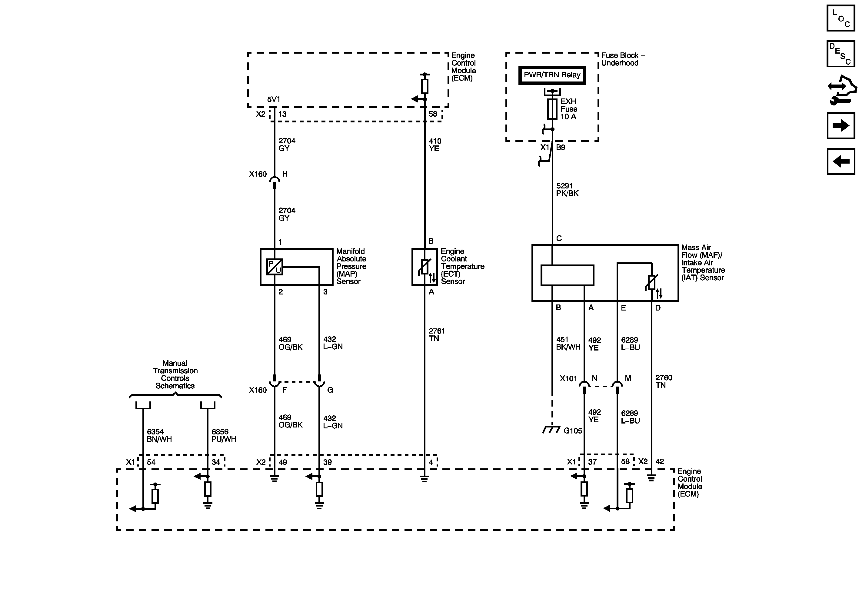
Engine Data Sensors Pressure, Temp, and MAF/IAT
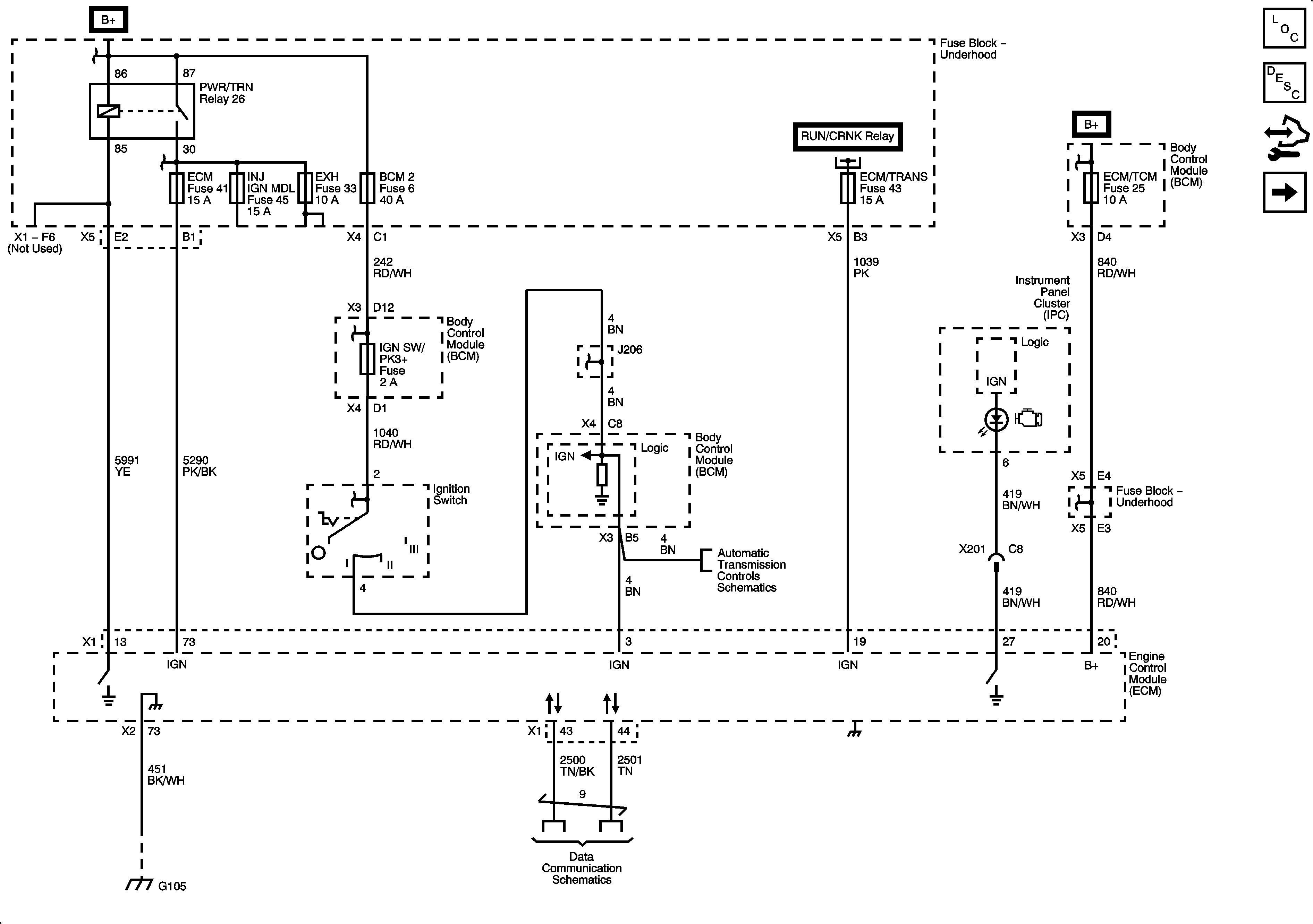
Power, Ground, MIL, and DLC
Figure 3:

Engine Data Sensors - Pressure, Temp, and MAF/IAT


Object Number: 2085227  Size: FS
Master Electrical Component List
Engine Control Module Description
Control Module References
Engine Data Sensors HO2S
Engine Data Sensors - 5Volt and Low Reference
Figure 4:

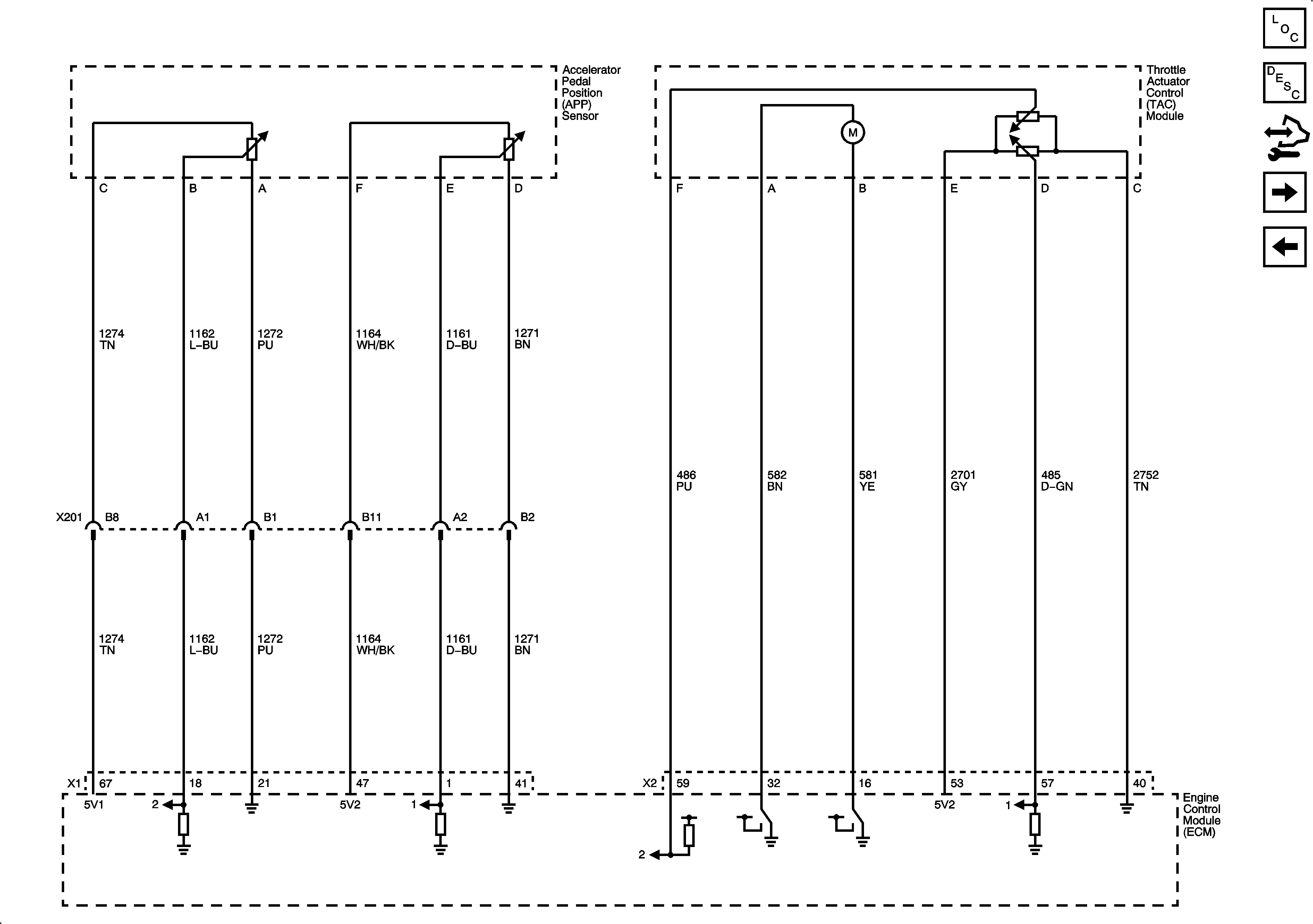
Engine Data Sensors - APP and TAC


Object Number: 2085235  Size: FS
Master Electrical Component List
Engine Control Module Description
Control Module References
Engine Data Sensors - Throttle Controls
Engine Data Sensors Pressure, Temp, and MAF/IAT
Figure 5:

Engine Data Sensors - HO2S


Object Number: 2085231  Size: FS
Master Electrical Component List
Engine Control Module Description
Control Module References
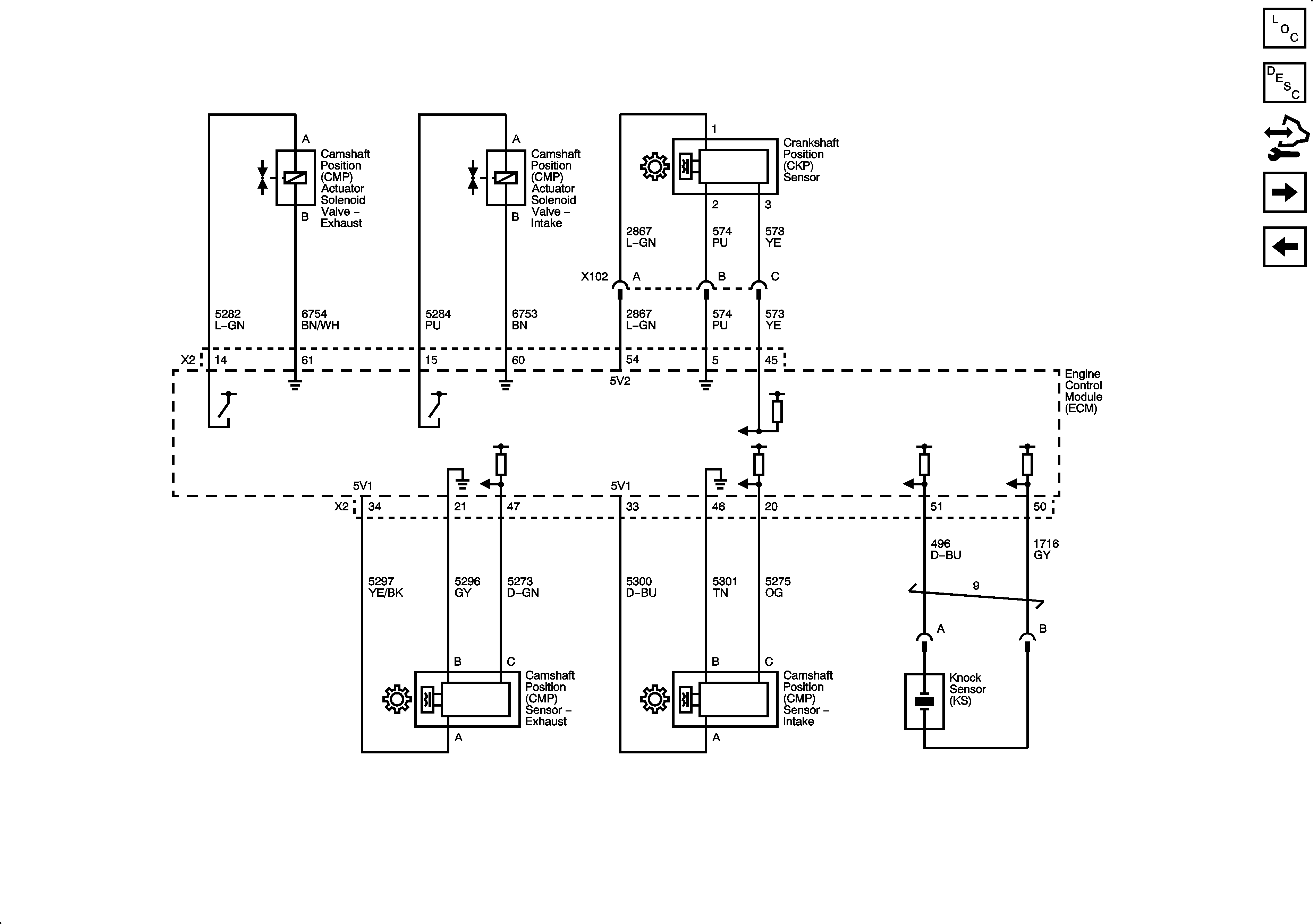
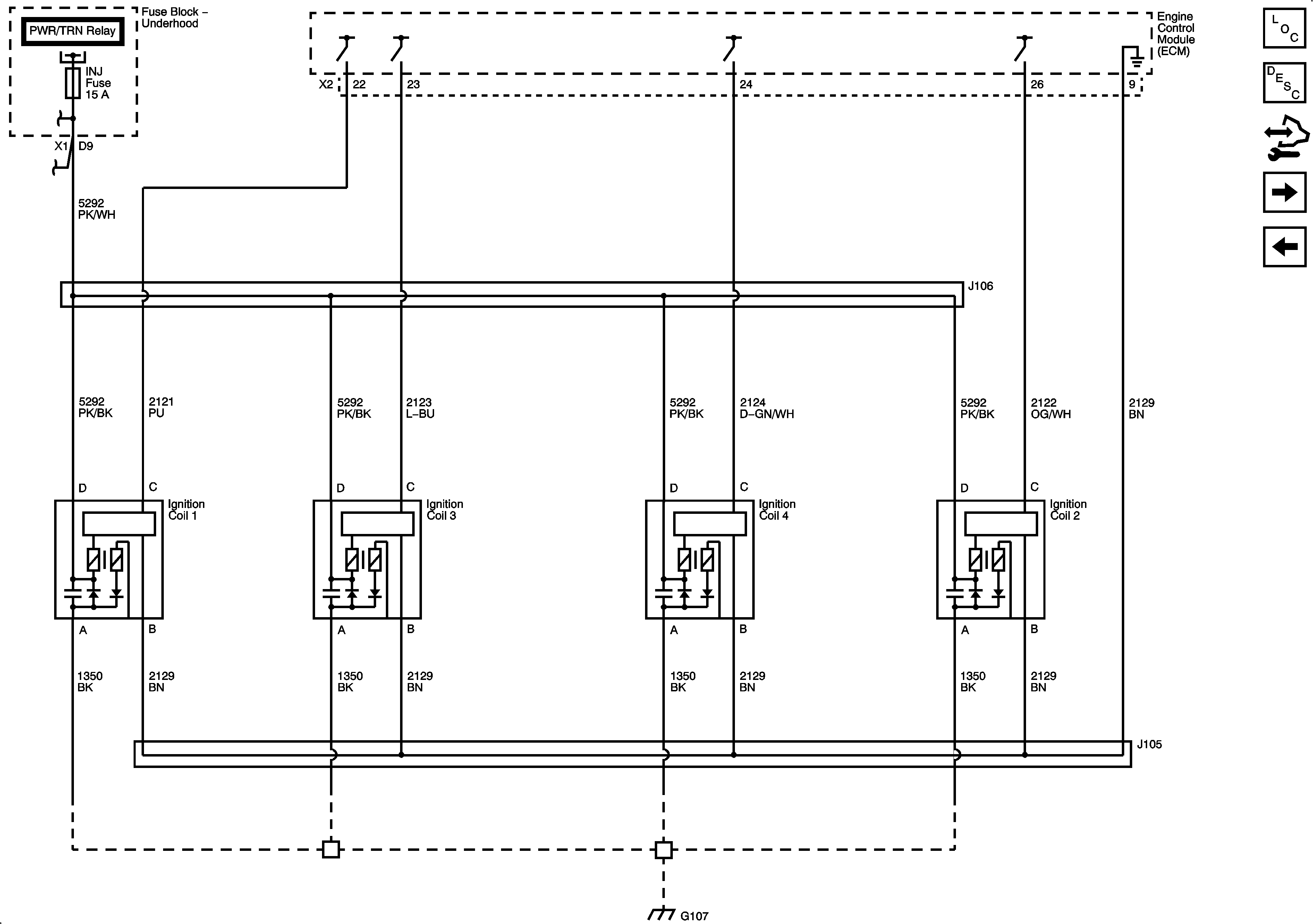
Ignition Controls - Ignition System
Engine Data Sensors HO2S
Figure 6:

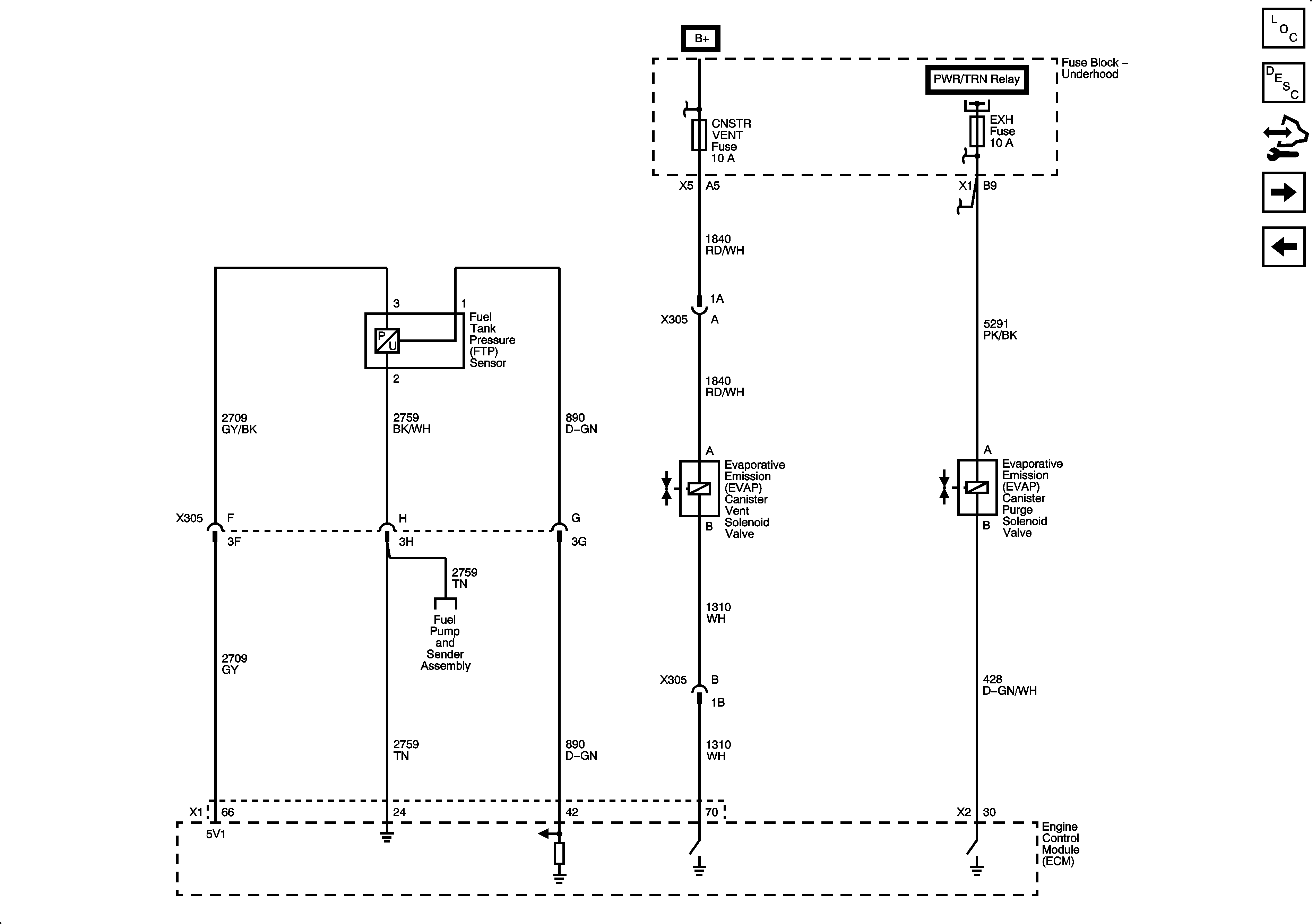
EVAP Controls


Object Number: 2085245  Size: FS
Master Electrical Component List
Engine Control Module Description
Control Module References
Ignition Controls - Sensors
Engine Data Sensors - Throttle Controls
Figure 7:

Fuel Controls


Object Number: 2085241  Size: FS
Master Electrical Component List
Engine Control Module Description
Control Module References
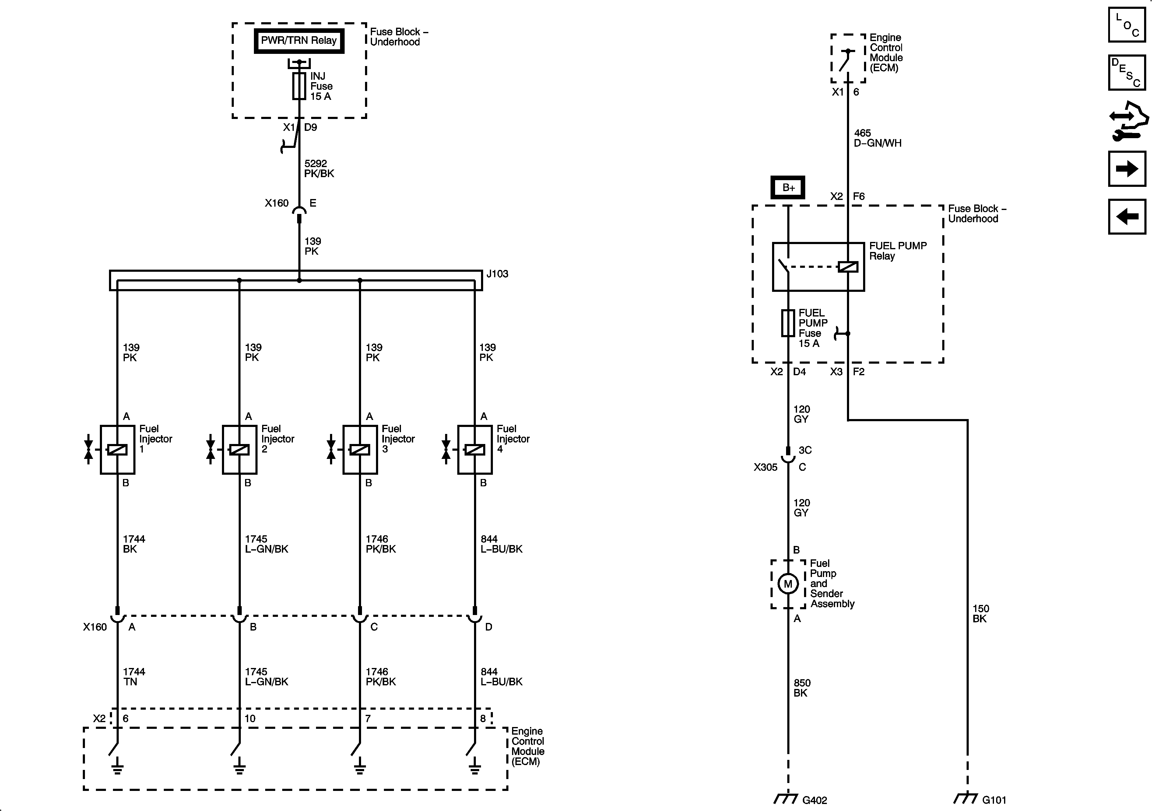
Fuel Controls - Fuel Injectors
Ignition Controls - Ignition System
Figure 8:

Ignition Controls - Ignition System


Object Number: 2085237  Size: FS
Master Electrical Component List
Engine Control Module Description
Control Module References
EVAP Controls
Ignition Controls - Sensors
Figure 9:

Ignition Controls - Sensors


Object Number: 2085239  Size: FS
Master Electrical Component List
Engine Control Module Description
Control Module References
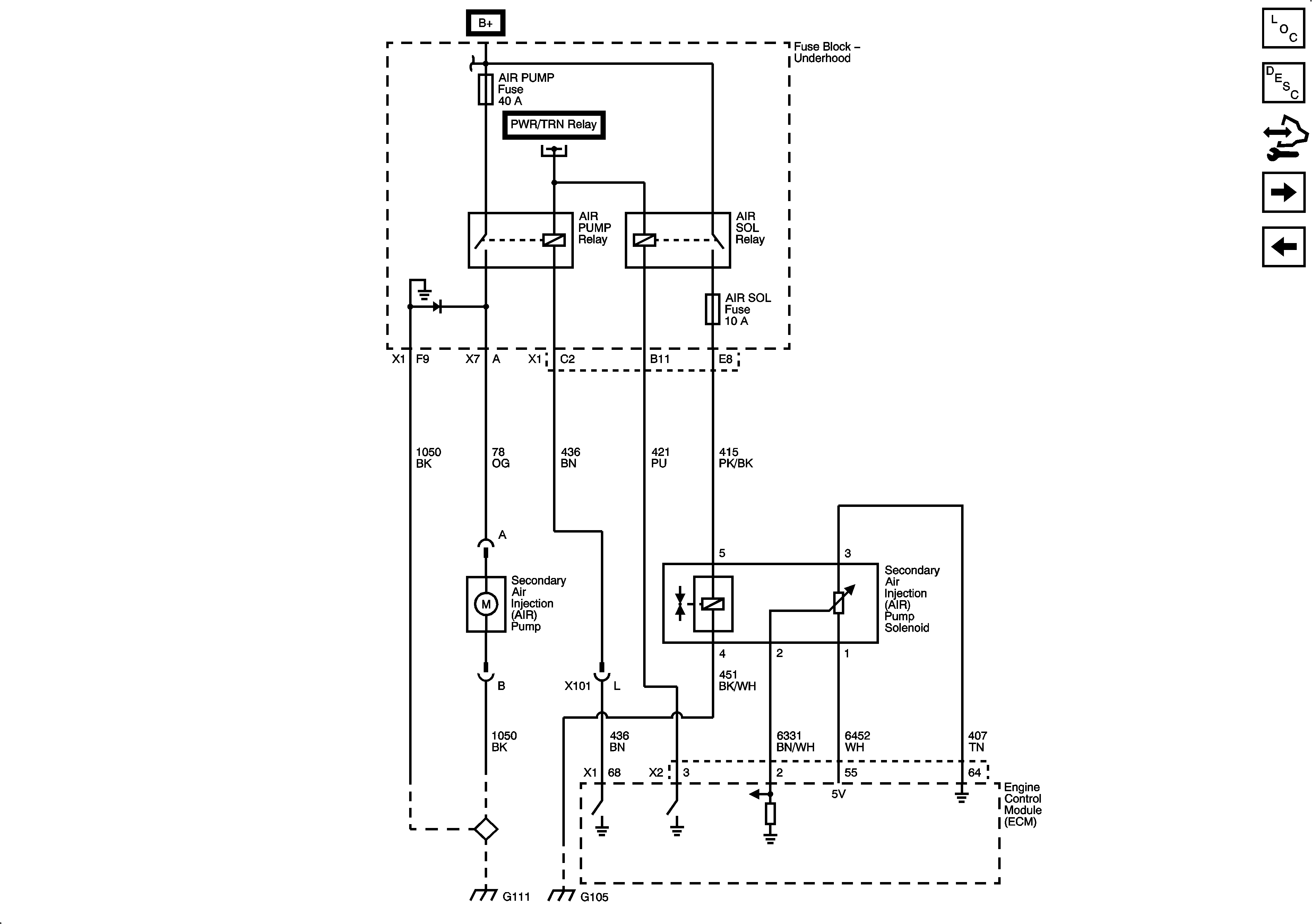
Secondary Air Injection (AIR) System (NU6)
Fuel Controls - Fuel Injectors
Figure 10:

2.2L - Secondary Air Injection (AIR) System (NU6)


Object Number: 2085135  Size: FS
Master Electrical Component List
Engine Control Module Description
Control Module References
Controlled/Monitored Subsystem References
EVAP Controls
Figure 11:

Power, Ground, MIL, and DLC


Object Number: 2085223  Size: FS
Master Electrical Component List
Engine Control Module Description
Control Module References
Secondary Air Injection (AIR) System (NU6)