GM Service Manual Online
For 1990-2009 cars only
Makes
🢒
Chevrolet
🢒
2009
🢒
HHR
🢒
Engine
🢒
Engine Electrical
🢒 Power Distribution Schematics
Figure
1:
Underhood Fuse Block - B+ Bus
Master Electrical Component List
Control Module References
Underhood Fuse Block - RUN/CRANK Relay, I/P IGN, PRK/NEUT, HTD/SEAT/BKC/UP, ABS (10A), ECM TRANS, ABS (30A), EPS, BCM2, BCM3, FRT AUX PWR OUTLET, S-BAND Fuses
Figure
2:
Underhood Fuse Block - RUN/CRANK Relay, I/P IGN, PRK/NEUT, HTD/SEAT/BCK/UP, ABS (10A), ECM TRANS, FRT AUX PWR OUTLET, ABS (30A), EPS, BCM 2, BCM3, S-BAND Fuses
Master Electrical Component List
Control Module References
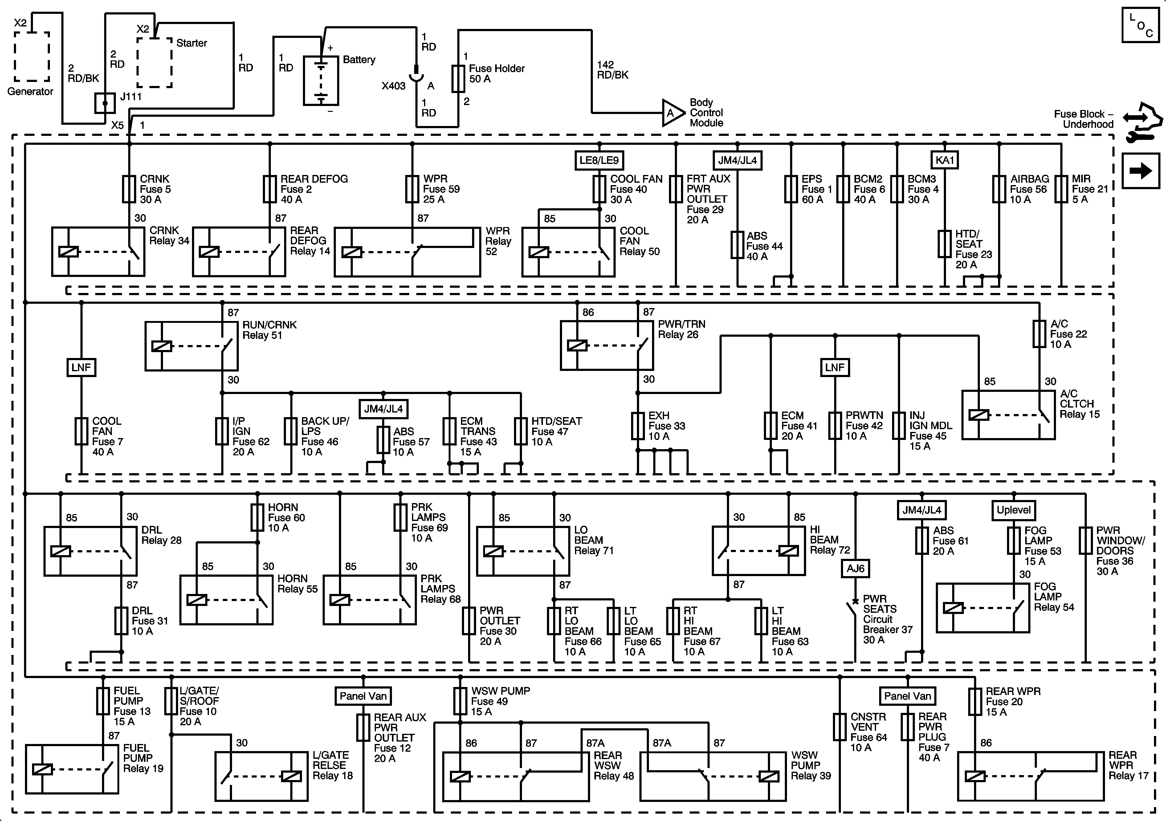
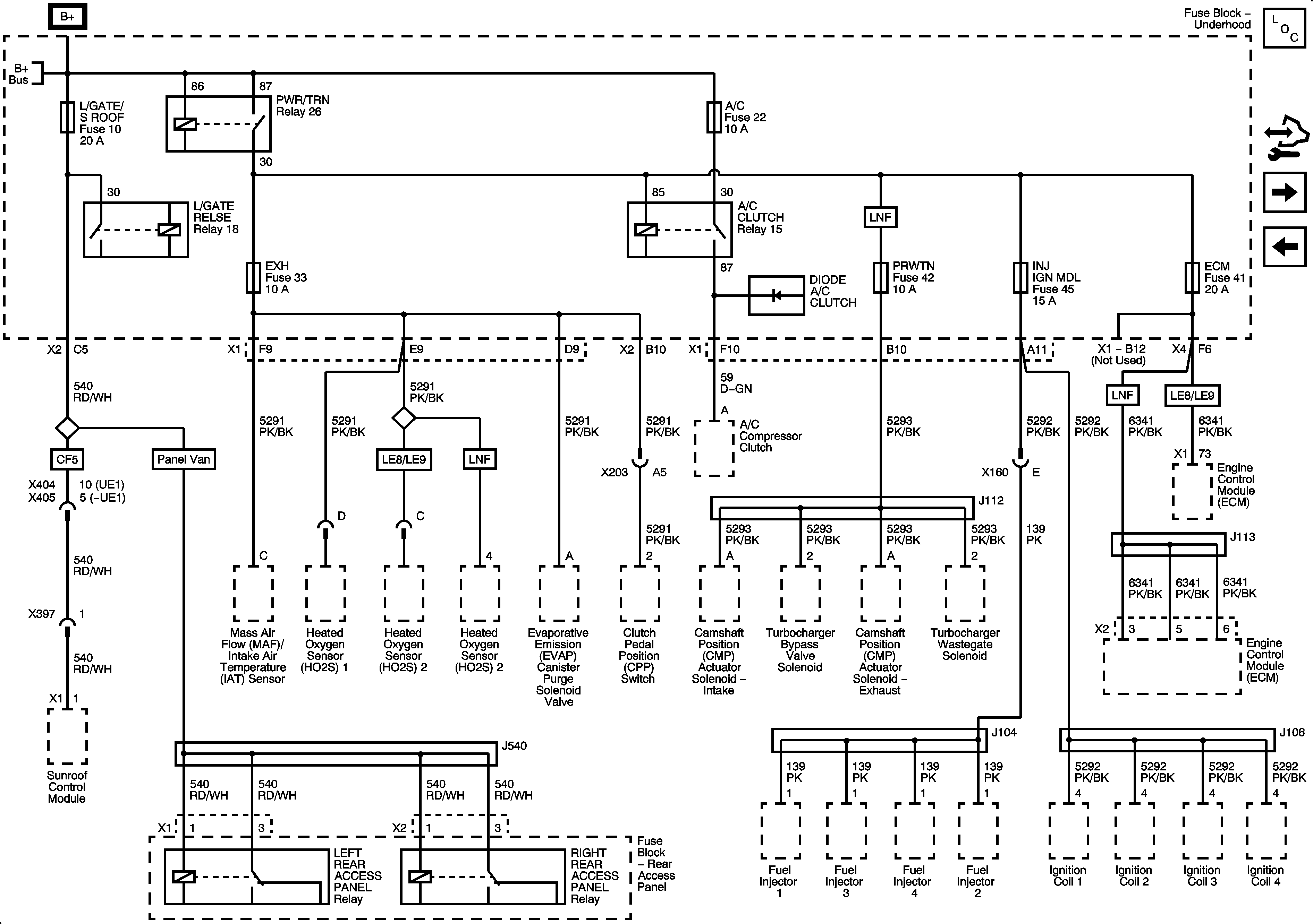
Underhood Fuse Block - L/GATE RELEASE, PWR/TRN Relays, L/GATE/S ROOF, EXH, INJ IGN MOD, and ECM Fuses
Underhood Fuse Block - B+ Bus
Figure
3:
Underhood Fuse Block - L/GATE RELEASE, PWR/TRN Relays, L/GATE/S ROOF, EXH, INJ IGN MOD and ECM Fuses
Master Electrical Component List
Control Module References
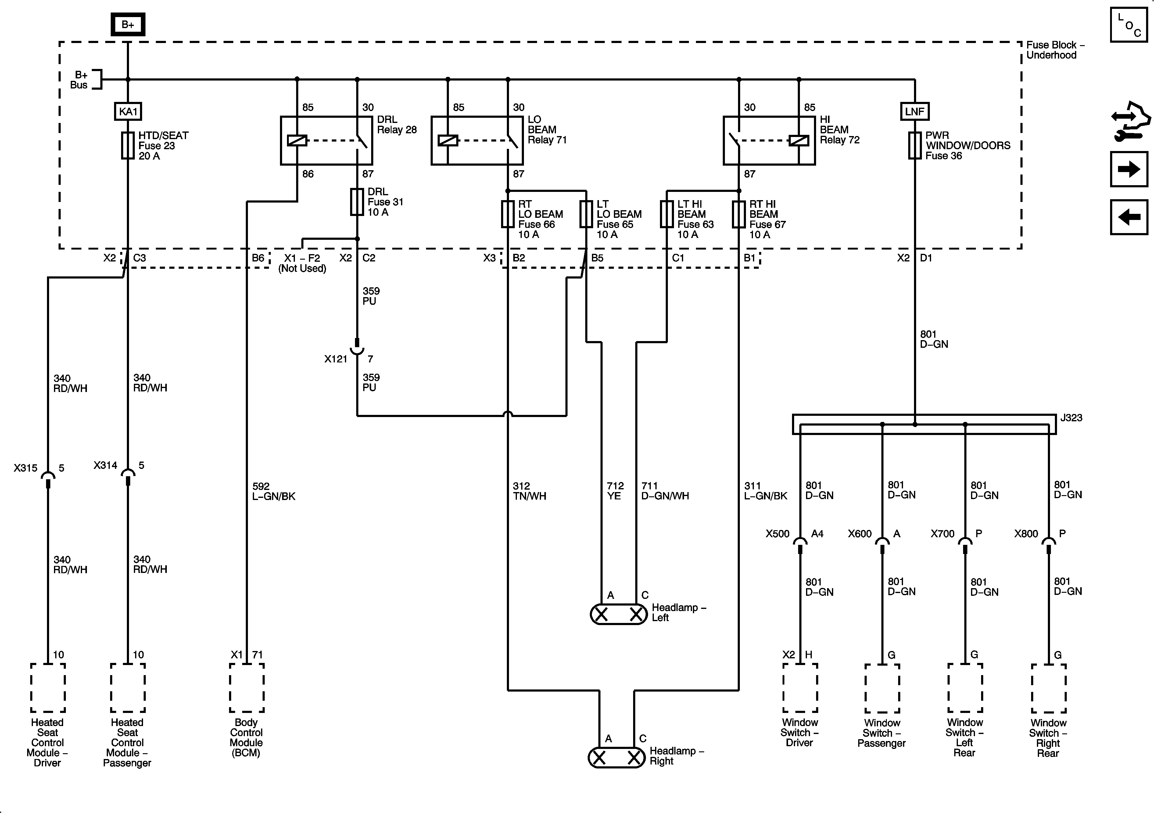
Underhood Fuse Block - LOW BEAM, HIGH BEAM, DRL Relays, HTD SEAT, DRL, RT LO BEAM, LT LO BEAM, LT HI BEAM, RT HI BEAM Fuses
Underhood Fuse Block - RUN/CRANK Relay, I/P IGN, PRK/NEUT, HTD/SEAT/BKC/UP, ABS (10A), ECM TRANS, ABS (30A), EPS, BCM2, BCM3, FRT AUX PWR OUTLET, S-BAND Fuses
Figure
4:
Underhood Fuse Block - LOW BEAM, HIGH BEAM, DRL Relays, HTD SEAT, DRL, RT LO BEAM, LT LO BEAM, LT HI BEAM, RT HIGH BEAM Fuses
Master Electrical Component List
Control Module References
Underhood Fuse Block - ABS (20A), CNSTR VENT, PWR OUTLET, REAR POWER PLUG, REAR AUX PWR OUTLET and MIR Fuses, PWR SEATS Circuit Breaker
Underhood Fuse Block - L/GATE RELEASE, PWR/TRN Relays, L/GATE/S ROOF, EXH, INJ IGN MOD, and ECM Fuses
Figure
5:
Underhood Fuse Block - ABS (20A), CNSTR VENT, PWR OUTLET, REAR POWER PLUG, REAR AUX PWR OUTLET and MIR Fuses and POWER SEATS Circuit Breaker
Master Electrical Component List
Control Module References
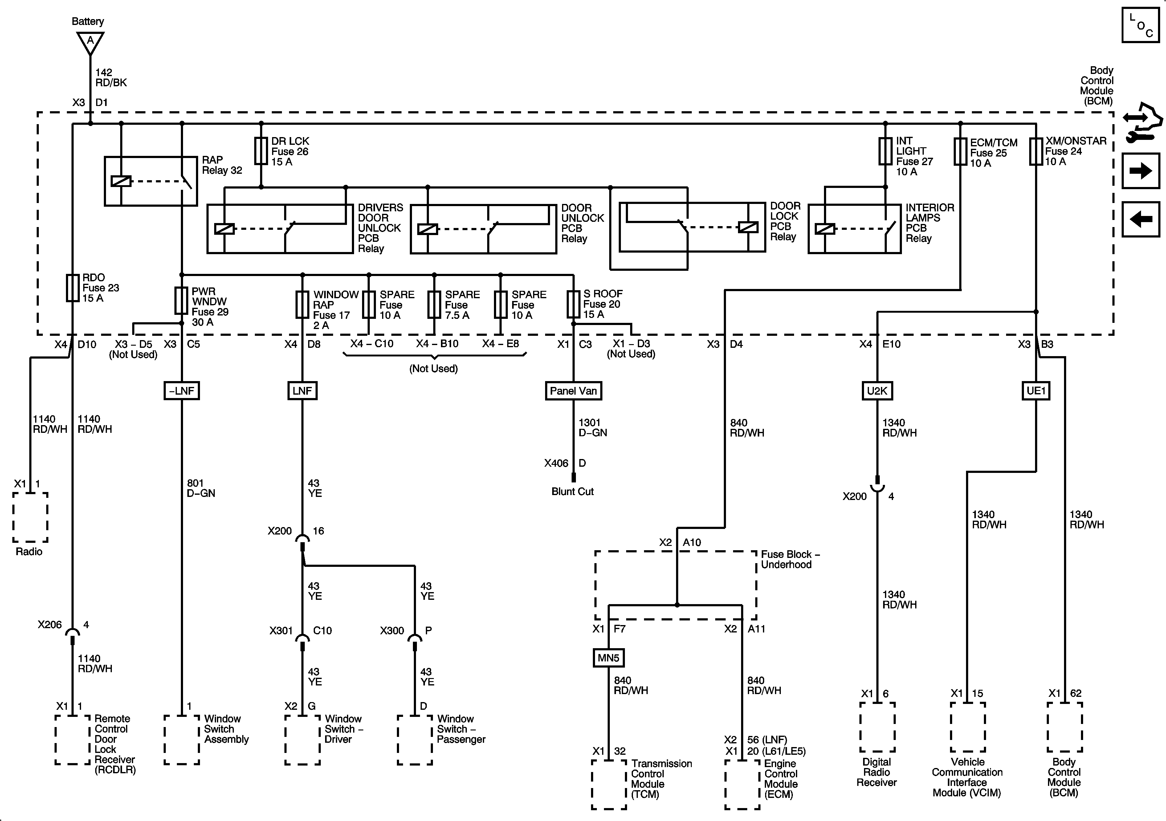
Body Control Module - RAP, DRIVER DOOR UNLOCK PCB, DOOR UNLOCK PCB, DOOR LOCK PCB, and INTERIOR LAMPS PCB Relays, RDO, PWR WINDW, DR LCK, INT LIGHT, ECM/TCM, SDM, S ROOF and SPARE Fuses
Underhood Fuse Block - LOW BEAM, HIGH BEAM, DRL Relays, HTD SEAT, DRL, RT LO BEAM, LT LO BEAM, LT HI BEAM, RT HI BEAM Fuses
Figure
6:
Body Control Module - RAP, DRIVER DOOR UNLOCK PCB, DOOR UNLOCK PCB, DOOR LOCK PCB, and INTERIOR LAMPS PCB Relays, RDO, PWR WINDW, DR LCK, INT LIGHT, ECM/TCM, SDM, S ROOF and SPARE Fuses
Master Electrical Component List
Control Module References
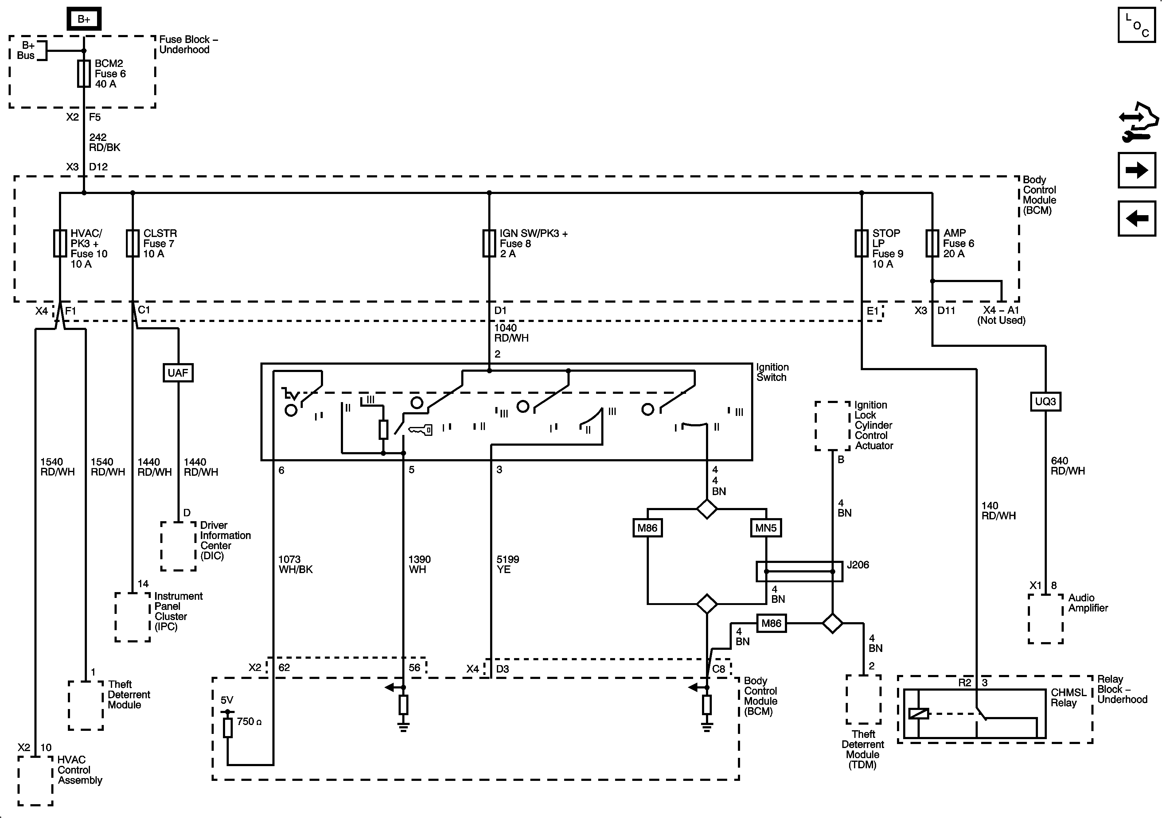
Body Control Module - BCM2, HVAC/PK3, CLUSTER, IGN SW, STOP LPS, and AMP Fuses
Underhood Fuse Block - ABS (20A), CNSTR VENT, PWR OUTLET, REAR POWER PLUG, REAR AUX PWR OUTLET and MIR Fuses, PWR SEATS Circuit Breaker
Figure
7:
Body Control Module - BCM2, HVAC/PK3, CLUSTER, IGN SW, STOP LPS, and AMP Fuses
Master Electrical Component List
Control Module References
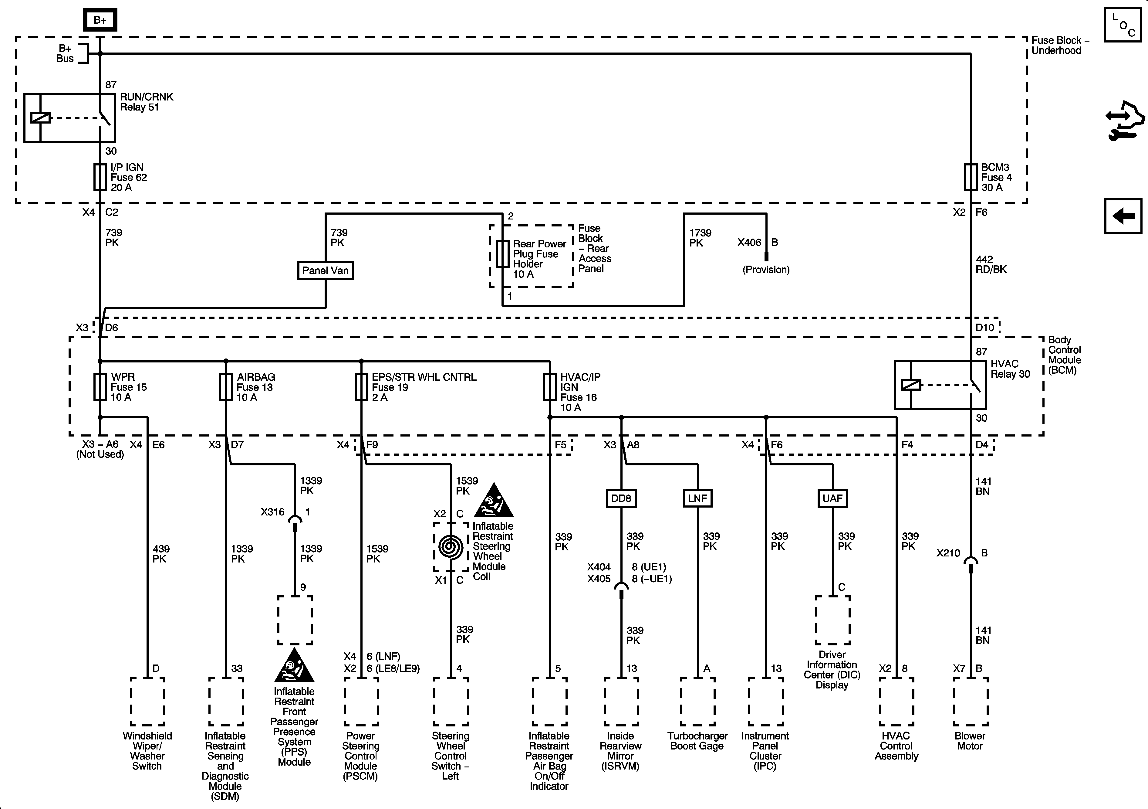
Body Control Module - RUN/CRANK and HVAC Relays, I/P IGN, BCM3, WPR, AIR BAG, EPS/STR WHL CNTRL and HVAC/IP IGNITION Fuses
Body Control Module - RAP, DRIVER DOOR UNLOCK PCB, DOOR UNLOCK PCB, DOOR LOCK PCB, and INTERIOR LAMPS PCB Relays, RDO, PWR WINDW, DR LCK, INT LIGHT, ECM/TCM, SDM, S ROOF and SPARE Fuses
Figure
8:
Body Control Module - RUN/CRANK and HVAC Relays, I/P IGN, BCM3, WPR, AIR BAG, EPS/STR WHL CNTRL and HVAC/IP IGNITION Fuses
Master Electrical Component List
Control Module References
Body Control Module - BCM2, HVAC/PK3, CLUSTER, IGN SW, STOP LPS, and AMP Fuses