GM Service Manual Online
For 1990-2009 cars only
Makes
🢒
Chevrolet
🢒
2009
🢒
HHR
🢒
Engine
🢒
Engine Electrical
🢒 Ground Distribution Schematics
Figure
1:
G103, G105, G107 and G108
Master Electrical Component List
Control Module References
G109
Figure
2:
G109
Master Electrical Component List
Control Module References
G103, G105, G107, G108
G111
Figure
3:
G111
Master Electrical Component List
Control Module References
G109
G201, G203
Figure
4:
G201 and G203
Master Electrical Component List
Control Module References
G111
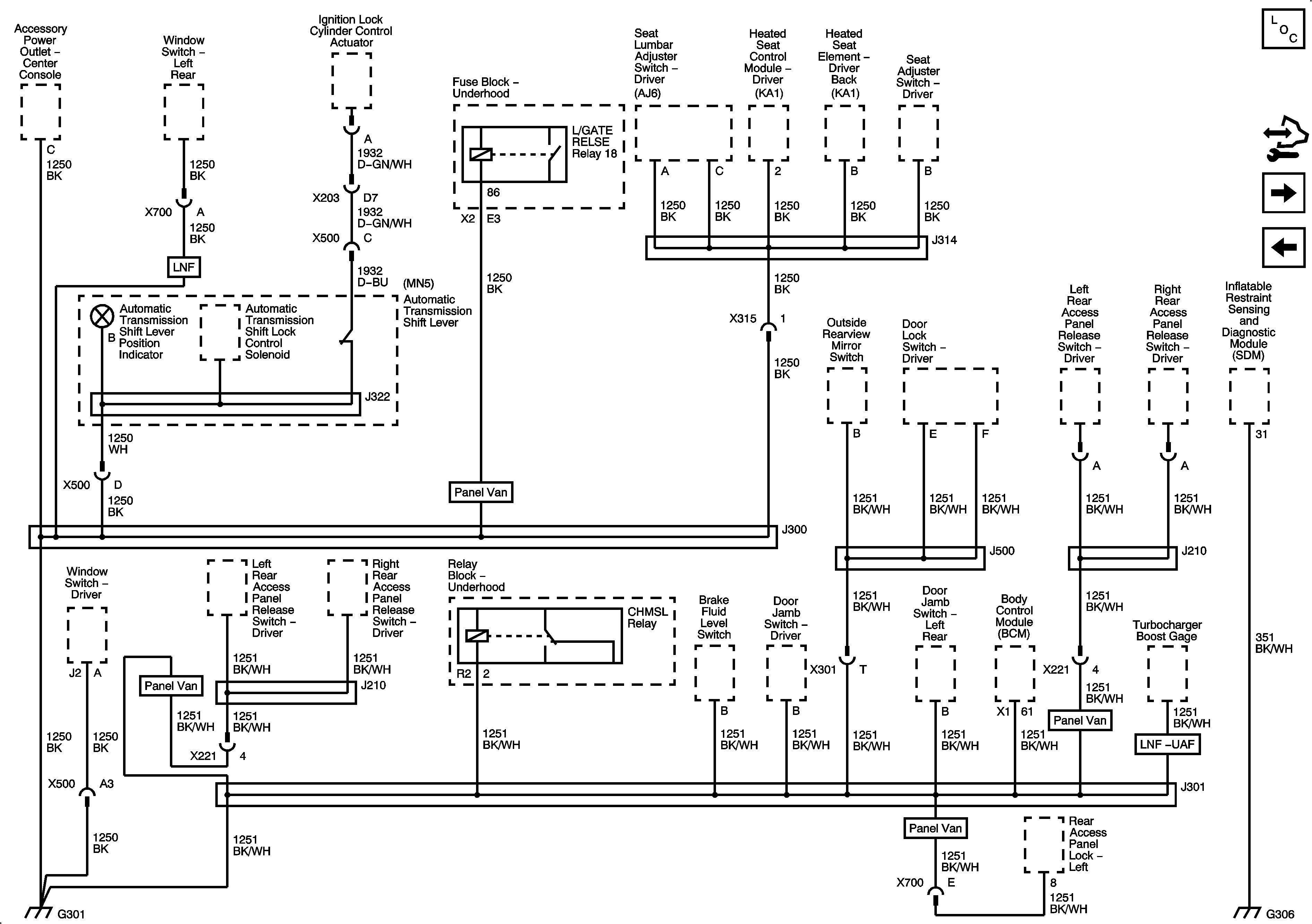
G301, G306
Figure
5:
G301 and G306
Master Electrical Component List
Control Module References
G201, G203
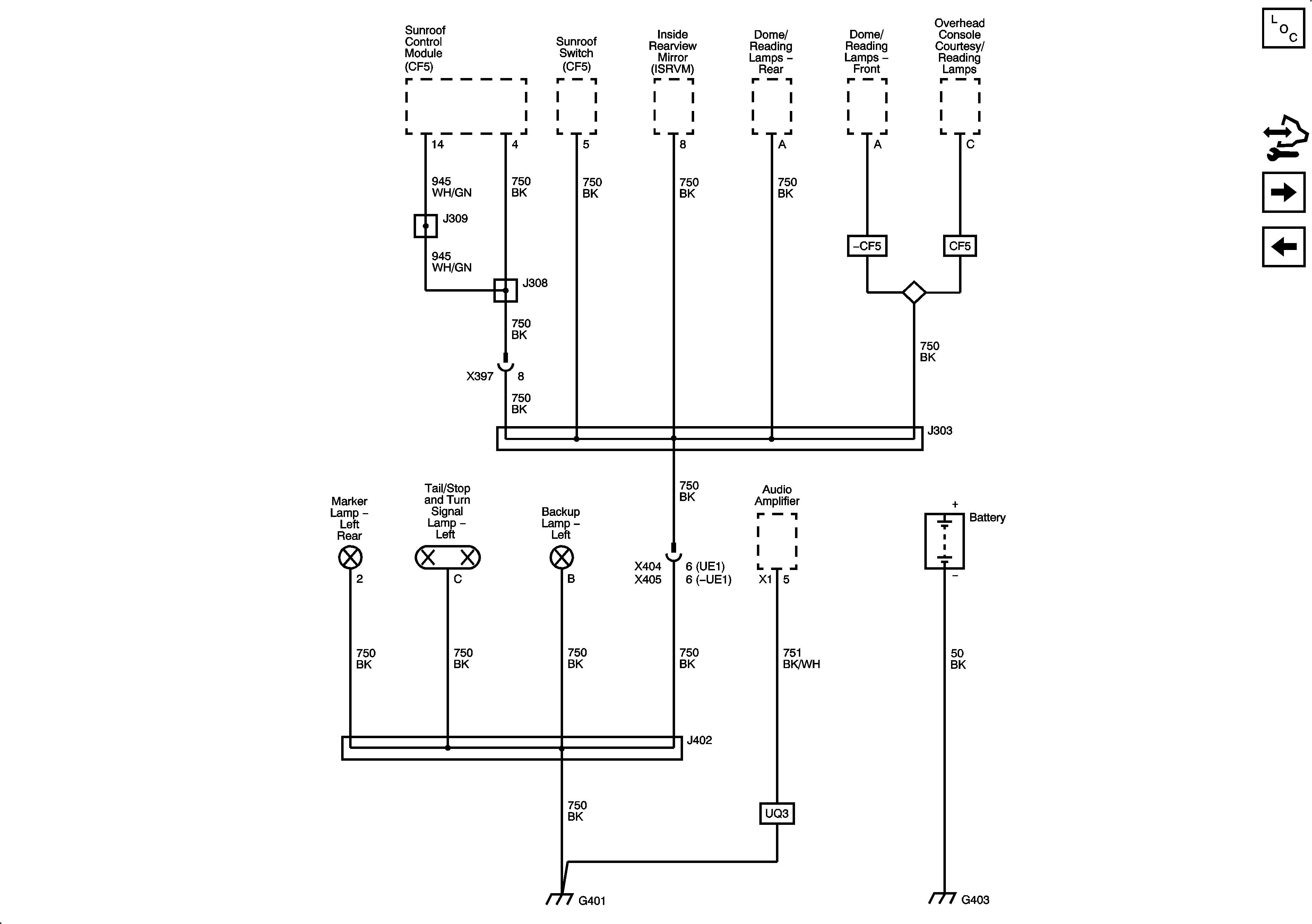
G302
Figure
6:
G302
Master Electrical Component List
Control Module References
G301, G306
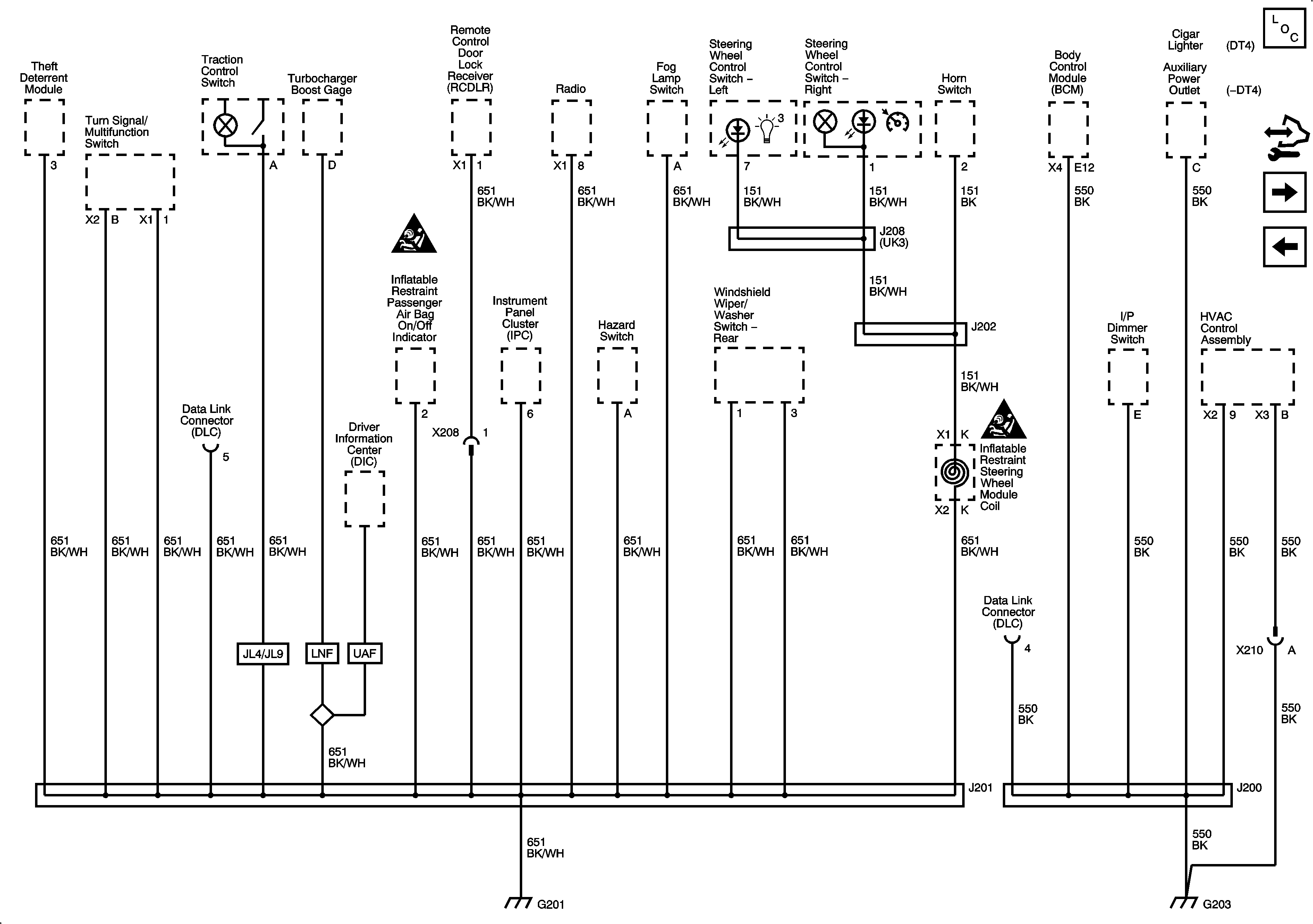
G401, G403
Figure
7:
G401 and G403
Master Electrical Component List
Control Module References
G302
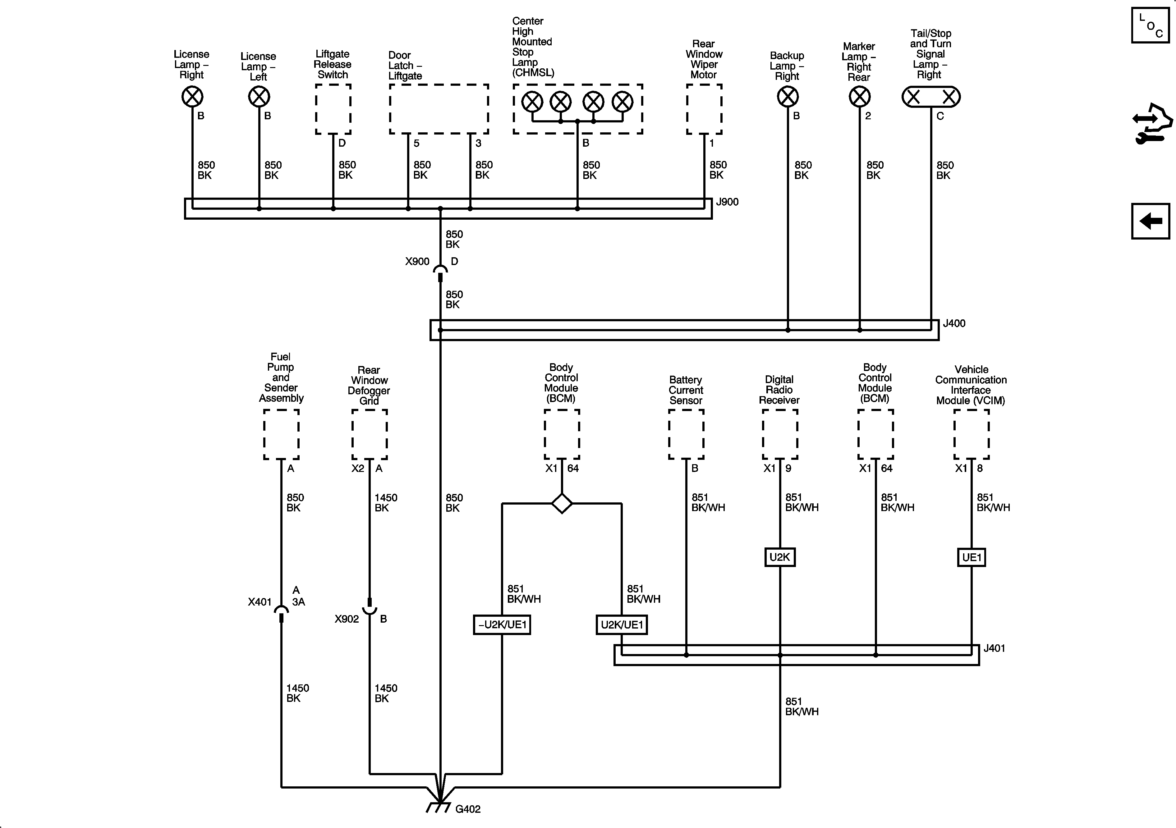
G402
Figure
8:
G402
Master Electrical Component List
Control Module References
G401, G403