GM Service Manual Online
For 1990-2009 cars only

Special Tools

    • J 24319-B Steering Linkage and Tie Rod Puller
    • J 45341 Rear Wheel Drive Shaft Removal Tool
    • J-2619-A Slide Hammer
    • J 45059 Angle Meter

Removal Procedure

  1. Discharge the air conditioning (A/C) system. Refer to Refrigerant Recovery and Recharging.

  2. Object Number: 2004921  Size: SH
  3. Disconnect the negative battery cable. Refer to Battery Negative Cable Disconnection and Connection.
  4. Remove the air cleaner assembly. Refer to Air Cleaner Assembly Replacement.
  5. Remove the charge air cooler inlet and outlet pipes. Refer to Charge Air Cooler Inlet Pipe Replacement and Charge Air Cooler Outlet Pipe Replacement.
  6. Relieve the fuel system pressure. Refer to Fuel Pressure Relief.
  7. Disconnect the evaporative emission (EVAP) canister purge solenoid tube from the valve (2). Refer to Plastic Collar Quick Connect Fitting Service.
  8. Disconnect the fuel feed pipe (1) from the fuel line. Refer to Metal Collar Quick Connect Fitting Service.

  9. Object Number: 1750397  Size: SH
  10. Remove the turbocharger heat shield bolts (1) and shield.

  11. Object Number: 1750442  Size: SH
  12. Remove the charge air cooler pipe to turbocharger bolts (1).
  13. Remove the charge air cooler pipe and gasket (2) from the turbocharger.
  14. Cap or plug the turbocharger opening.

  15. Object Number: 2005223  Size: SH
  16. Reposition the radiator inlet hose clamp (1) at the engine.
  17. Remove the radiator inlet hose (2) from the engine.
  18. Reposition the radiator inlet hose out of the way.

  19. Object Number: 2074693  Size: SH
  20. Reposition the radiator outlet hose clamp (2) at the thermostat housing.
  21. Reposition the radiator outlet hose clamp (1) at the oil cooler.
  22. Remove the radiator outlet hose from the thermostat housing and oil cooler.
  23. Remove the radiator outlet hose clip (3) from the bracket.
  24. Reposition the radiator outlet hose out of the way.

  25. Object Number: 2074728  Size: SH
  26. Reposition the heater inlet and outlet hose clamps at the thermostat housing.
  27. Remove the heater inlet (1) and outlet (2) hoses from the thermostat housing.
  28. Raise and suitably support the vehicle. Refer to Lifting and Jacking the Vehicle.
  29. Drain the engine oil.
  30. Unbolt the catalytic converter from the exhaust pipe.

  31. Object Number: 2074804  Size: SH
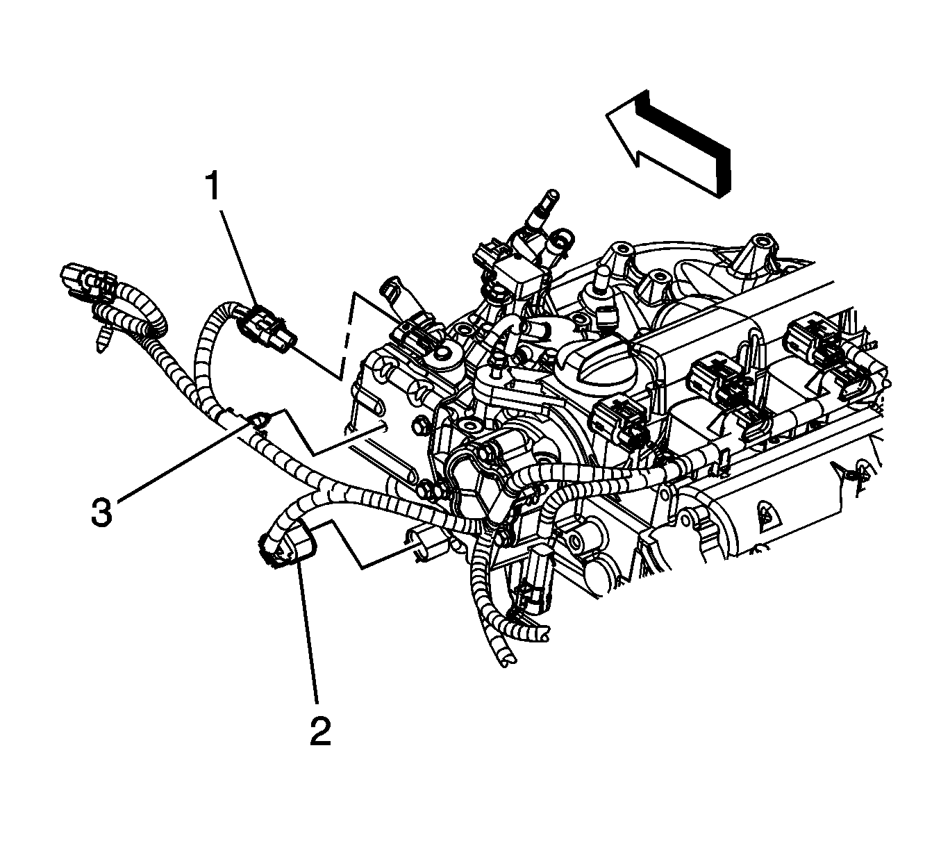
  32. Disconnect the engine wiring harness electrical connector (1) from the crankshaft position (CKP) sensor.
  33. Disconnect the engine wiring harness electrical connector (2) from the oil pressure sensor.
  34. Lower the vehicle.

  35. Object Number: 2074824  Size: SH
  36. Remove the negative battery cable ground nut (1) from the transmission.
  37. Reposition the negative battery cable out of the way.

  38. Object Number: 1826855  Size: SH
  39. Disconnect the engine wiring harness electrical connector (1) from the generator.

  40. Object Number: 2074865  Size: SH
  41. Raise the vehicle. Refer to Lifting and Jacking the Vehicle.
  42. Reposition the positive battery cable terminal boot (2).
  43. Remove the generator terminal nut (1).
  44. Remove the positive battery cable terminal (3) from the generator.
  45. Disconnect the engine wiring harness electrical connector (4) from the A/C compressor.

  46. Object Number: 2074872  Size: SH
  47. Remove the positive battery cable nut (1) from the starter.
  48. Remove the positive battery cable (2) from the starter.
  49. Disconnect the solenoid wire (3) from the starter motor.
  50. Disconnect the throttle body electrical connector.

  51. Object Number: 2008068  Size: SH
  52. Disconnect the engine wiring harness electrical connector (1) from the fuel injector jumper electrical connector.

  53. Object Number: 2074879  Size: SH
  54. Disconnect the engine wiring harness electrical connectors (1) from the knock sensors.

  55. Object Number: 2008509  Size: SH
  56. Disconnect the engine wiring harness electrical connector (1) from the A/C refrigerant pressure sensor.

  57. Object Number: 2074891  Size: SH
  58. Disconnect the engine wiring harness electrical connector (2) from the intake camshaft position (CMP) sensor.
  59. Disconnect the engine wiring harness electrical connector (1) from the high pressure fuel pump.
  60. Remove the engine wiring harness clip (3) from the high pressure fuel pump bracket.

  61. Object Number: 2002986  Size: SH
  62. Lower the vehicle.
  63. Disconnect the engine wiring harness electrical connector (2) from the intake CMP actuator.
  64. Disconnect the engine wiring harness electrical connector (1) from the exhaust CMP actuator.
  65. Disconnect the ignition coil electrical connectors (3) from the ignition coils.

  66. Object Number: 2074909  Size: SH
  67. Remove the engine harness clips (1) from the camshaft cover.

  68. Object Number: 2074991  Size: SH
  69. Disconnect the engine wiring harness electrical connector (4) from the exhaust CMP sensor.
  70. Remove the engine harness ground terminal bolt (2) and reposition the engine harness ground terminal (1).

  71. Object Number: 1750409  Size: SH
  72. Remove the engine wiring harness clip (3) from the turbocharger coolant feed pipe stud (2).
  73. Remove the engine wiring harness clip (1) from the turbocharger coolant feed pipe tab.

  74. Object Number: 2074999  Size: SH
  75. Disconnect the engine wiring harness electrical connector from the boost sensor.

  76. Object Number: 2075128  Size: SH
  77. Remove the engine wiring harness ground bolt (1) from the engine block.
  78. Gather all branches of the engine harness and lay off to the side.
  79. Reposition the charge air bypass valve vacuum hose clamp at the turbocharger.
  80. Remove the vacuum hose from the turbocharger coolant feed pipe clips.
  81. Remove the charge air bypass valve solenoid.

  82. Object Number: 2075153  Size: SH
  83. Remove the turbocharger coolant feed pipe bolt (1) at the turbocharger.
  84. Remove the turbocharger coolant feed pipe fitting (2) from the cylinder head.
  85. Remove the turbocharger coolant feed pipe bracket bolt from the cylinder head.
  86. Remove the turbocharger coolant feed pipe bracket from the vehicle.

  87. Object Number: 1625479  Size: SH
  88. Remove the A/C compressor line bolt and reposition the line off to the side. Refer to Compressor Hose Assembly Replacement.
  89. Raise and support the vehicle.
  90. If equipped with a automatic transaxle, disconnect the engine harness from the transaxle.

  91. Object Number: 1625483  Size: SH
  92. If equipped with a automatic transaxle perform the following steps. Disconnect the engine coolant temperature (ECT) sensor electrical connector (1).
  93. Remove the connector position assurance (CPA) retainer (2).
  94. Disconnect the engine harness electrical connector (3) from the heater oxygen sensor (HO2S).

  95. Object Number: 1625486  Size: SH
  96. If equipped with a manual transaxle perform the following steps. Disconnect the ECT sensor electrical connector (1).
  97. Remove the CPA retainer (2).
  98. Disconnect the engine harness electrical connector (3) from the HO2S.

  99. Object Number: 1625487  Size: SH
  100. If equipped with a automatic transaxle perform the following steps. Remove the CPA retainer (5).
  101. Disconnect the engine harness electrical connector (6) from the park neutral position switch.
  102. Remove the engine harness clip (1) from the transaxle stud.
  103. Remove the CPA retainer (2).
  104. Remove the engine harness electrical connector clip (4) from the transaxle rear mount bracket.
  105. Disconnect the engine harness electrical connector (3) from the HO2S.

  106. Object Number: 1625489  Size: SH
  107. If equipped with a manual transaxle, disconnect the engine harness electrical connector (1) from the VSS.
  108. Remove the engine harness clip (2) from the transaxle.
  109. Remove the CPA retainer (3).
  110. Remove the engine harness electrical connector clip (5) from the transaxle rear mount bracket.
  111. Disconnect the engine harness electrical connector (4) from the HO2S.
  112. Disconnect the engine harness electrical connector (7) from the back up lamp switch.
  113. Remove the engine harness clip (6) from the transaxle.
  114. Gather all engine harness branches are reposition the harness off to the side, out of the way.

  115. Object Number: 1625581  Size: SH
  116. If equipped with a automatic transaxle, disconnect the range selector lever cable from the transaxle lever.
  117. Remove the range selector lever cable from the transaxle bracket.

  118. Object Number: 1625583  Size: SH
  119. If equipped with a manual transaxle, disconnect the range selector and shift lever cables from the transaxle levers.
  120. Remove the range selector and shift lever cables from the transaxle bracket.

  121. Object Number: 1720383  Size: SH
  122. If equipped with a automatic transaxle, remove the oil cooler line nut.
  123. Remove the oil cooler lines from the transaxle.

  124. Object Number: 1720288  Size: SH
  125. Remove the left and right stabilizer link to strut nuts.
  126. Separate the stabilizer links from the struts.

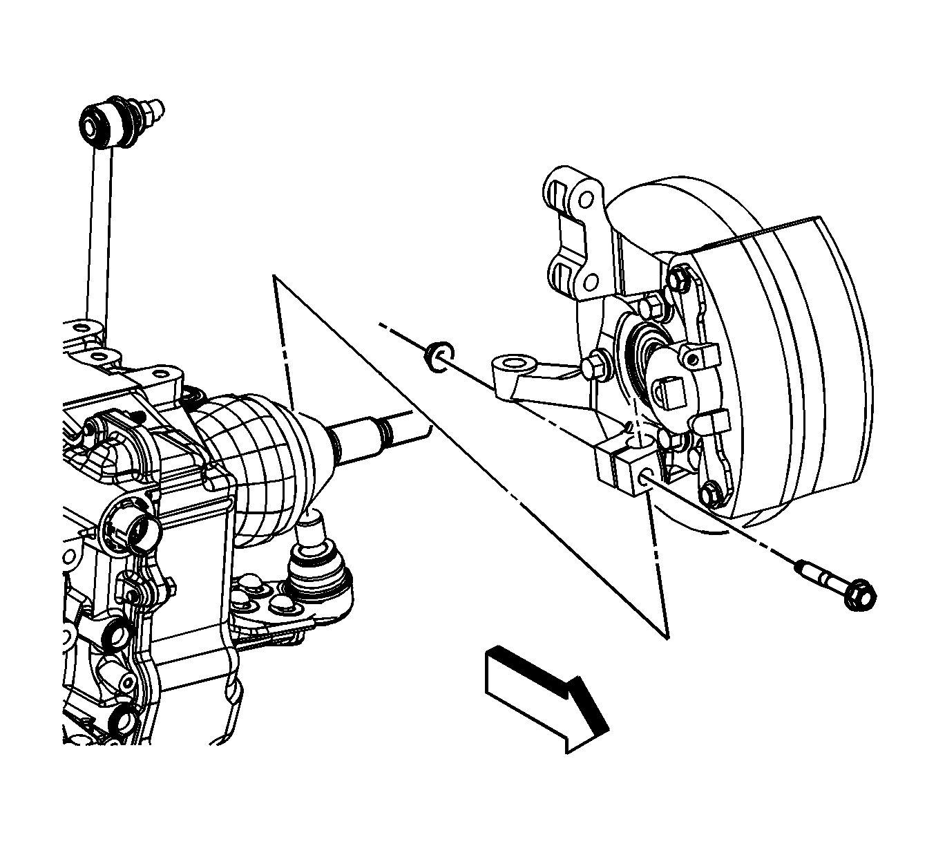
  127. Object Number: 1720289  Size: SH
  128. Remove the left and right steering gear outer tie rod to knuckle nuts. Discard the nuts.
  129. Using the J 24319-B , separate the outer tie rods from the steering knuckles.

  130. Object Number: 1720286  Size: SH
  131. Remove the left and right ball joint to steering knuckle bolts and nuts.
  132. Separate the lower ball joints from the steering knuckles.

  133. Object Number: 1720291  Size: SH
  134. Assemble the J 45341 and the J-2619-A .
  135. Using the J 45341 and the J-2619-A , separate the right wheel drive shaft from the transaxle. Repeat for the left side.
  136. Secure the wheel drive shafts out of the way.

  137. Object Number: 1720381  Size: SH
  138. Remove the lower radiator support bolts.
  139. Secure the radiator assembly to the radiator core support with bungee cords.
  140. Disconnect the intermediate steering shaft. Refer to Intermediate Steering Shaft Replacement.

  141. Object Number: 1623160  Size: SH
  142. Lower the vehicle to about 3 feet off the ground.
  143. Position a engine lift table under the frame.
  144. Place wood blocks on top of the lift table between the table and the frame.
  145. Lower the vehicle until the frame is resting on the blocks of wood.
  146. Remove the engine mount bracket bolts.

  147. Object Number: 1623167  Size: SH
  148. Remove the transaxle mount to transaxle bolts.

  149. Object Number: 1625598  Size: SH
  150. Remove the frame bolts using the following sequence:
  151. 112.1. Remove the front frame bolts.
    112.2. Remove the rear frame bolts.
  152. Slowly raise the vehicle up away from the powertrain assembly.
  153. Slide the lift table out from under the vehicle.
  154. Attach an engine lift hoist to the engine lift hooks.
  155. Remove the starter motor. Refer to Starter Removal.
  156. If equipped with a automatic transaxle, remove the torque converter bolts.

  157. Object Number: 1625684  Size: SH
  158. If equipped with a automatic transaxle, remove the transaxle brace bolts and brace.

  159. Object Number: 2075239  Size: SH
  160. Remove the oil cooler bolts (1).
  161. Remove the oil cooler (2).

  162. Object Number: 1625687  Size: SH
  163. If equipped with a manual transaxle, remove the transaxle to engine bolts/stud.

  164. Object Number: 1625689  Size: SH
  165. If equipped with a automatic transaxle, remove the transaxle to engine bolts/stud.
  166. Separate the engine from the transaxle.
  167. If equipped with a manual transaxle, remove the clutch pressure plate and disc. Refer to Clutch Pressure and Driven Plate Replacement.
  168. Remove the following components:
  169. • The engine mount bracket
    • The engine block heater, if equipped
    • The generator
  170. Using the engine hoist, install the engine to a suitable engine stand.
  171. Transfer parts as required.

Installation Procedure


    Object Number: 1625689  Size: SH
  1. Using a engine hoist, remove the engine from the engine stand.
  2. Install the following components:
  3. • The engine mount bracket
    • The engine block heater, if equipped
    • The generator
  4. If equipped with a manual transaxle, install the clutch pressure plate and disc. Refer to Clutch Pressure and Driven Plate Replacement.
  5. Install the engine to the transaxle.
  6. Caution: Refer to Fastener Caution in the Preface section.

  7. If equipped with a automatic transaxle, install the transaxle to engine bolts/stud.
  8. Tighten
    Tighten the bolts/stud to 75 N·m (55 lb ft).


    Object Number: 1625687  Size: SH
  9. If equipped with a manual transaxle, install the transaxle to engine bolts/stud.
  10. Tighten
    Tighten the bolts/stud to 75 N·m (55 lb ft).


    Object Number: 2075239  Size: SH
  11. Position the oil cooler (2).
  12. Install the oil cooler bolts (1).
  13. Tighten
    Tighten the bolts to 25 N·m (18 lb ft).


    Object Number: 1625684  Size: SH
  14. If equipped with a automatic transaxle, install the transaxle brace and bolts.
  15. Tighten
    Tighten the bolts to 50 N·m (37 lb ft).

  16. If equipped with a automatic transaxle, install the torque converter bolts.
  17. Tighten
    Tighten the bolts to 62 N·m (46 lb ft).

  18. Install the starter motor. Refer to Starter Installation.

  19. Object Number: 1625598  Size: SH
  20. Remove the engine lift hoist from the engine lift hooks.
  21. Slide the lift table under the vehicle.
  22. Slowly lower the vehicle until it aligns with the alignment marks made during the removal.
  23. Install the frame bolts.
  24. Tighten
    Tighten the bolts to 100 N·m (74 lb ft) plus and additional 180 degrees using the J 45059 .


    Object Number: 1623167  Size: SH
  25. Install the transaxle mount to transaxle bolts.
  26. Tighten the transaxle mount to transaxle bolts in the following sequence.
  27. 17.1. Rear
    17.2. Middle
    17.3. Front

    Tighten
    Tighten the bolts to 50 N·m (37 lb ft).


    Object Number: 1623160  Size: SH
  28. Install the engine mount bracket bolts.
  29. Tighten the engine mount to bracket bolts in the following sequence.
  30. 19.1. Middle
    19.2. Rear
    19.3. Front

    Tighten
    Tighten the bolts to 50 N·m (37 lb ft).

  31. Raise the vehicle until the lift table can be removed from under the vehicle.
  32. Remove the lift table.

  33. Object Number: 1720381  Size: SH
  34. Connect the intermediate steering shaft. Refer to Intermediate Steering Shaft Replacement.
  35. Unsecure the radiator assembly from the radiator core support.
  36. Install the lower radiator support bolts.
  37. Tighten
    Tighten the bolts to 34 N·m (25 lb ft).


    Object Number: 1720291  Size: SH
  38. Unsecure the wheel drive shaft.
  39. Install the J 44394-A into the right transaxle output shaft seal.
  40. Install the right wheel drive shaft into the transaxle until the drive shaft splines are past the seal, remove the J 44394-A , then fully install the drive shaft.
  41. Verify that the wheel driveshaft is properly engaged:
  42. • Grasp the inner tripot housing and pull the inner housing outward. Do NOT pull on the wheel drive shaft.
    • The wheel drive shaft will remain firmly in place when properly engaged.
  43. Repeat steps 22 through 25 for the left side.

  44. Object Number: 1720286  Size: SH
  45. Install the left and right lower ball joints to the steering knuckles.
  46. Install the ball joint to steering knuckle bolts and nuts.
  47. Tighten

        • Tighten the nut a first pass to 50 N·m (37 lb ft), then loosen the nut 3/4 of a turn.
        • Tighten the nut a final pass to 50 N·m (37 lb ft), plus an additional 30 degrees using the J 45059 .

    Object Number: 1720289  Size: SH
  48. Install the left and right outer tie rods to the steering knuckles.
  49. Install the NEW left and right steering gear outer tie rod to knuckle nuts.
  50. Tighten
    Tighten the nut to 25 N·m (18 lb ft), plus an additional 90 degrees using the J 45059 .


    Object Number: 1720288  Size: SH
  51. Install the left and right stabilizer links to the struts.
  52. Install the stabilizer link to strut nuts.
  53. Tighten
    Tighten the nut to 65 N·m (48 lb ft).

  54. Raise the vehicle.

  55. Object Number: 1720383  Size: SH
  56. If equipped with a automatic transaxle, install the oil cooler lines to the transaxle.
  57. Install the oil cooler line nut.
  58. Tighten
    Tighten the nut to 7 N·m (62 lb in).


    Object Number: 1625583  Size: SH
  59. If equipped with a manual transaxle, install the range selector and shift lever cables to the transaxle bracket.
  60. Install the range selector and shift lever cables to the transaxle levers.

  61. Object Number: 1625581  Size: SH
  62. If equipped with a automatic transaxle, install the range selector lever cable to the transaxle bracket.
  63. Connect the range selector lever cable to the transaxle lever.

  64. Object Number: 1625489  Size: SH
  65. Gather all engine harness branches and position the harness over the engine.
  66. If equipped with a manual transaxle perform the following steps. Install the engine harness clip (6) to the transaxle.
  67. Connect the engine harness electrical connector (7) to the back up lamp switch.
  68. Connect the engine harness electrical connector (4) to the HO2S.
  69. Install the engine harness electrical connector clip (5) to the transaxle rear mount bracket.
  70. Install the engine harness clip (2) to the transaxle.
  71. Install the CPA retainer (3).
  72. Connect the engine harness electrical connector (1) to the VSS.

  73. Object Number: 1625487  Size: SH
  74. If equipped with a automatic transaxle perform the following steps. Connect the engine harness electrical connector (3) to the HO2S.
  75. Install the CPA retainer (2).
  76. Install the engine harness electrical connector clip (4) to the transaxle rear mount bracket.
  77. Install the engine harness clip (1) to the transaxle stud.
  78. Connect the engine harness electrical connector (6) to the park neutral position switch.
  79. Install the CPA retainer (5).

  80. Object Number: 1625486  Size: SH
  81. If equipped with a manual transaxle perform the following steps. Connect the engine harness electrical connector (3) to the HO2S.
  82. Install the CPA retainer (2).
  83. Connect the ECT sensor electrical connector (1).

  84. Object Number: 1625483  Size: SH
  85. If equipped with a automatic transaxle perform the following steps. Connect the engine harness electrical connector (3) to the HO2S.
  86. Install the CPA retainer (2).
  87. Connect the ECT sensor electrical connector (1).

  88. Object Number: 1625479  Size: SH
  89. If equipped with a automatic transaxle, connect the engine harness to the transaxle.
  90. Lower the vehicle.
  91. Position the A/C compressor line and install the bolt. Refer to Compressor Hose Assembly Replacement.

  92. Object Number: 2075153  Size: SH
  93. Position the turbocharger coolant feed pipe to the vehicle.
  94. Install the turbocharger coolant feed pipe bracket bolt (3) to the cylinder head.
  95. Tighten
    Tighten the bolt to 10 N·m (89 lb in).

  96. Install the turbocharger coolant feed pipe fitting (2) to the cylinder head.
  97. Tighten
    Tighten the fitting to 35 N·m (26 lb ft).

  98. Install the turbocharger coolant feed pipe bolt (1) at the turbocharger.
  99. Tighten
    Tighten the bolt to 35 N·m (26 lb ft).

  100. Install the charge air bypass valve vacuum solenoid.
  101. Install the charge air bypass valve vacuum hose to the turbocharger coolant feed pipe clips.
  102. Position the charge air bypass valve vacuum hose clamp at the turbocharger.
  103. Place the charge air bypass valve solenoid out of the way.

  104. Object Number: 2075128  Size: SH
  105. Position the branches of the engine harness to the engine.
  106. Install the engine wiring harness ground terminal to the engine.
  107. Install the engine wiring harness ground bolt (1) to the cylinder head.
  108. Tighten
    Tighten the bolt to 25 N·m (18 lb ft).


    Object Number: 2074999  Size: SH
  109. Connect the engine wiring harness electrical connector to the boost sensor.

  110. Object Number: 1750409  Size: SH
  111. Install the engine wiring harness clip (1) to the turbocharger coolant feed pipe tab.
  112. Install the engine wiring harness clip (3) to the turbocharger coolant feed pipe stud (2).

  113. Object Number: 2074991  Size: SH
  114. Connect the engine wiring harness electrical connector (4) to the exhaust CMP sensor.
  115. Position the engine harness ground terminal (1) and install the engine harness ground terminal bolt (2).
  116. Tighten
    Tighten the bolt to 25 N·m (18 lb ft).


    Object Number: 2074909  Size: SH
  117. Install the engine harness clips (1) to the camshaft cover.

  118. Object Number: 2002986  Size: SH
  119. Connect the engine wiring harness electrical connectors to the ignition coils.
  120. Connect the engine wiring harness electrical connector (2) to the intake CMP actuator.
  121. Connect the engine wiring harness electrical connector (1) to the exhaust CMP actuator.

  122. Object Number: 2074891  Size: SH
  123. Connect the engine wiring harness electrical connector (1) to the high pressure fuel pump.
  124. Install the engine wiring harness clip (3) to the high pressure fuel pump bracket.

  125. Object Number: 2008509  Size: SH
  126. Connect the engine wiring harness electrical connector (1) to the A/C refrigerant pressure sensor.

  127. Object Number: 2074879  Size: SH
  128. Connect the engine wiring harness electrical connectors (1) to the knock sensors.

  129. Object Number: 2008068  Size: SH
  130. Connect the engine wiring harness electrical connector (1) to the fuel injector jumper electrical connector.

  131. Object Number: 2074872  Size: SH
  132. Connect the throttle body electrical connector.
  133. Connect the solenoid wire (3) to the starter motor.
  134. Position the positive battery cable (2) on the starter.
  135. Install the positive battery cable nut (1).
  136. Tighten
    Tighten the nut to 10 N·m (89 lb in).


    Object Number: 2074865  Size: SH
  137. Install the positive battery cable terminal (3) to the generator.
  138. Install the generator terminal nut (1).
  139. Tighten
    Tighten the nut to 20 N·m (15 lb ft).

  140. Position the positive battery cable terminal boot (2).
  141. Connect the engine wiring harness electrical connector (4) to the A/C compressor.

  142. Object Number: 1826855  Size: SH
  143. Connect the engine wiring harness electrical connector (1) to the generator.

  144. Object Number: 2074824  Size: SH
  145. Position the negative battery cable to the transmission.
  146. Install the negative battery cable ground nut (1) to the transmission.
  147. Tighten
    Tighten the nut to 25 N·m (18 lb ft).

  148. Raise the vehicle.
  149. Bolt the catalytic converter to the exhaust pipe.
  150. Tighten
    Tighten the bolts to 17 N·m (13 lb ft).


    Object Number: 2074804  Size: SH
  151. Connect the engine wiring harness electrical connector (1) to the CKP sensor.
  152. Connect the engine wiring harness electrical connector (2) to the oil pressure sensor.
  153. Lower the vehicle.

  154. Object Number: 2074728  Size: SH
  155. Install the heater inlet (1) and outlet (2) hoses to the thermostat housing.
  156. Position the heater inlet and outlet hose clamps at the thermostat housing.

  157. Object Number: 2074693  Size: SH
  158. Position the outlet hose to the engine.
  159. Install the radiator outlet hose clip (3) to the bracket.
  160. Install the radiator outlet hose to the thermostat housing and oil cooler.
  161. Position the radiator outlet hose clamp (1) at the oil cooler.
  162. Position the radiator outlet hose clamp (2) at the thermostat housing.

  163. Object Number: 2005223  Size: SH
  164. Position the inlet hose to the engine.
  165. Install the radiator inlet hose (2) to the engine.
  166. Position the radiator inlet hose clamp (1) at the engine.

  167. Object Number: 1750442  Size: SH
  168. Remove the cap or plug from the turbocharger opening.
  169. Install the charge air cooler pipe to the turbocharger.
  170. Install the charge air cooler pipe to turbocharger bolts (1).
  171. Tighten
    Tighten the bolts to 22 N·m (16 lb ft).


    Object Number: 1750397  Size: SH
  172. Install the turbocharger heat shield and bolts (1).
  173. Tighten
    Tighten the bolts to 10 N·m (89 lb in).


    Object Number: 2004921  Size: SH
  174. Connect the fuel feed pipe (1) to the fuel line. Refer to Metal Collar Quick Connect Fitting Service.
  175. Connect the EVAP canister purge solenoid tube to the valve (2). Refer to Plastic Collar Quick Connect Fitting Service.
  176. Install the charge air cooler inlet and outlet pipes. Refer to Charge Air Cooler Inlet Pipe Replacement and Charge Air Cooler Outlet Pipe Replacement.
  177. Install the air cleaner assembly. Refer to Air Cleaner Assembly Replacement.
  178. Connect the negative battery cable. Refer to Battery Negative Cable Disconnection and Connection.
  179. Fill the engine with oil.
  180. Refill the A/C system. Refer to Refrigerant Recovery and Recharging.