GM Service Manual Online
For 1990-2009 cars only
Makes
🢒
Chevrolet
🢒
2009
🢒
HHR
🢒
Body Systems
🢒
Fixed and Moveable Windows
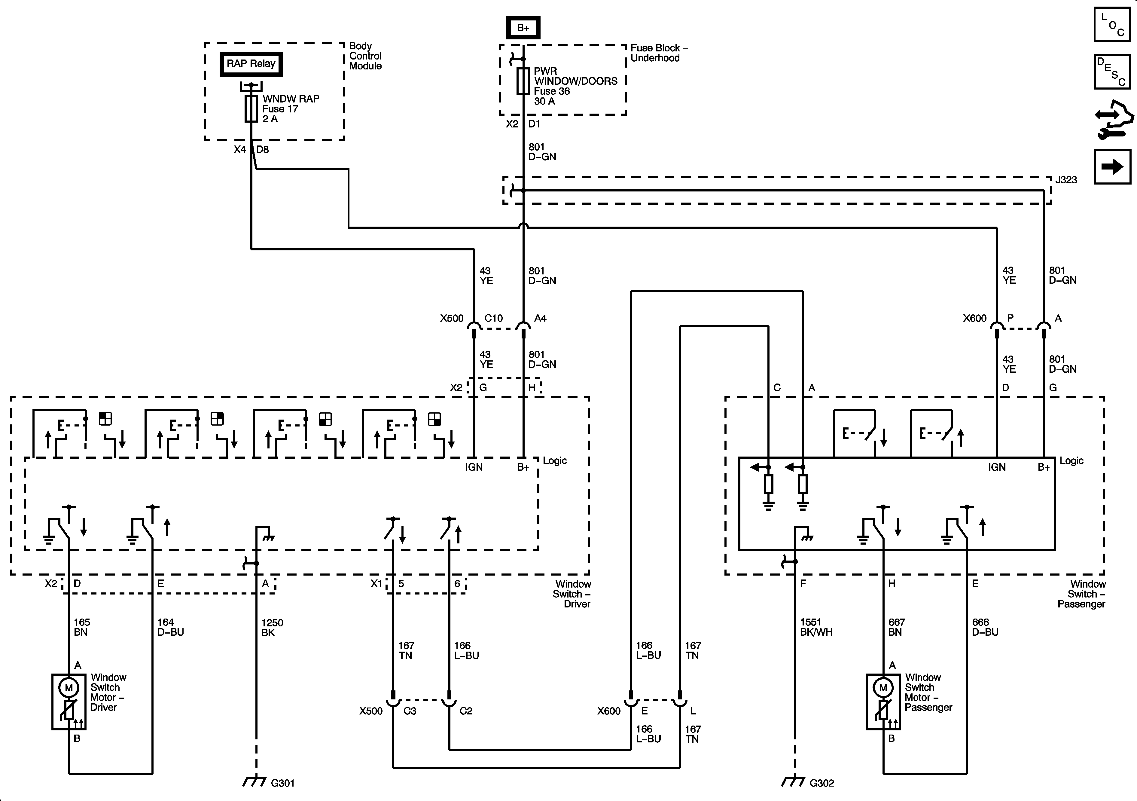
🢒 Moveable Window Schematics
Figure
1:
Front
Rear
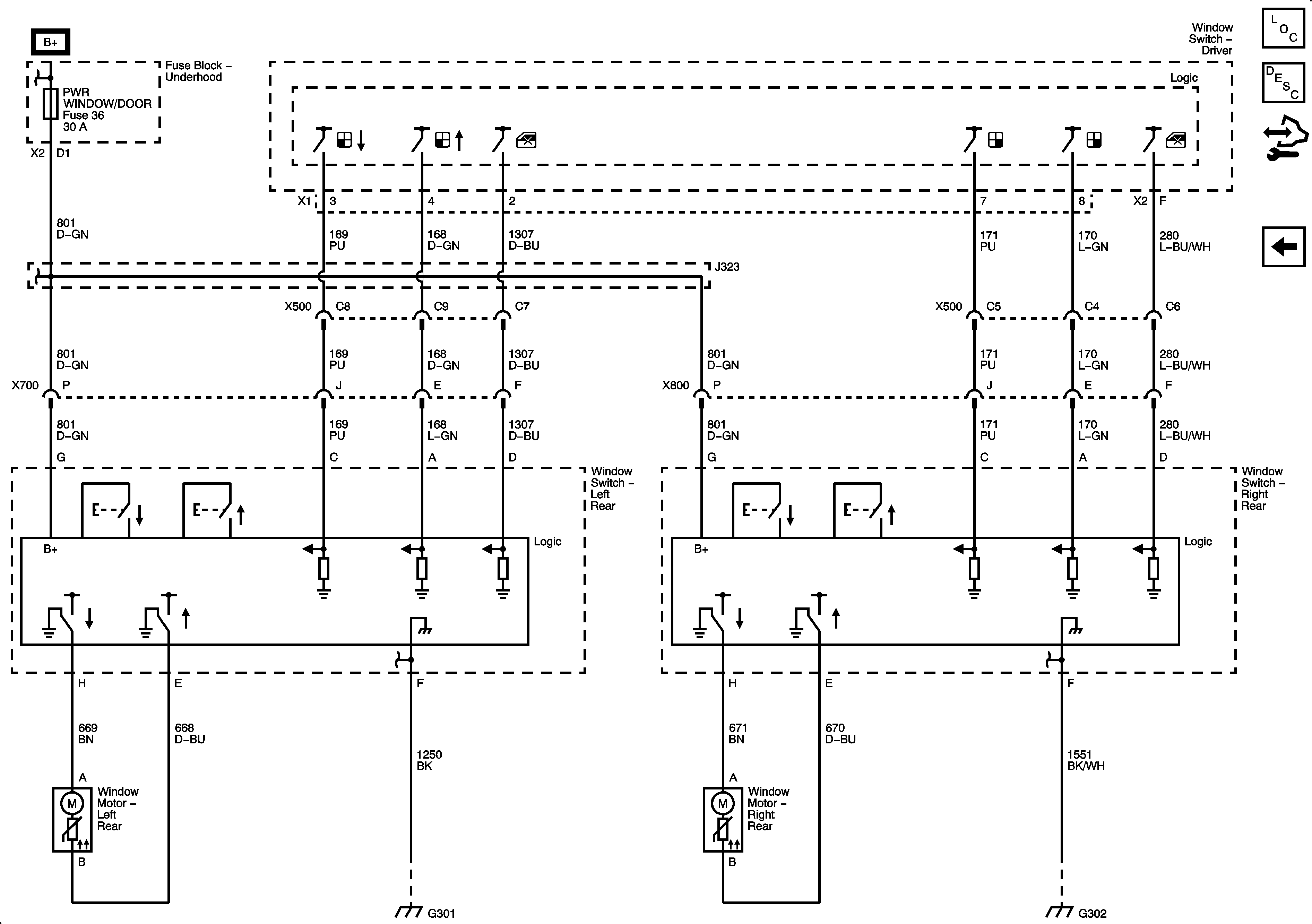
Figure
2:
Rear
Front