GM Service Manual Online
For 1990-2009 cars only
Makes
🢒
Chevrolet
🢒
2009
🢒
HHR
🢒
Body Systems
🢒
Lighting
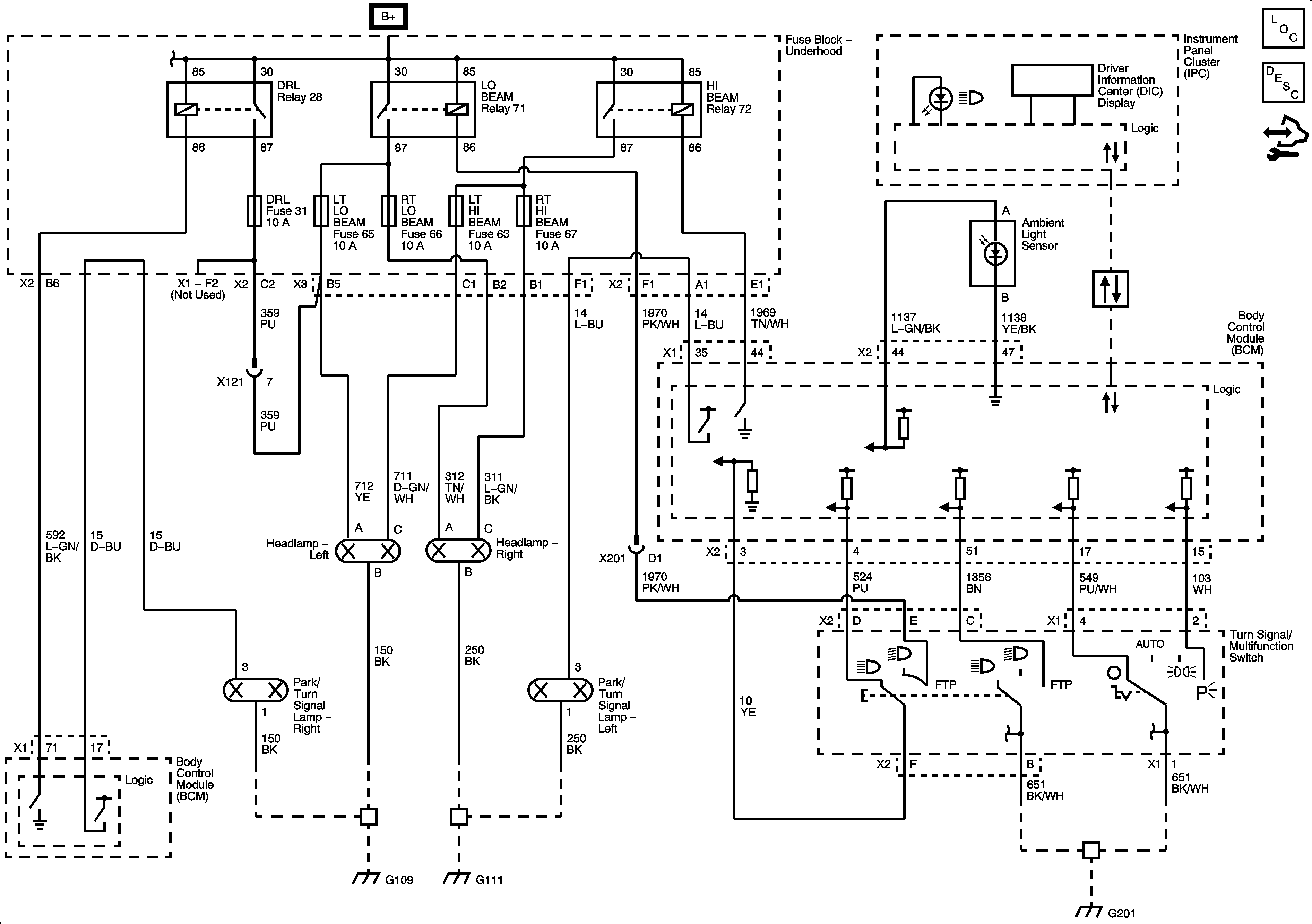
🢒 Headlights/Daytime Running Lights (DRL) Schematics
Master Electrical Component List
Exterior Lighting Systems Description and Operation
Control Module References