GM Service Manual Online
For 1990-2009 cars only
Makes
🢒
Chevrolet
🢒
2009
🢒
HHR
🢒
Body Systems
🢒
Wipers and Washers
🢒 Wiper/Washer Schematics
Figure
1:
Front Wiper/Washer Control
Master Electrical Component List
Wiper/Washer System Description and Operation (Front)
Control Module References
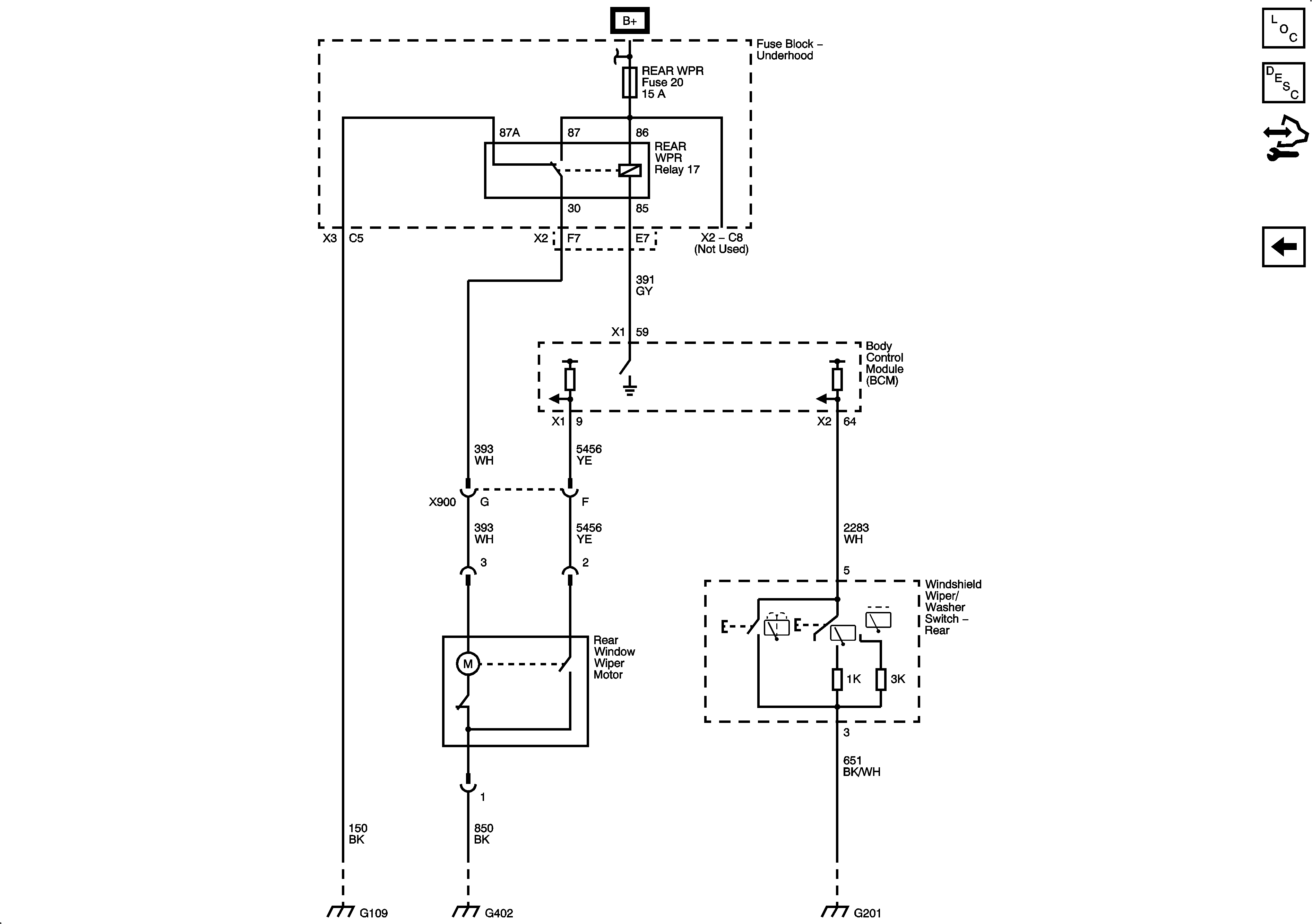
Rear Wiper/Washer Control
Figure
2:
Rear Wiper/Washer Control
Master Electrical Component List
Wiper/Washer System Description and Operation (Front)
Control Module References
Front Wiper/Washer Control