GM Service Manual Online
For 1990-2009 cars only
Makes
🢒
Chevrolet
🢒
2009
🢒
HHR
🢒
Brakes
🢒
Hydraulic Brakes
🢒 Hydraulic Brake Schematics
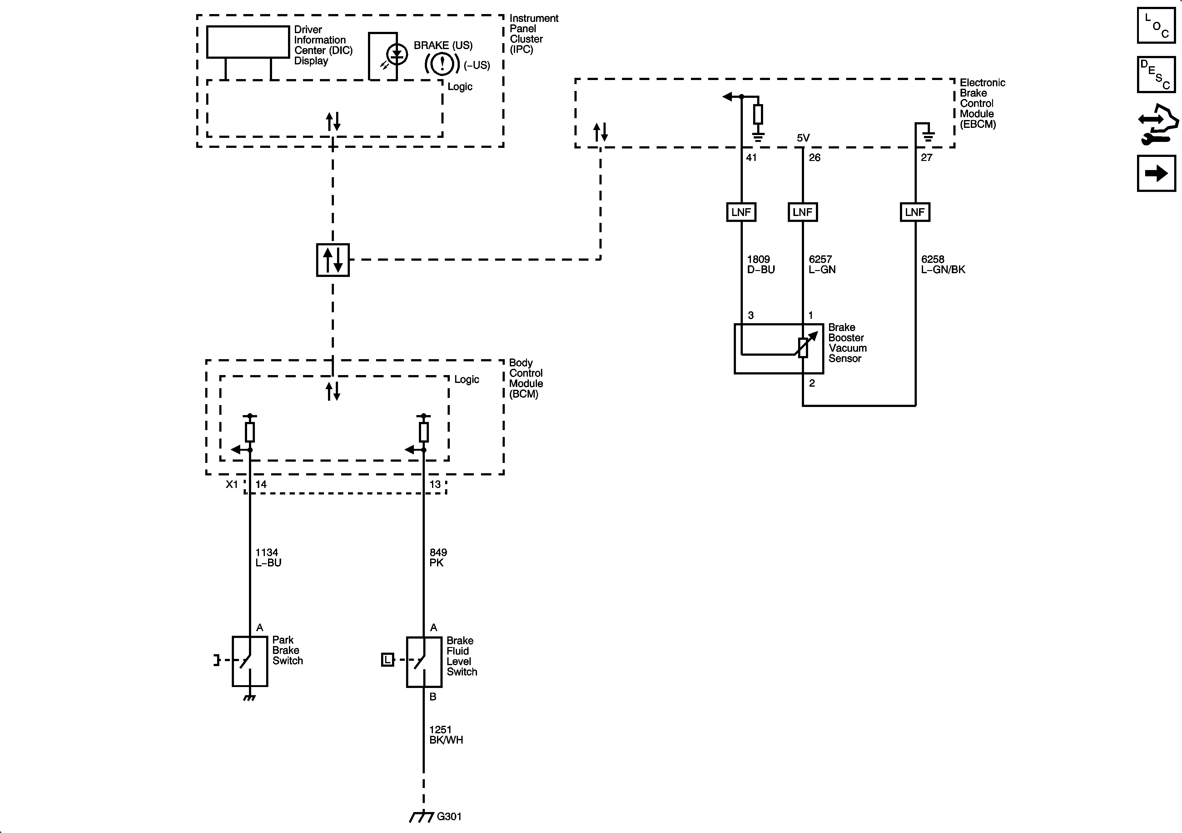
Figure
1:
Master Electrical Component List
Hydraulic Brake System Description and Operation
Control Module References
Late Production LNF
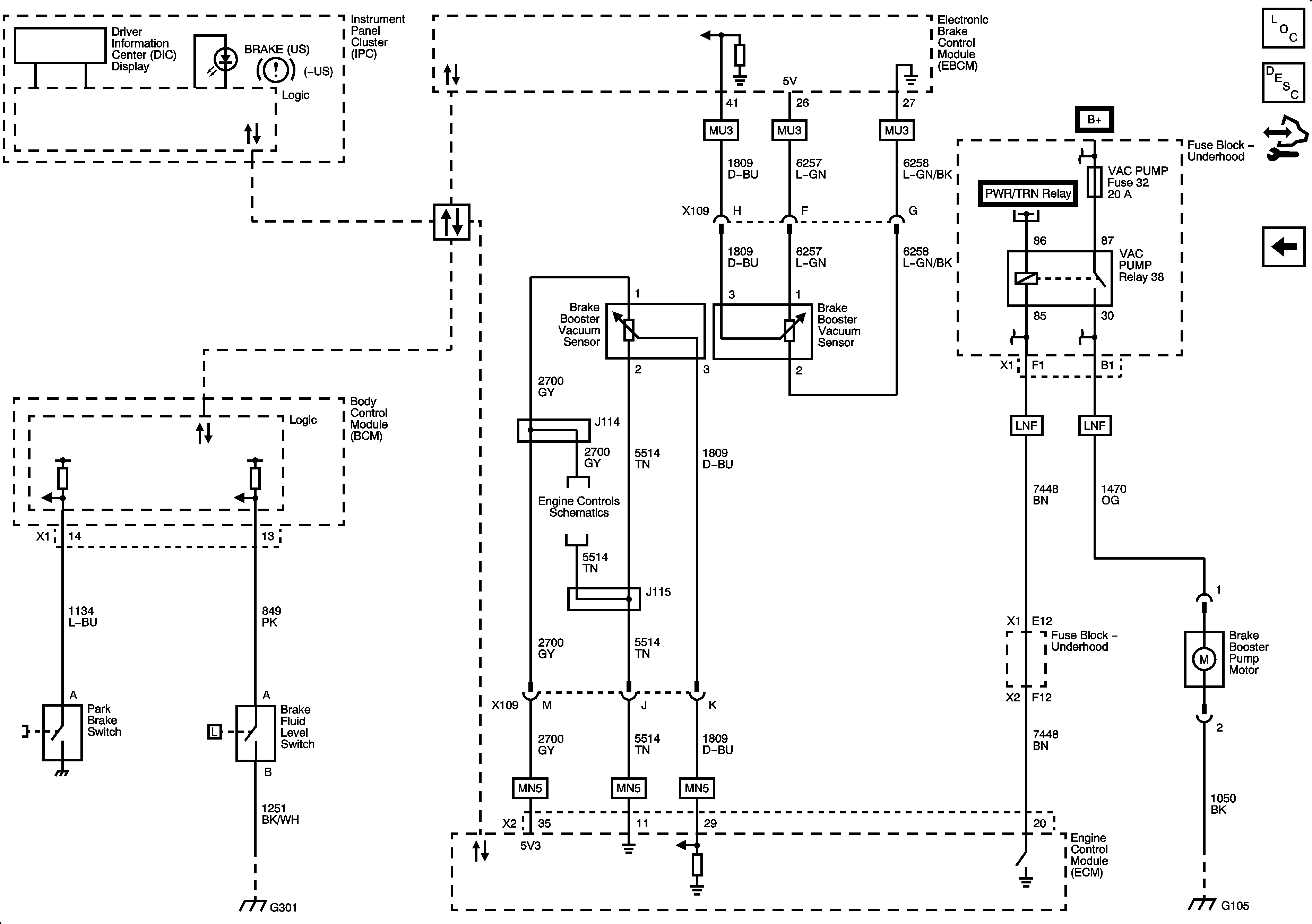
Figure
2:
Laate Production LNF
Master Electrical Component List
Hydraulic Brake System Description and Operation
Control Module References
Early Production LNF without Vacuum Pump, or LE8 or LE9