GM Service Manual Online
For 1990-2009 cars only
Figure 1:

Door Lock Indicators, Power, Ground, Data Link, and Engine References


Object Number: 2085354  Size: FS
Master Electrical Component List
Body Control System Description and Operation
Control Module References
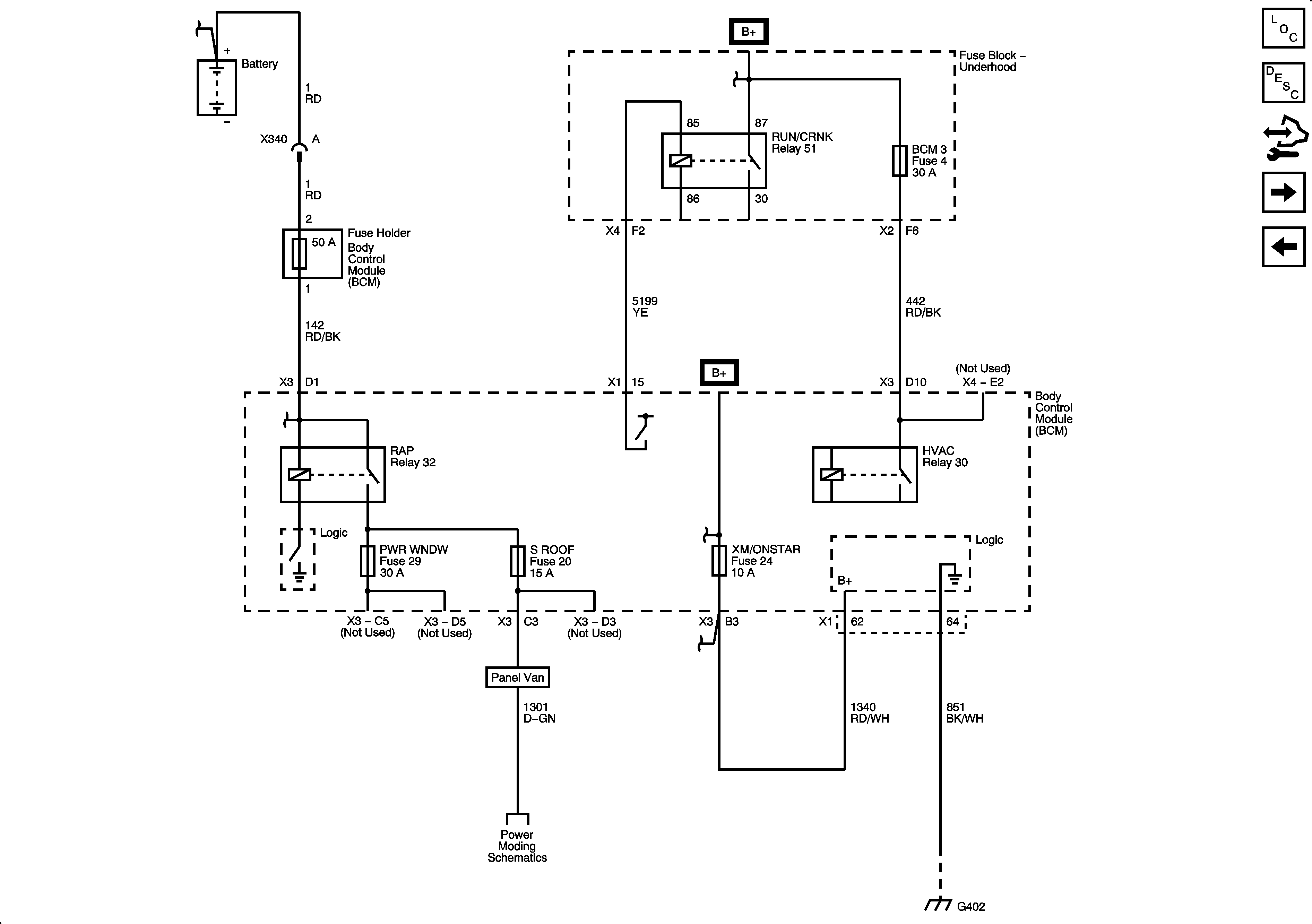
Run/Crank, RAP, HVAC Relays, BCM3, PWR Windows, Sunroof Fuses
Figure 2:

RUN/CRANK, RAP, HVAC Relays, BCM3, PWR Windows, Sunroof Fuses


Object Number: 2085356  Size: FS
Master Electrical Component List
Body Control System Description and Operation
Control Module References
SIR, Shift Lock Control, ABS, Brake Warning, Cruise Control, Keyless Entry, Wiper Washer, Engine Controls
Door Lock Indicators, Power, Ground, Data Link, and Engine References
Figure 3:

SIR, Shift Lock Control, ABS, Brake Warning, Cruise Control, Keyless Entry, Wiper/Washer, Engine Controls


Object Number: 2085358  Size: FS
Master Electrical Component List
Body Control System Description and Operation
Control Module References
Lighting System References
Run/Crank, RAP, HVAC Relays, BCM3, PWR Windows, Sunroof Fuses
Figure 4:

Lighting System References


Object Number: 2085360  Size: FS
Master Electrical Component List
Body Control System Description and Operation
Control Module References
Body Rear End, Defogger, Headlights, DRL, Horns, and Wiper/Washer References
SIR, Shift Lock Control, ABS, Brake Warning, Cruise Control, Keyless Entry, Wiper Washer, Engine Controls
Figure 5:

Body Rear End, Defogger, Headlights, DRL, Horns, and Wiper/Washer References


Object Number: 2085362  Size: FS
Master Electrical Component List
Body Control System Description and Operation
Control Module References
Lighting System References