GM Service Manual Online
For 1990-2009 cars only

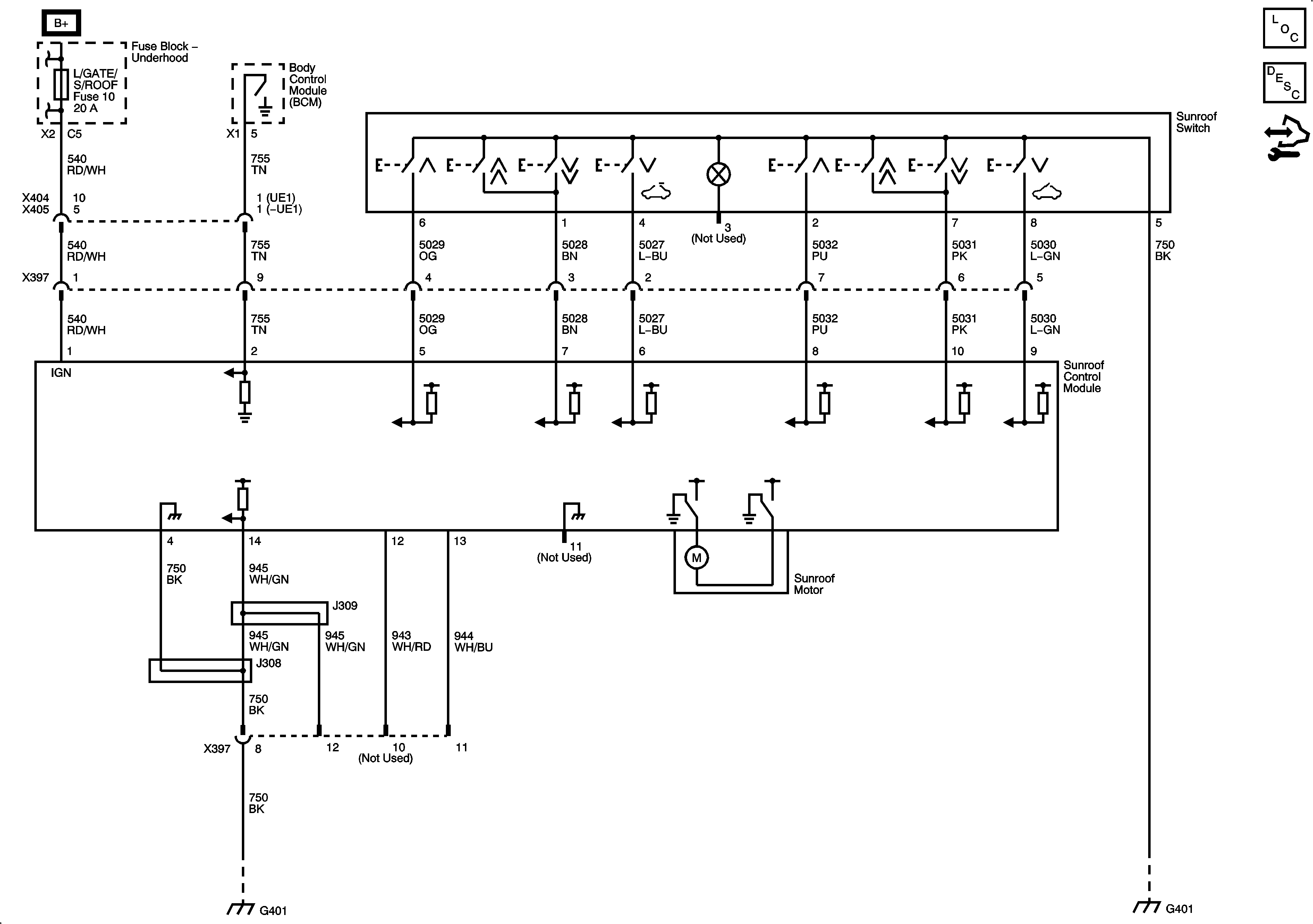
Power Sunroof


Object Number: 2085413  Size: FS
Master Electrical Component List
Sunroof Description and Operation
Control Module References