GM Service Manual Online
For 1990-2009 cars only
Makes
🢒
Chevrolet
🢒
2009
🢒
HHR
🢒 Power, Ground, Blower Motor Controls and Subsystem
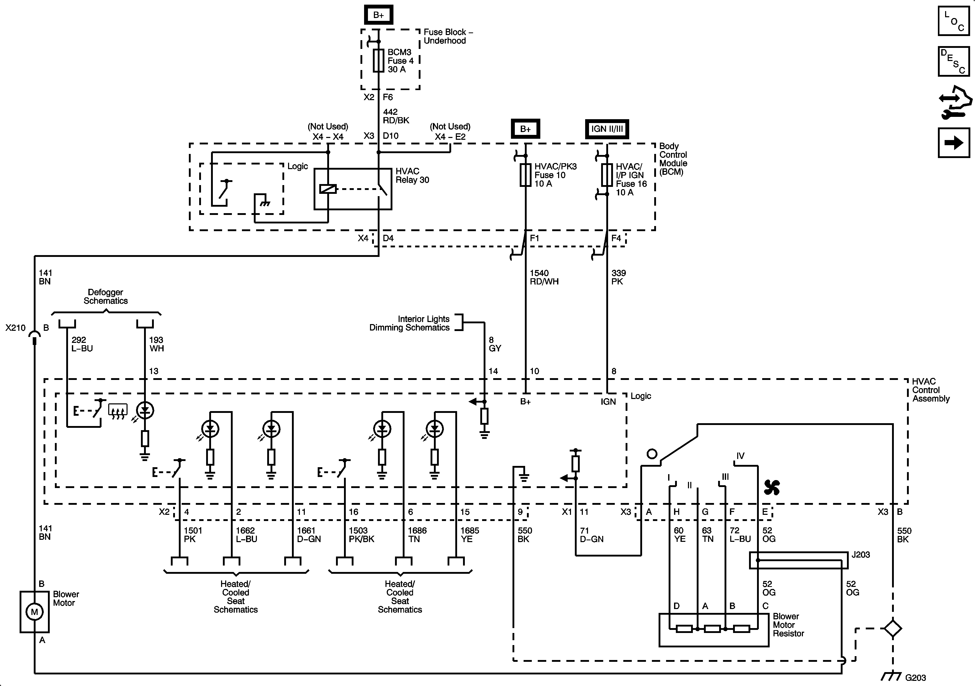
Power, Ground, Blower Motor Controls and Subsystem
Power, Ground, Blower Motor Controls, and Subsystem References
Master Electrical Component List
Air Delivery Description and Operation
Control Module References
Compressor Controls