GM Service Manual Online
For 1990-2009 cars only
Makes
🢒
Chevrolet
🢒
2009
🢒
HHR
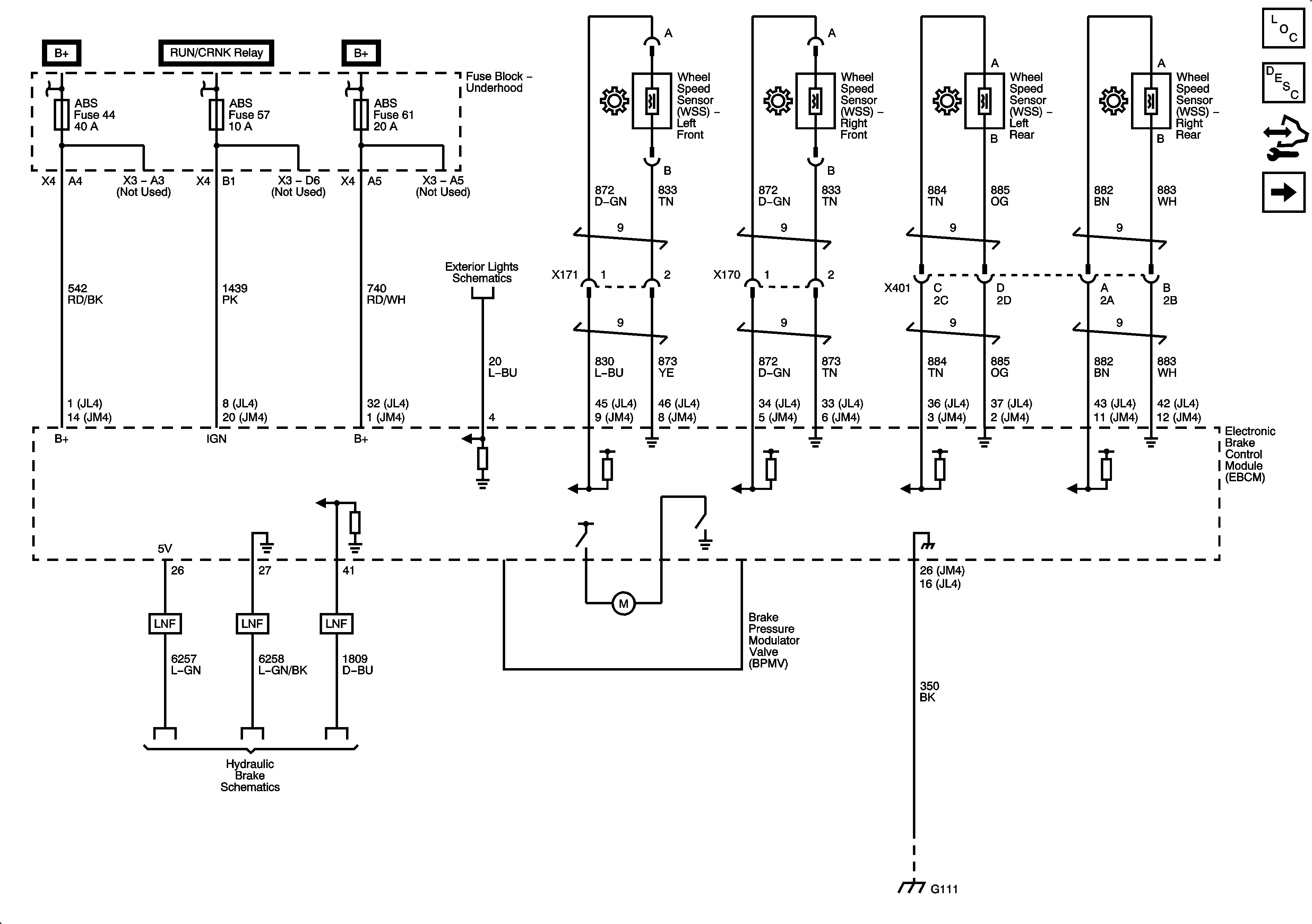
🢒 Power, Ground and WSS
Power, Ground and WSS
Power, Ground, and WSS
Master Electrical Component List
ABS Description and Operation
Control Module References
Stability Control and Traction Control