GM Service Manual Online
For 1990-2009 cars only
Makes
🢒
Chevrolet
🢒
2009
🢒
HHR
🢒 Power, Ground and Switches
Power, Ground and Switches
Master Electrical Component List
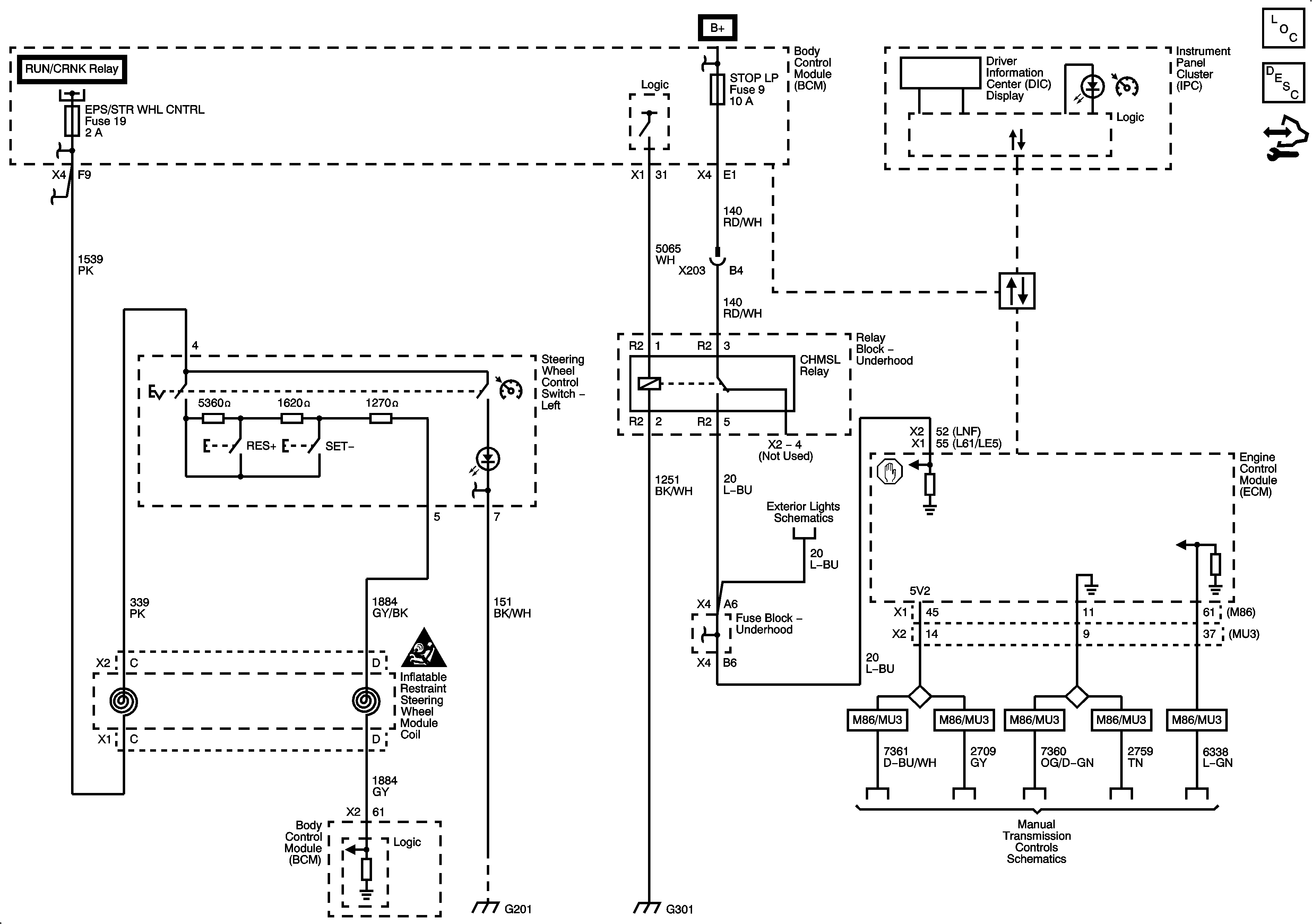
Cruise Control Description and Operation
Control Module References
Stop Lamp Switch