GM Service Manual Online
For 1990-2009 cars only
Makes
🢒
Chevrolet
🢒
2009
🢒
HHR
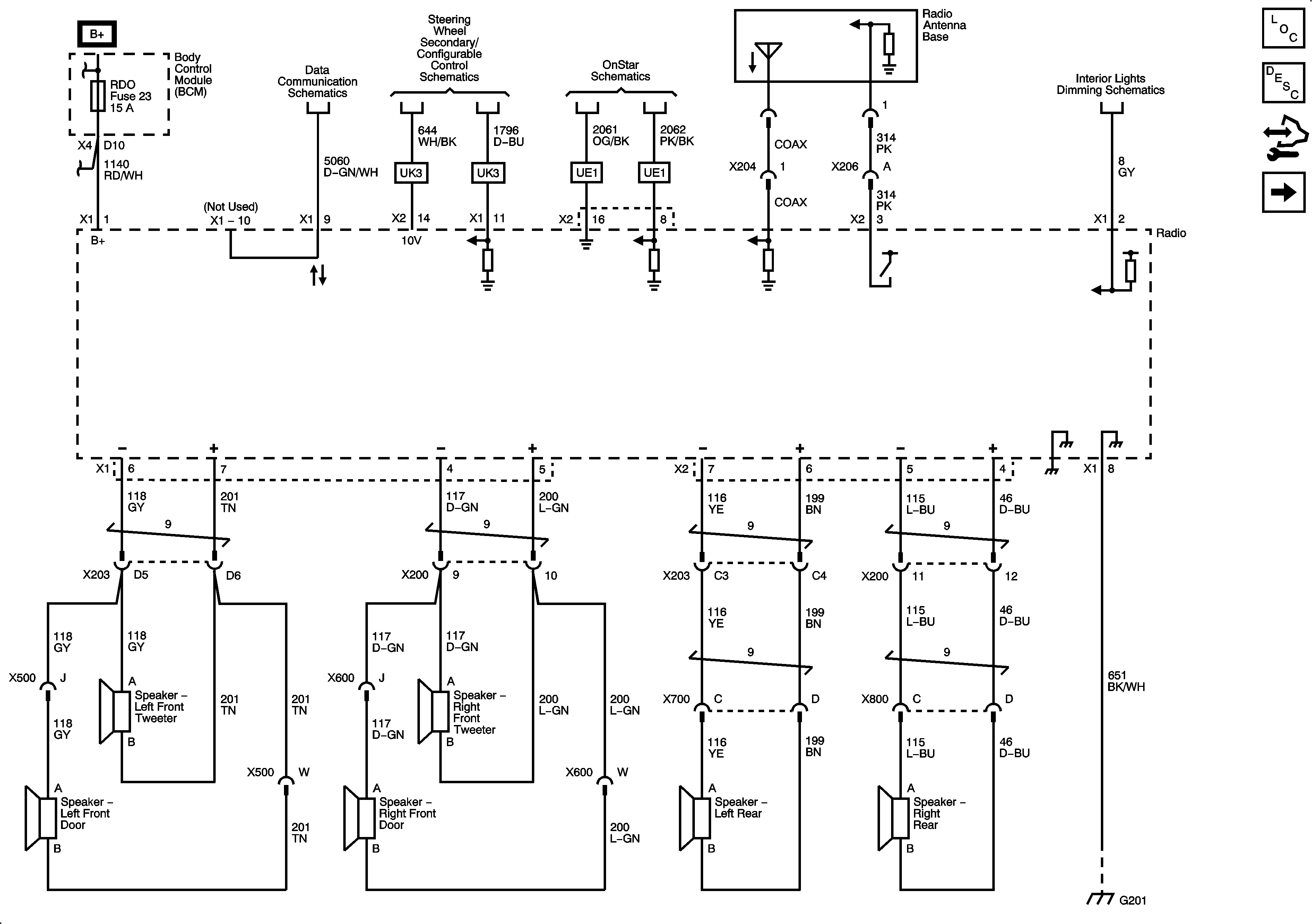
🢒 Radio w/UW5
Radio w/UW5
Radio w/UW5
Master Electrical Component List
Radio/Audio System Description and Operation
Control Module References
Radio w/UQ3 - 1 of 2