GM Service Manual Online
For 1990-2009 cars only
Makes
🢒
Chevrolet
🢒
2000
🢒
Impala
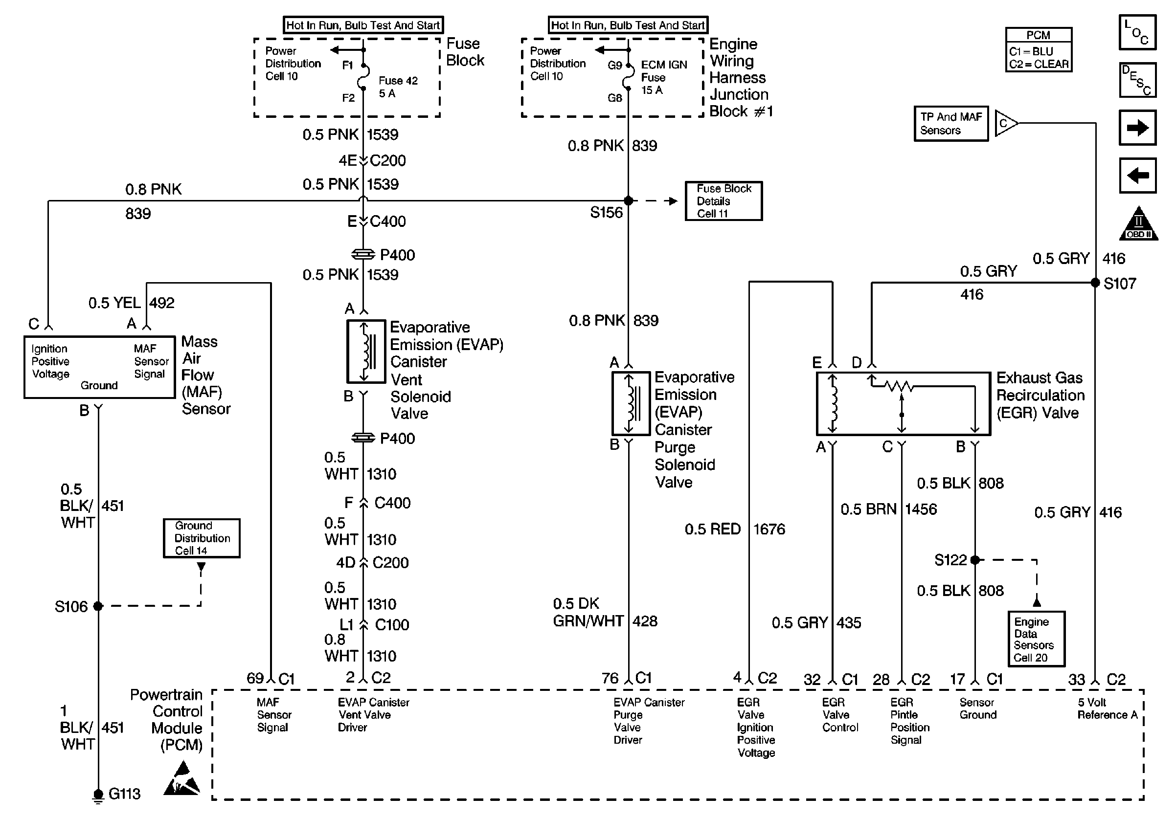
🢒 Engine Data Sensors-MAF, EVAP Vent, EVAP Purge, EGR
Engine Data Sensors-MAF, EVAP Vent, EVAP Purge, EGR
Engine Data Sensors-MAF, EVAP Vent, EVAP Purge, EGR