GM Service Manual Online
For 1990-2009 cars only
Makes
🢒
Chevrolet
🢒
2000
🢒
Impala
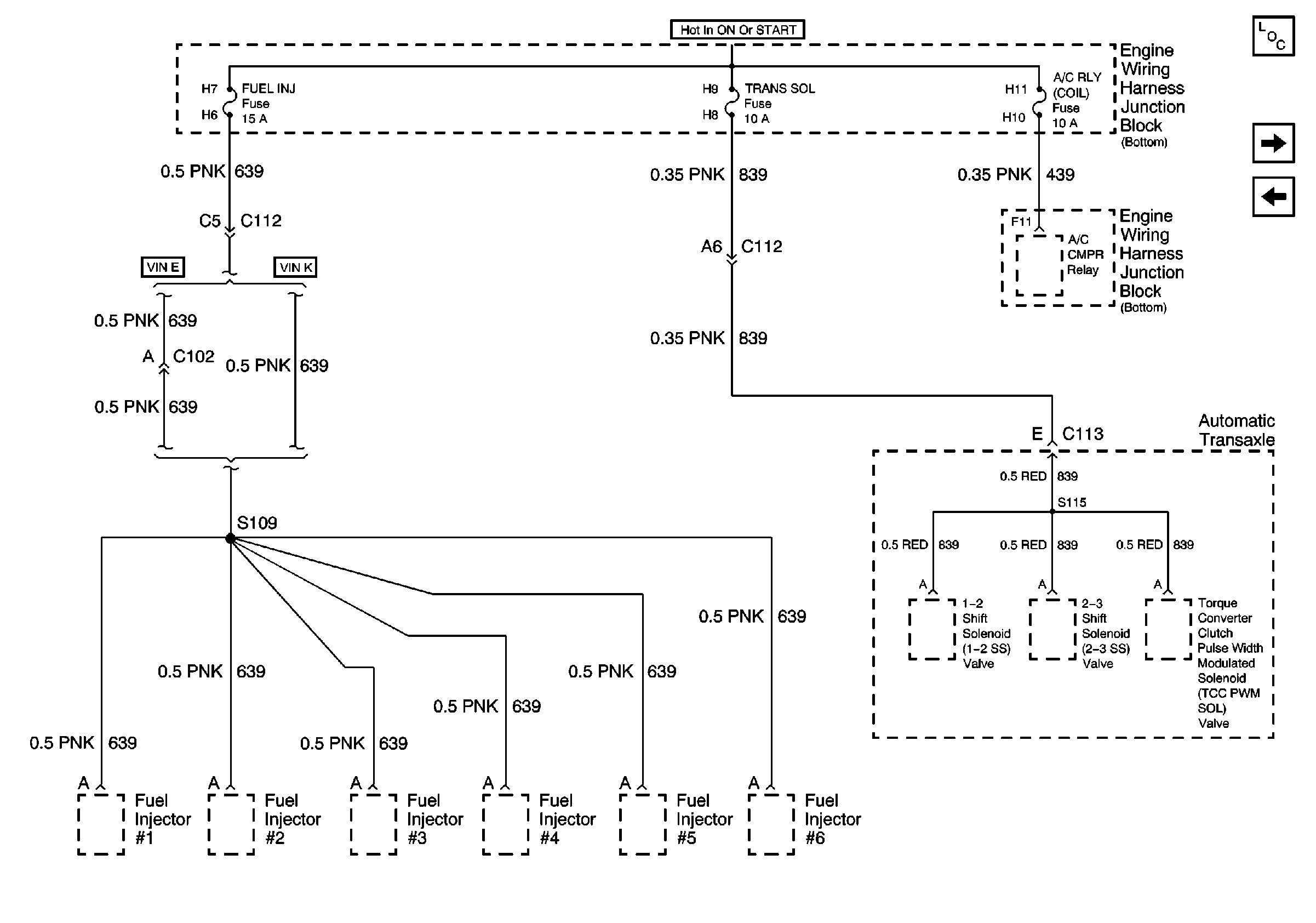
🢒 FUEL INJ, TRANS SOL and A/C RLY (COIL) Fuses
FUEL INJ, TRANS SOL and A/C RLY (COIL) Fuses
FUEL INJ, TRANS SOL and A/C RLY (COIL) Fuses
Power and Grounding Components
FAN CONT #2 & #3, FAN CONT #1, OXY SEN, DFI MDL and ENG DEVICES Fuses
A/C CRUISE, A/C FAN and CRUISE Fuses