GM Service Manual Online
For 1990-2009 cars only
Makes
🢒
Chevrolet
🢒
2000
🢒
Impala
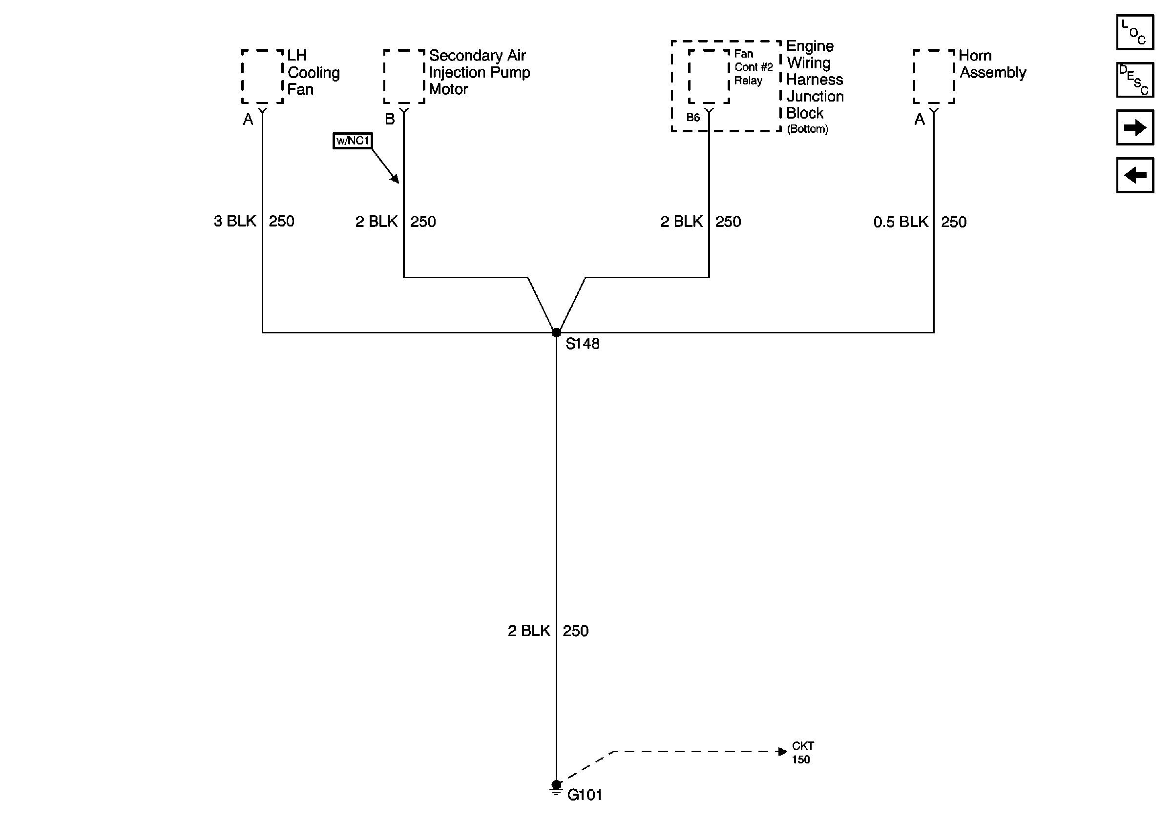
🢒 G101 (1 of 2)
G101 (1 of 2)
G101 (1 of 2)
Power and Grounding Components