GM Service Manual Online
For 1990-2009 cars only
Makes
🢒
Chevrolet
🢒
2000
🢒
Impala
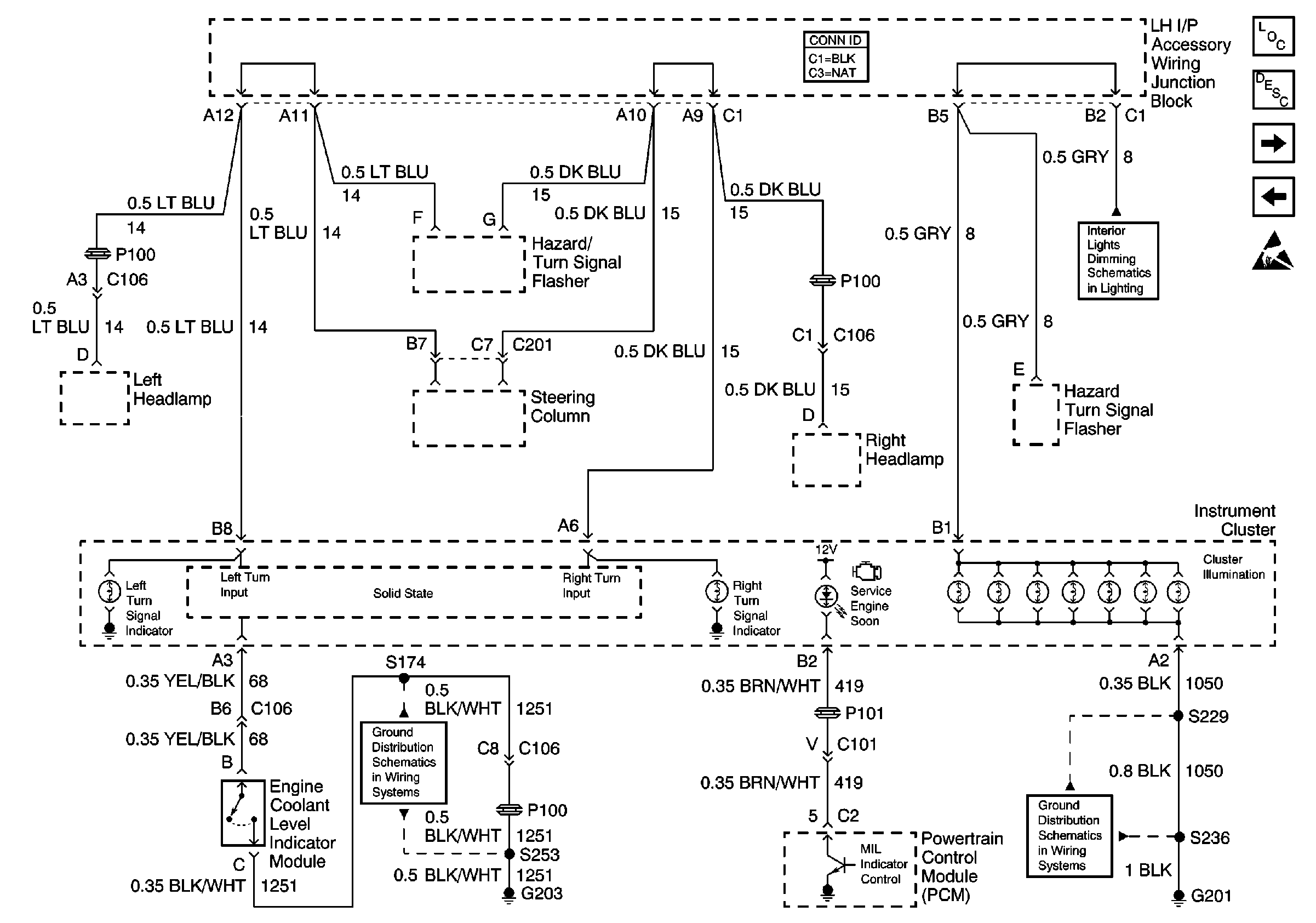
🢒 Direct Inputs 2 of 2
Direct Inputs 2 of 2
Direct Inputs 2 of 2
Instrument Cluster Components
Instrument Cluster Circuit Description
Direct Inputs 1 of 2
OBD II Symbol Description Notice
Handling ESD Sensitive Parts Notice