GM Service Manual Online
For 1990-2009 cars only

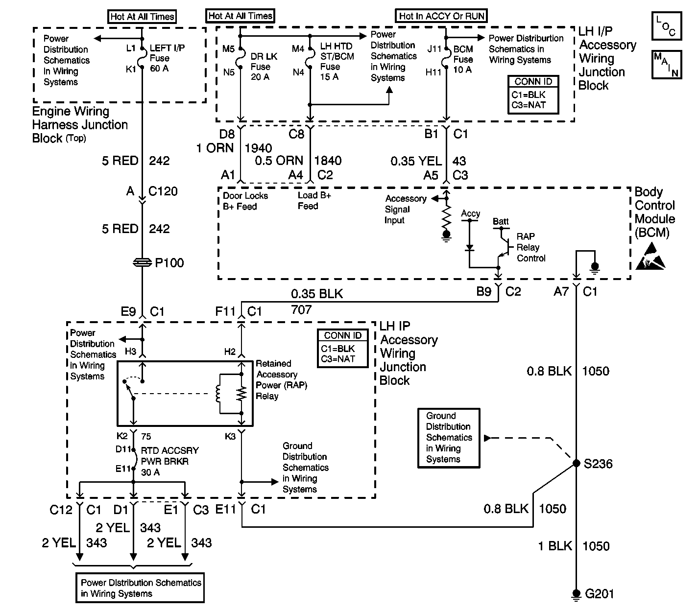
Object Number: 597223  Size: LF

Circuit Description

The body control module (BCM) controls the retained accessory power (RAP) feature. The RAP feature allows the following components to operate for 10 minutes (or until a vehicle door opens) after the ignition switch turns from RUN or ACC to LOCK:

    • The radio
    • The power windows
    • The power sunroof, if equipped

The BCM interfaces with the vehicle's power distribution system through the RAP relay. The RAP relay allows the BCM to control the application of power to the circuit between the RAP relay and the RTD ACCSRY PWR BRKR. This circuit then powers the feed circuits to the Sun-roof and the power windows. When the ignition switch is in either the ACC or the RUN position, the BCM energizes the RAP relay by powering the RAP relay coil feed circuit.

The BCM turns off the RAP relay when the ignition switch is in the START position. The RAP feature therefore disables during engine crank and bulb test.

When the ignition switch turns from RUN to LOCK or OFF, with all the vehicle doors closed, the BCM leaves the RAP relay energized for 10 minutes, or until any vehicle door opens (the BCM detects a ground signal in one of the door ajar circuits).

Conditions for Setting the DTC

    • The BCM detects a short to ground in the RAP relay control feed circuit when It is trying to energize the RAP relay.
    • The condition above must be present for more than 0.3 seconds.

Action Taken When the DTC Sets

The BCM stores DTC B1477 in memory.

Conditions for Clearing the DTC

    • A short to ground in the RAP relay control feed circuit is no longer detected by the BCM when the RAP relay is commanded to engergize.
    • A history DTC B1477 will clear after 100 consecutive ignition cycles if the condition for the malfunction is no longer present.
    • A scan tool may be used to clear the DTC.

Diagnostic Aids

    • If the DTC B1477 is a history DTC, the fault may be intermittent. Refer to Testing for Intermittent Conditions and Poor Connections .
    • The following conditions may cause an intermittent malfunction to occur:
       - An intermittent short to ground in the RAP relay control feed circuit
       - The RAP relay coil is shorted to ground internally
       - The BCM is shorted to ground internally

Test Description

The number(s) below refer to the step number(s) on the diagnostic table.

  1. Listen for an audible click when the Retained Accessory Power relay operates. Command both the ON and OFF states. Repeat the commands as necessary.

  2. Verifies that the Body Control Module is providing voltage to the Retained Accessory Power relay.

  3. Tests for an open in the ground circuit to the Retained Accessory Power relay.

  4. Tests if voltage is constantly being applied to the Retained Accessory Power relay.

Step

Action

Value(s)

Yes

No

1

Did you perform the Retained Accessory Power Diagnostic System Check?

--

Go to Step 2

Go to Diagnostic System Check - Retained Accessory Power

2

  1. Install a scan tool.
  2. Turn ON the ignition, with the engine OFF.
  3. With a scan tool, command the Retained Accessory Power relay ON and OFF.

Does the Retained Accessory Power relay turn ON and OFF with each command?

--

Go to Diagnostic Aids

Go to Step 3

3

  1. Turn OFF the ignition.
  2. Disconnect the Retained Accessory Power relay.
  3. Turn ON the ignition, with the engine OFF.
  4. Probe the control circuit of the Retained Accessory Power relay with a test lamp connected to a good ground.
  5. With a scan tool, command the Retained Accessory Power relay ON and OFF.

Does the test lamp turn ON and OFF with each command?

--

Go to Step 4

Go to Step 5

4

  1. Connect a test lamp between the control circuit of the Retained Accessory Power relay and the ground circuit of the Retained Accessory Power relay.
  2. With a scan tool, command the Retained Accessory Power relay ON and OFF.

Does the test lamp turn ON and OFF with each command?

--

Go to Step 8

Go to Step 10

5

Does the test lamp remain illuminated with each command?

--

Go to Step 7

Go to Step 6

6

Test the control circuit of the Retained Accessory Power relay for a short to ground or open. Refer to Circuit Testing and Wiring Repairs in Wiring Systems.

Did you find and correct the condition?

--

Go to Step 13

Go to Step 9

7

Test the control circuit of the Retained Accessory Power relay for a short to voltage. Refer to Circuit Testing and Wiring Repairs in Wiring Systems.

Did you find and correct the condition?

--

Go to Step 13

Go to Step 9

8

Inspect for poor connections at the Retained Accessory Power relay. Refer to Testing for Intermittent Conditions and Poor Connections and Connector Repairs in Wiring Systems.

Did you find and correct the condition?

--

Go to Step 13

Go to Step 11

9

Inspect for poor connections at the harness connector of the Body Control Module. Refer to Testing for Intermittent Conditions and Poor Connections and Connector Repairs in Wiring Systems.

Did you find and correct the condition?

--

Go to Step 13

Go to Step 12

10

Repair the ground circuit of the Retained Accessory Power relay. Refer to Wiring Repairs in Wiring Systems.

Did you complete the repair?

--

Go to Step 13

--

11

Replace the Retained Accessory Power relay.

Did you complete the replacement?

--

Go to Step 13

--

12

  1. Replace the Body Control Module. Refer to Body Control Module Replacement in Body Control System.
  2. Perform the set up procedure for the Body Control Module. Refer to Body Control Module (BCM) Programming/RPO Configuration in Body Control System.

Did you complete the replacement?

--

Go to Step 13

--

13

  1. Use the scan tool in order to clear the DTCs.
  2. Operate the vehicle within the Conditions for Running the DTC as specified in the supporting text.

Does the DTC reset?

--

Go to Step 2

System OK