GM Service Manual Online
For 1990-2009 cars only

Generator Replacement 3.8L

Removal Procedure

The Delphi CS130D (K43) 102 ampere generator is serviced as a complete unit only.

The Bosch NCB1 (KG7) 125 ampere generator is serviced as a complete unit only.

    Caution: Before servicing any electrical component, the ignition and start switch must be in the OFF or LOCK position and all electrical loads must be OFF, unless instructed otherwise in these procedures. If a tool or equipment could easily come in contact with a live exposed electrical terminal, also disconnect the negative battery cable. Failure to follow these precautions may cause personal injury and/or damage to the vehicle or its components.

  1. Disconnect the negative battery cable. Refer to Battery Negative Cable Disconnection and Connection .
  2. Remove the drive belt from the generator. Refer to Drive Belt Replacement in Engine Mechanical - 3.8L.
  3. Position aside the protective boot from the generator output BAT terminal for access.
  4. Remove the generator output BAT terminal nut and remove the positive battery lead from the generator.

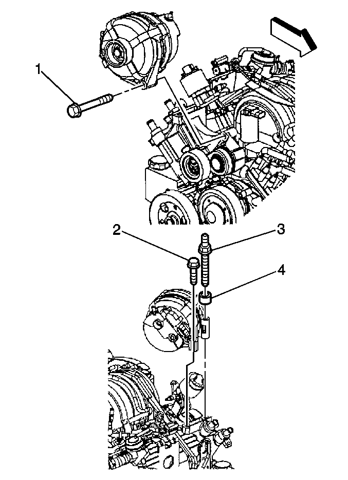
  5. Object Number: 461838  Size: SH
  6. Remove the generator rear brace nut (5).
  7. Remove the generator rear brace bolt (3).
  8. Remove the generator rear brace (4).

  9. Object Number: 514262  Size: MH
  10. Remove the pivot bolt (1) from the generator.
  11. Important: Spacer (4) is only present if equipped with the Bosch NCB1 (KG7) 125 ampere generator.

  12. Remove the stud (3) and bolt (2) from the generator.
  13. Disconnect the electrical connector from the generator.
  14. Remove the generator.

Installation Procedure

  1. Position the generator to the engine.
  2. Connect the electrical connector to the generator.

  3. Object Number: 514262  Size: MH

    Important: Spacer (4) is only present if equipped with the Bosch NCB1 (KG7) 125 ampere generator.

  4. Install the generator stud (3) and spacer (4) through the hole in the generator, finger tight.
  5. Install the generator bolt (2) to the hole in generator, finger tight.
  6. Install the pivot bolt (1) to the generator, finger tight.
  7. Notice: Use the correct fastener in the correct location. Replacement fasteners must be the correct part number for that application. Fasteners requiring replacement or fasteners requiring the use of thread locking compound or sealant are identified in the service procedure. Do not use paints, lubricants, or corrosion inhibitors on fasteners or fastener joint surfaces unless specified. These coatings affect fastener torque and joint clamping force and may damage the fastener. Use the correct tightening sequence and specifications when installing fasteners in order to avoid damage to parts and systems.

  8. Tighten the generator bolts in the order described. The following is a mandatory torque sequence:
  9. 6.1. Tighten the generator pivot bolt (1).

    Tighten
    Tighten the generator pivot bolt (1) to 50 N·m (37 lb  ft).

    6.2. Tighten the generator stud (3).

    Tighten
    Tighten the generator stud (3) to 50 N·m (37 lb  ft).

    6.3. Tighten the generator bolt (2).

    Tighten
    Tighten the generator bolt (2) to 50 N·m (37 lb ft).

  10. Install the positive battery lead and the generator output BAT terminal nut.
  11. Tighten
    Tighten the generator output BAT terminal nut to 20 N·m (15 lb ft).

  12. Install the protective boot on the generator output BAT terminal.

  13. Object Number: 461838  Size: SH
  14. Install the generator rear brace (4).
  15. Finger start the generator rear brace bolt (3).
  16. Finger start the generator rear brace nut (5).
  17. Tighten the generator bolts in the order described. The following is a mandatory torque sequence:
  18. Tighten

    1. Tighten the generator rear brace bolt (3) to 50 N·m (37 lb  ft).
    2. Tighten the generator rear brace nut (5) to 50 N·m (37 lb  ft).
  19. Install the drive belt. Refer to Drive Belt Replacement in Engine Mechanical - 3.8L.
  20. Connect the negative battery cable. Refer to Battery Negative Cable Disconnection and Connection .

Generator Replacement 3.4L

Removal Procedure

The Delphi CS130D (K43) 102 ampere generator is serviced as a complete unit only.

    Caution: Before servicing any electrical component, the ignition and start switch must be in the OFF or LOCK position and all electrical loads must be OFF, unless instructed otherwise in these procedures. If a tool or equipment could easily come in contact with a live exposed electrical terminal, also disconnect the negative battery cable. Failure to follow these precautions may cause personal injury and/or damage to the vehicle or its components.

  1. Disconnect the negative battery cable. Refer to Battery Negative Cable Disconnection and Connection .
  2. Remove the engine compartment cross vehicle brace. Refer to Cross Vehicle Brace Replacement in Body Front End.
  3. Remove the drive belt from the generator. Refer to Drive Belt Replacement in Engine Mechanical - 3.4L.
  4. Reposition the coolant recovery reservoir aside for access. Refer to Coolant Recovery Reservoir Replacement in Engine Cooling.

  5. Object Number: 302473  Size: MH
  6. Remove the bolts (1,2,3) from the generator.
  7. Disconnect the electrical connector from the generator.
  8. Position aside the protective boot from the generator output BAT terminal.
  9. Remove the generator output BAT terminal nut and remove the positive battery lead from the generator.
  10. Remove the generator.

Installation Procedure

  1. Install the generator to the engine.
  2. Notice: Use the correct fastener in the correct location. Replacement fasteners must be the correct part number for that application. Fasteners requiring replacement or fasteners requiring the use of thread locking compound or sealant are identified in the service procedure. Do not use paints, lubricants, or corrosion inhibitors on fasteners or fastener joint surfaces unless specified. These coatings affect fastener torque and joint clamping force and may damage the fastener. Use the correct tightening sequence and specifications when installing fasteners in order to avoid damage to parts and systems.

  3. Install the positive battery lead and the generator output BAT terminal nut.
  4. Tighten
    Tighten the generator output BAT terminal nut to 20 N·m (15 lb ft).

  5. Install the protective boot to the generator output BAT terminal.
  6. Connect the electrical connector to the generator.

  7. Object Number: 302473  Size: MH
  8. Install the generator bolt (2) and generator bolt (3) through the holes on the generator and finger start the bolts. Do not tighten the bolts.
  9. Install the generator pivot bolt (1) through the generator and finger start the bolts finger start the bolt. Do not tighten the bolt.
  10. Tighten the generator bolts in the order described. The following is a mandatory torque sequence:
  11. Tighten
    Tighten the generator pivot bolt (1) to 50 N·m (37 lb  ft).

    Tighten
    Tighten the generator bolt (2) to 50 N·m (37 lb  ft).

    Tighten
    Tighten the generator bolt (3) to 50 N·m (37 lb ft).

  12. Install the coolant recovery reservoir . Refer to Coolant Recovery Reservoir Replacement in Engine Cooling.
  13. Install the drive belt. Refer to Drive Belt Replacement in Engine Mechanical - 3.4L.
  14. Install the engine compartment cross brace. Refer to Cross Vehicle Brace Replacement in Body Front End.
  15. Connect the negative battery cable. Refer to Battery Negative Cable Disconnection and Connection .