GM Service Manual Online
For 1990-2009 cars only
Figure 1:

Left Front of Vehicle


Object Number: 507600  Size: LF
(1)Headlamp Assembly-Left Connector
(2)Connector Retainer
(3)Secondary Air Injection (AIR) Pump Connector
(4)Fog Lamp-Left Front Connector
Figure 2:

Left Front of Engine Compartment


Object Number: 1101345  Size: LF
(1)Air Cleaner/PCM Housing
(2)A/C Refrigerant Pressure Sensor
(3)Powertrain Control Module (PCM), C2
(4)Powertrain Control Module (PCM), C1
(5)Powertrain Control Module (PCM)
Figure 3:

Left Top of Engine (LA1)


Object Number: 741405  Size: LF
(1)Exhaust Gas Recirculation (EGR) Valve
(2)Mass Air Flow (MAF) Sensor
(3)Intake Air Temperature (IAT) Sensor
Figure 4:

Left Rear of Engine (LA1)


Object Number: 531383  Size: LF
(1)Upper Intake Manifold
(2)Manifold Absolute Pressure (MAP) Sensor
(3)Secondary Ignition (Spark Plug) Wires
(4)Ignition Control Module (ICM) and Ignition Coils
(5)Heated Oxygen Sensor (HO2S) Sensor 1
(6)Crankshaft Position (CKP) Sensor B
(7)Exhaust Gas Recirculation (EGR) Valve
(8)Throttle Position (TP) Sensor
(9)Fuel Feed and Return Pipes
(10)Throttle Body
(11)Idle Air Control (IAC) Valve
(12)Positive Crankcase Ventilation (PCV) Valve
(13)Evaporative Emission (EVAP) Canister Purge Solenoid
(14)Camshaft Position (CMP) Sensor Harness Connector
Figure 5:

Left Front of Engine (LA1)


Object Number: 619200  Size: LF
(1)C102
(2)Manifold Absolute Pressure (MAP) Sensor
(3)Exhaust Gas Recirculation (EGR) Valve
(4)Throttle Position (TP) Sensor
(5)Idle Air Control (IAC) Valve
(6)Exhaust Gas Recirculation (EGR) Valve
(7)Evaporative Emission (EVAP) Canister Purge Solenoid
(8)Engine Oil Pressure (EOP) Switch
(9)Crankshaft Position (CKP) Sensor A Connector and Bracket
(10)Knock Sensor (KS)
(11)Engine Oil Pressure (EOP) Switch Connector
(12)Fusible Links (Starter)
(13)A/C Compressor Clutch Diode
(14)Knock Sensor (KS)
(15)Crankshaft Position (CKP) Sensor A Connector and Bracket
(16)Positive Crankcase Ventilation (PCV) Valve
(17)Camshaft Position (CMP) Sensor Connector
Figure 6:

Upper Left Rear of Engine (LA1)


Object Number: 619205  Size: LF
(1)Generator
(2)Ignition Control Module (ICM) Connector C2
(3)Evaporative Emission (EVAP) Canister Purge Solenoid
(4)Heated Oxygen Sensor (HO2S) Sensor 1 Pigtail and Connector
(5)Ignition Control Module (ICM) Connector C3
(6)Ignition Control Module (ICM) Connector C1
Figure 7:

Left Middle of Engine (LA1)


Object Number: 762611  Size: LF
(1)Camshaft Position (CMP) Sensor
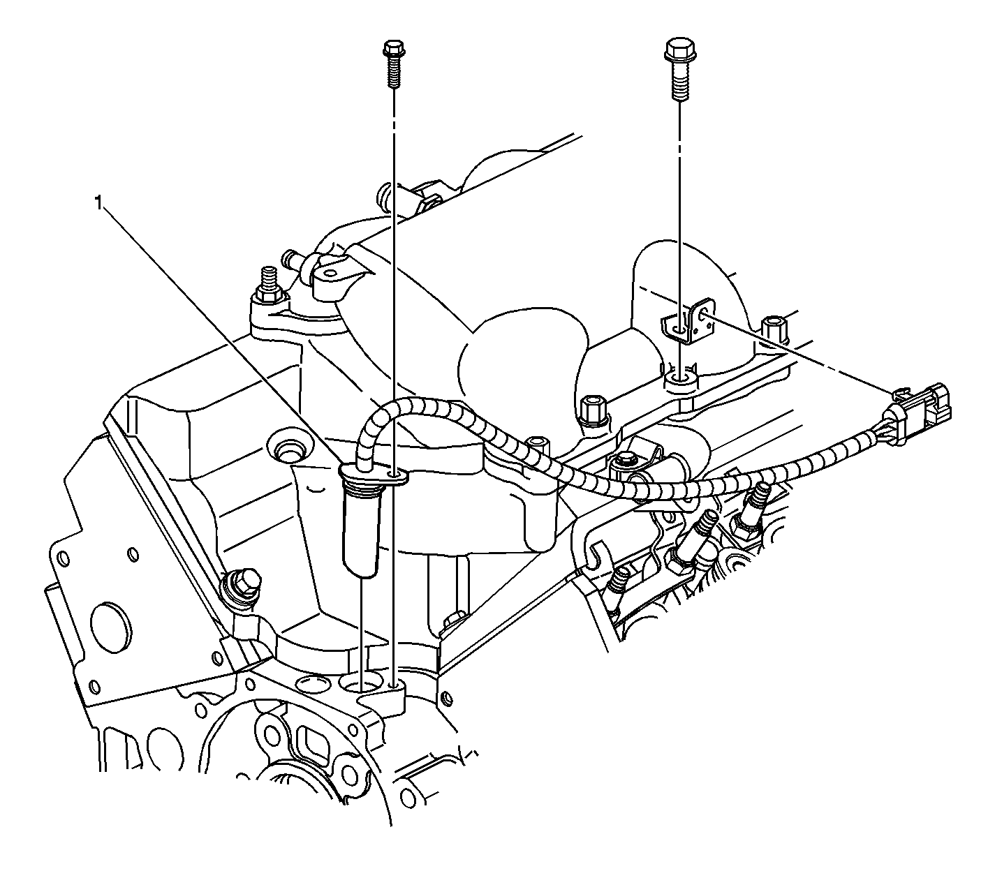
Figure 8:

Left Front of Intake Manifold (LA1)


Object Number: 447391  Size: LF
(1)Fuel Injection Wiring Harness
(2)Engine Coolant Temperature (ECT) Sensor Connector
(3)Engine Coolant Temperature (ECT) Sensor
Figure 9:

Fuel Rail (LA1)


Object Number: 741412  Size: SH
(1)Fuel Injector #2
(2)Fuel Injector #4
(3)Fuel Injector #6
(4)Fuel Rail
(5)Fuel Injector #5
(6)Fuel Injector #3
(7)Fuel Injector #1
Figure 10:

Lower Front Of Engine (LA1)


Object Number: 327373  Size: LF
(1)Crankshaft Position (CKP) Sensor A Connector and Bracket
(2)Knock Sensor (KS) Connector
(3)Engine Oil Pressure (EOP) Switch Connector
(4)Fusible Links (Starter)
(5)A/C Compressor Clutch Diode
Figure 11:

Behind Crankshaft Pulley (LA1)


Object Number: 388943  Size: LF
(1)Crankshaft Position (CKP) Sensor A
(2)Front Cover
Figure 12:

Rear of Engine (LA1)


Object Number: 619189  Size: LF
(1)Engine Oil Level Switch
(2)Vehicle Speed Sensor (VSS)
(3)Crankshaft Position (CKP) Sensor B
Figure 13:

Behind Engine, Under Vehicle


Object Number: 305319  Size: LF
(1)Heat Shield
(2)Catalytic Converter
(3)Heated Oxygen Sensor (HO2S) Sensor 2
Figure 14:

Fuel Pump and Sender Assembly


Object Number: 50636  Size: SH
(1)Fuel Line Quick Connector
(2)Fuel Pump
(3)Base Plate
(4)Fuel Strainer
(5)Fuel Level Sensor
(6)Springs
(7)Fuel Tank Pressure (FTP) Sensor
Figure 15:

Left Rear of Vehicle


Object Number: 571274  Size: LF
(1)Evaporative Emission (EVAP) Canister Vent Solenoid Connector
(2)Evaporative Emission (EVAP) Canister Vent Solenoid