GM Service Manual Online
For 1990-2009 cars only

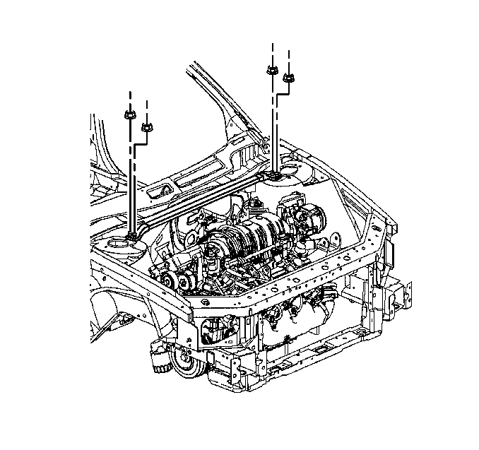
Removal Procedure


    Object Number: 456704  Size: SH
  1. Open the hood.
  2. Remove the nuts from the cross vehicle brace.
  3. Remove the cross vehicle brace from the vehicle.
  4. Important: Be careful, the stud plates may fall out and possibly get caught under the vehicle during the removal.


    Object Number: 456728  Size: SH
  5. Remove the stud plates push on nuts from the studs.
  6. Remove the stud plates from the vehicle.

Installation Procedure

    Important: The stud plates will require an assistant to hold the stud plates during the installation of the push on nuts.


    Object Number: 456728  Size: SH
  1. Install the stud plates to the vehicle.
  2. Install the stud plates push on nuts to the studs.

  3. Object Number: 456706  Size: SH
  4. Install the cross vehicle brace to the vehicle.
  5. Notice: Use the correct fastener in the correct location. Replacement fasteners must be the correct part number for that application. Fasteners requiring replacement or fasteners requiring the use of thread locking compound or sealant are identified in the service procedure. Do not use paints, lubricants, or corrosion inhibitors on fasteners or fastener joint surfaces unless specified. These coatings affect fastener torque and joint clamping force and may damage the fastener. Use the correct tightening sequence and specifications when installing fasteners in order to avoid damage to parts and systems.


    Object Number: 456704  Size: SH
  6. Install the nuts to the cross vehicle brace.
  7. Tighten
    Tighten the cross vehicle brace nuts to 18 N·m (13 lb ft).

  8. Close the hood.